NXTII partlist - 第137页
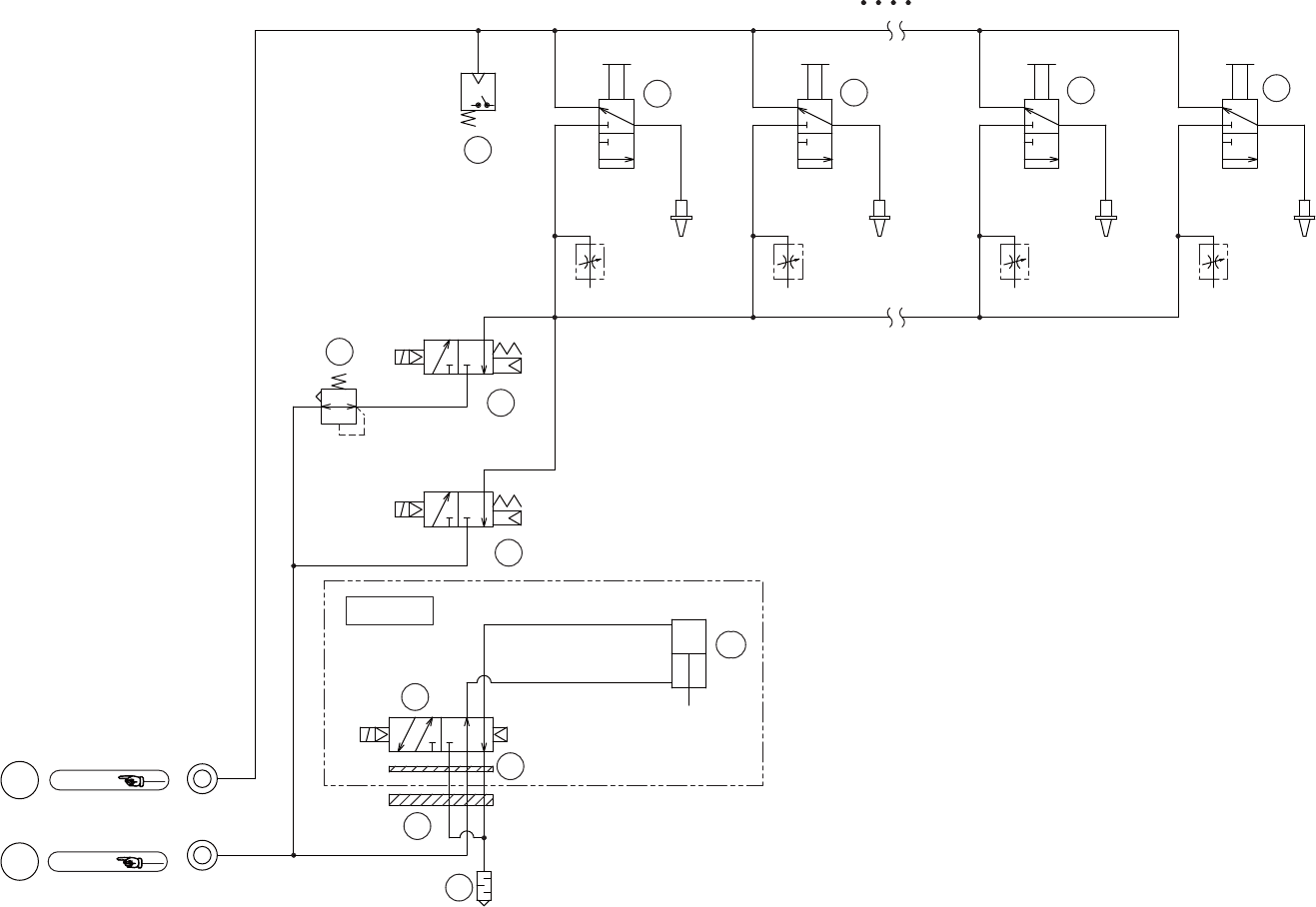
H08 HEAD 5/5 H08 ヘッド 5/5 UH00490 No. Drg.No. & Code No. QTY Description Rating Materials Remarks 番号 図番 & コード番号 個 数 品名 規格 材質 備考 1 XB03330 2 VALVE, SOL バルブ SOL OT 2 XB00763 1 VALVE, PRESSURE REDUCING バルブ 減圧 OT 3 X…

㈇ᅽ
┿✵࣏ࣥࣉࡼࡾ
1HJSUHVV
)URP9DFXXPSXPS
3RVSUHVV
ṇᅽ
.3D
⮬ືࣂࢵࢡࢵࣉࣆࣥᶵ⬟
$XWREDFNXSSLQHTXLSPHQW
ࣀࢬࣝࢡ࣮ࣜࢽࣥࢢ
1R]]OHFOHDQLQJ
┿✵◚ቯ
$LUEORZ
237,21
%
$
12==/( 12==/( 12==/( 12==/(
>$@ >%@ >*@ >+@
Ref.BED
Ref.BED
a1a1
a2a2
+࣊ࢵࢻ
++($'
UH00490
136
PTS-NXT2-04JE Vol.1

H08 HEAD 5/5
H08 ヘッド 5/5 UH00490
No. Drg.No. & Code No. QTY Description Rating Materials Remarks
番号 図番 & コード番号 個数 品名 規格 材質 備考
1 XB03330 2 VALVE, SOL バルブ SOL OT
2 XB00763 1 VALVE, PRESSURE REDUCING バルブ 減圧 OT
3 XS01185 8 SPOOL スプール OT
5 S1058B 1 SILENCER サイレンサ AN120-M3 OT
6 H3176D 1 PLATE プレート SYJ3000-21-2A OT
7 XS00842 1 SENSOR, PRESSURE センサ 圧力 OT
8 PJ06032 1 PLATE, ACRYLIC プレート アクリル OT
9 H1122D 1 VALVE, SOL バルブ SOL SYJ3140-5M0U OT
10 XS01843 1 CYLINDER シリン
ダ
OT
137
PTS-NXT2-04JE Vol.1

25
30
29
28
35
34
18
19
19.1
20
21
22
24
23
49
8
9
10
11
5
3
7
6
25.1
25.1
26
27
45
47
48
46
1
31
32
33
37
41
40
42
43
AA15W14
++($'$872%$&.833,1(48,30(17
+࣊ࢵࢻ⮬ືࣂࢵࢡࢵࣉࣆࣥᶵ⬟
138
PTS-NXT2-04JE Vol.1