NXTII partlist - 第157页
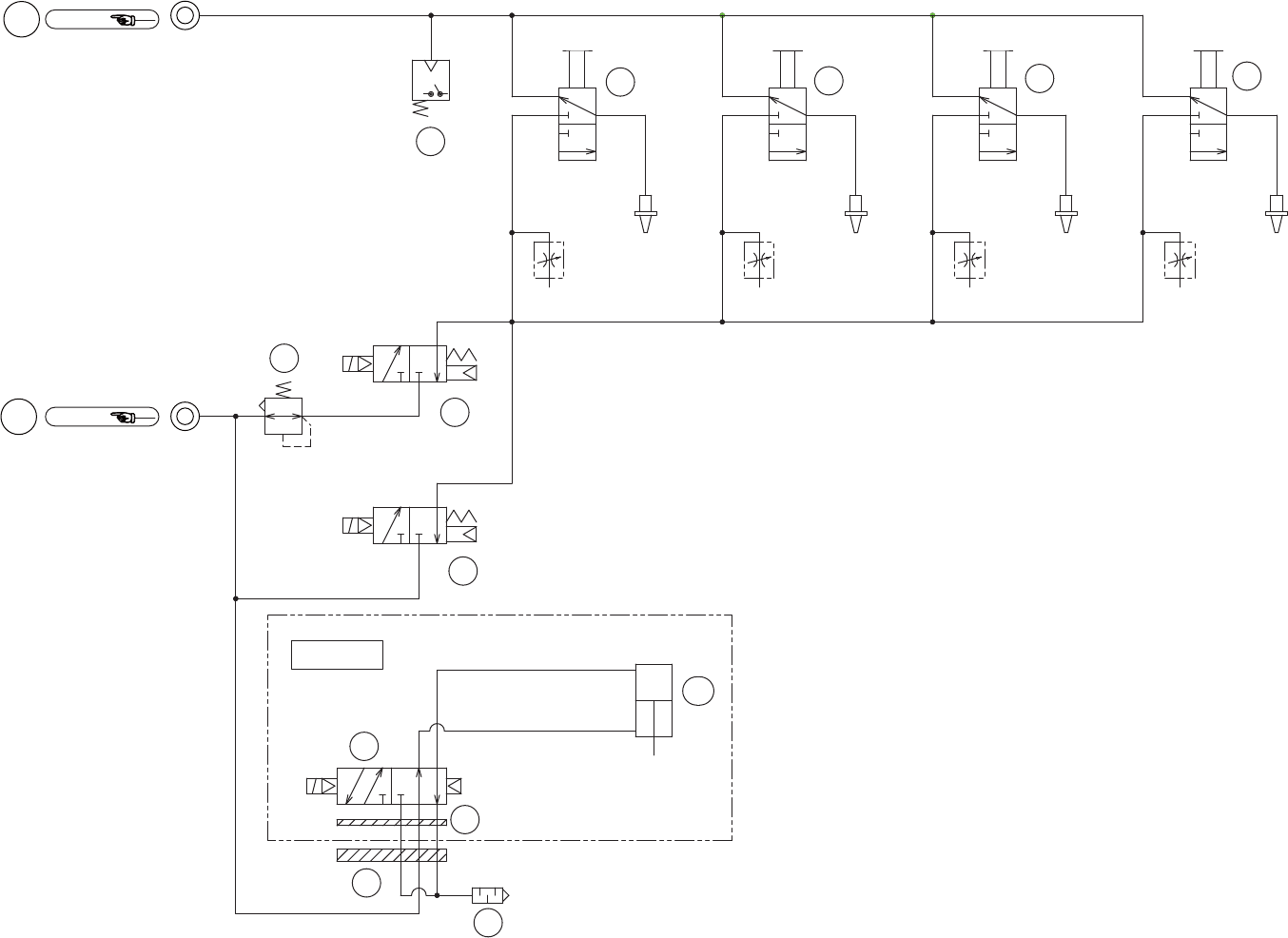
H04S HEAD 4/4 H04S ヘッド 4/4 No. Drg.No. & Code No. QTY Description Rating Materials Remarks 番号 図番 & コード番号 個 数 品名 規格 材質 備考 1 XB03330 2 VALVE, SOL バルブ SOL OT 2 XB00763 1 VALVE, PRESSURE REDUCING バルブ 減圧 OT 3 XS01185…

㈇ᅽ
┿✵࣏ࣥࣉࡼࡾ
1HJSUHVV
)URP9DFXXPSXPS
237,21
%
$
┿✵◚ቯ
12==/( 12==/( 12==/( 12==/(
>$@ >%@ >&@ >'@
3RVSUHVV
ṇᅽ
.3D
$LUEORZ
ࣀࢬࣝࢡ࣮ࣜࢽࣥࢢ
1R]]OHFOHDQLQJ
⮬ືࣂࢵࢡࢵࣉࣆࣥᶵ⬟
$XWREDFNXSSLQHTXLSPHQW
Ref.BED
Ref.BED
a1a1
a2a2
+6࣊ࢵࢻ
+6+($'
156
PTS-NXT2-04JE Vol.1

H04S HEAD 4/4
H04S ヘッド 4/4
No. Drg.No. & Code No. QTY Description Rating Materials Remarks
番号 図番 & コード番号 個数 品名 規格 材質 備考
1 XB03330 2 VALVE, SOL バルブ SOL OT
2 XB00763 1 VALVE, PRESSURE REDUCING バルブ 減圧 OT
3 XS01185 4 SPOOL スプール OT
5 S1058B 1 SILENCER サイレンサ AN120-M3 OT
6 H3176D 1 PLATE プレート SYJ3000-21-2A OT
7 XS00842 1 SENSOR, PRESSURE センサ 圧力 OT
8 PJ06032 1 PLATE, ACRYLIC プレート アクリル OT
9 H1122D 1 VALVE, SOL バルブ SOL SYJ3140-5M0U FE
10 XS01843 1 CYLINDER シリン
ダ
OT
157
PTS-NXT2-04JE Vol.1

10
9
11
12
30
29
28
35
34
6
19
20
21
18
25
25.1
5
7
8
3
45
47
48
46
26
27
43
41
42
2
31
32
33
37
4
49
40
+6+($'$872%$&.833,1(48,30(17
+6࣊ࢵࢻ⮬ືࣂࢵࢡࢵࣉࣆࣥᶵ⬟
158
PTS-NXT2-04JE Vol.1