NXTII partlist - 第194页
C C C C B B B B A A A A A A 1 2 2 1 17 19 18 15 16 14 13 12 20 21 21 23 23 22 26 25 27 28 24 29 30 31 32 33 34 40 42 43 39 36 37 38 35 51 61 60 59 55 56 57 58 65 62 63 63 63 63 62 78 74 75 73 69 70 68 67 72 66 71 11 11 4…
ࡇࡢ࣮࣌ࢪࡣࣈࣛࣥࢡ࣮࣌ࢪ࡛ࡍࠋ
This page intentionally blank.
193
PTS-NXT2-04JE Vol.1

CC
CC
BB
BB
AA
AA
AA
1
2
2
1
17
19
18
15
16
14
13
12
20
21
21
23
23
22
26
25
27
28
24
29
30
31
32
33
34
40
42
43
39
36
37
38
35
51
61
60
59
55
56
57
58
65
62
63
63
63
63
62
78
74
75
73
69
70
68
67
72
66
71
11
11
4
8
10
9
6
5
54
53
52
76
76
77
79
QK87404
+࣊ࢵࢻ
++($'
194
PTS-NXT2-04JE Vol.1

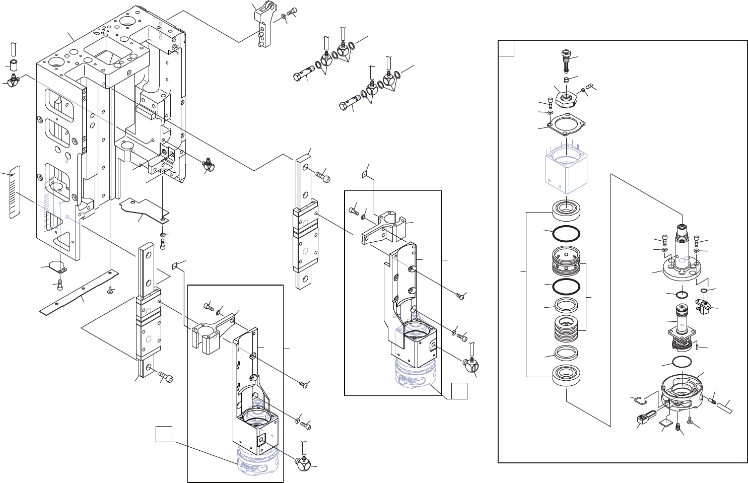
H02 HEAD 5/6
H02 ヘッド 5/6 QK87404
No. Drg.No. & Code No. QTY Description Rating Materials Remarks
番号 図番 & コード番号 個数 品名 規格 材質 備考
1 XG01142 2 GUIDE, RAIL ガイド レール OT
2 H5273A 10 BOLT, HEX SOCKET ボルト 六角穴 M03X005 FE
4 K5255A 4 SCREW, HEX SOCKET BUTTON 小ネジ 六角穴ボタン M03X004 FE
5 H5273T 2 BOLT, HEX SOCKET ボルト 六角穴 M03X004 FE
6 W1021A 2 WASHER, LOCK ワッシャ スプリング 3M/M FE
8 K5255A 4 SCREW, HEX SOCKET BUTTON 小ネジ 六角穴ボタン M03X004 FE
9 H5273T 2 BOLT, HEX SOCKET ボルト 六角穴 M03X004 FE
10 W1021A 2 WASHER, LOCK ワッシャ スプリング 3M/M FE
11 A4068G 2 ELBOW エルボ M-5ALU-3 OT
12 AA5CC04 2 SLEEVE スリーブ OT
13 H1339A 2 PAD, VACUUM パット バキューム KP- 3.5-N OT
14 PM03LH5 2 NUT, LOCK ナット ロック AL
15 S3272Y 2 SPACER スペーサ SM-261E OT
16 N40172 2 SCREW, HEX SOCKET SET ネジ 六角穴止め M02.5X003 クボミサキ FE
17 PM03LG0 2 RETAINER, BEARING 押え ベアリング FE
18 H5268T 8 BOLT, HEX SOCKET ボルト 六角穴 M02.5X006 FE
19 W1020H 8 WASHER, LOCK ワッシャ スプリング 2.5M/M FE
20 H42220 2 BEARING ベアリング 7901CTYNDBLP5 OT SET
21 A52030 4 O RING Oリング ゚21.50X1.50(NBR) OT Consumable Parts
22 PM03HY4 2 COLLAR, BEARING カラー ベアリング AL
23 H1166T 4 PACKING パッキン MY-16 OT
24 PM03KT8 2 SHAFT シャフト FE
25 H5268M 8 BOLT, HEX SOCKET ボルト 六角穴 M02.5X003 FE
26 W1020H 8 WASHER, LOCK ワッシャ スプリング 2.5M/M FE
27 H5264A 4 BOLT, HEX SOCKET ボルト 六角穴 M02X003 FE
28 W1020A 4 WASHER, LOCK ワッシャ スプリング 2M/M FE
29 A5202R 2 O RING Oリング ゚4.10X0.50(NBR) OT Consumable Parts
30 AA5CM05 2 NIPPLE ニップル OT
31 A5203A 2 O RING Oリング ゚8.31X1.00(NBR) OT Consumable Parts
32 AA63NO2 2 SHAFT, SPLINE シャフト スプライン OT
33 H2168A 2 PIN, PARALLEL ピン 平行 ゚1.6X4 Aシュ (ステンレス) OT
34 A5193E 2 O RING Oリング ゚16.0X0.5(NBR) OT Consumable Parts
35 AA5CA01 2 FLANGE フランジ OT
36 PZ11901 8 SCREW, C/R PAN 小ネジ 十穴鍋 FE
37 PM11721 2 PLUG プラグ FE
38 PZ09531 2 HOSE, AIR ホース エアー OT
39 PH00274 4 PIN, CLAMP ピン クランプ OT Consumable Parts
40 PZ22531 2 HOOK フック FE
195
PTS-NXT2-04JE Vol.1