NXTII partlist - 第238页
238 PTS-NXT2-04JE Vol.1

PARTS CAMERA LIGHT
パーツカメラライト UG00719
No. Drg.No. & Code No. QTY Description Rating Materials Remarks
番号 図番 & コード番号 個数 品名 規格 材質 備考
1 PB24691 1 COVER カバー FE
2 K51993 4 SCREW, WASHER ASS'Y 小ネジ 座金組込み M03X012 ナベセムス P4(3カ シロ) FE
5 AA8ZB00 4 BOLT ボルト OT
6 PM0E8T0 4 BOLT ボルト FE
7 W1106D 4 WASHER, LOCK ワッシャ スプリング 4M/M(3カ シロ) FE
8 PM0E8W0 4 WASHER ワッシャ FE
9 XK03721 1 COVER, GLASS カバー ガラス OT
10 DBGC1672 8 HOLDER, LIGHT ホルダ ライト OT
11 XK04921 8 BOARD, PRINTED CIRCUIT 基板 プリント OT
12 XK04760 1 BOARD, PRINTED CIRCUIT 基板 プリント OT
13 H5282A 4 BOLT, HEX SOCKET ボルト 六角穴 M03X030 FE
14 W1021A 4 WASHER, LOCK ワッシャ スプリング 3M/M FE
15 W1040R 8 WASHER, FLAT ワッシャ 平 3M/MX0.5X7(1W-3)(3カ クロ) FE
16 W1042A 4 WASHER, FLAT ワッシャ 平 4W- 3 FE
17 N4001S 16 SCREW ネジ U-2506-S1 OT
18 W10017 1 WASHER ワッシャ EE-0306-05R OT
20 S32270 4 SPACER スペーサ CZ-315 OT
21 XK04772 1 BOARD, PRINTED CIRCUIT 基板 プリント OT
22 N10795 8 NUT, HEX ナット 六角 M03(3カ クロ) FE
23 AA17519 1 LAMP ランプ OT
40 AA17607 1 BOARD 基板 OT
41 AA17325 1 LAMP ランプ OT
43 PX02171 1 SEAL, BAR CODE シール バーコード OT unit serial number
44 PZ25701 1 SEAL シール PL
45 AA17713 1 COVER カバー OT
46 AA17411 1 LAMP ランプ OT
48 PZ37160 1 TAPE テープ OT 100pieces/set
49 PX08560 1 NAMEPLATE, CAUTION 銘板 注意 OT
237
PTS-NXT2-04JE Vol.1

238
PTS-NXT2-04JE Vol.1

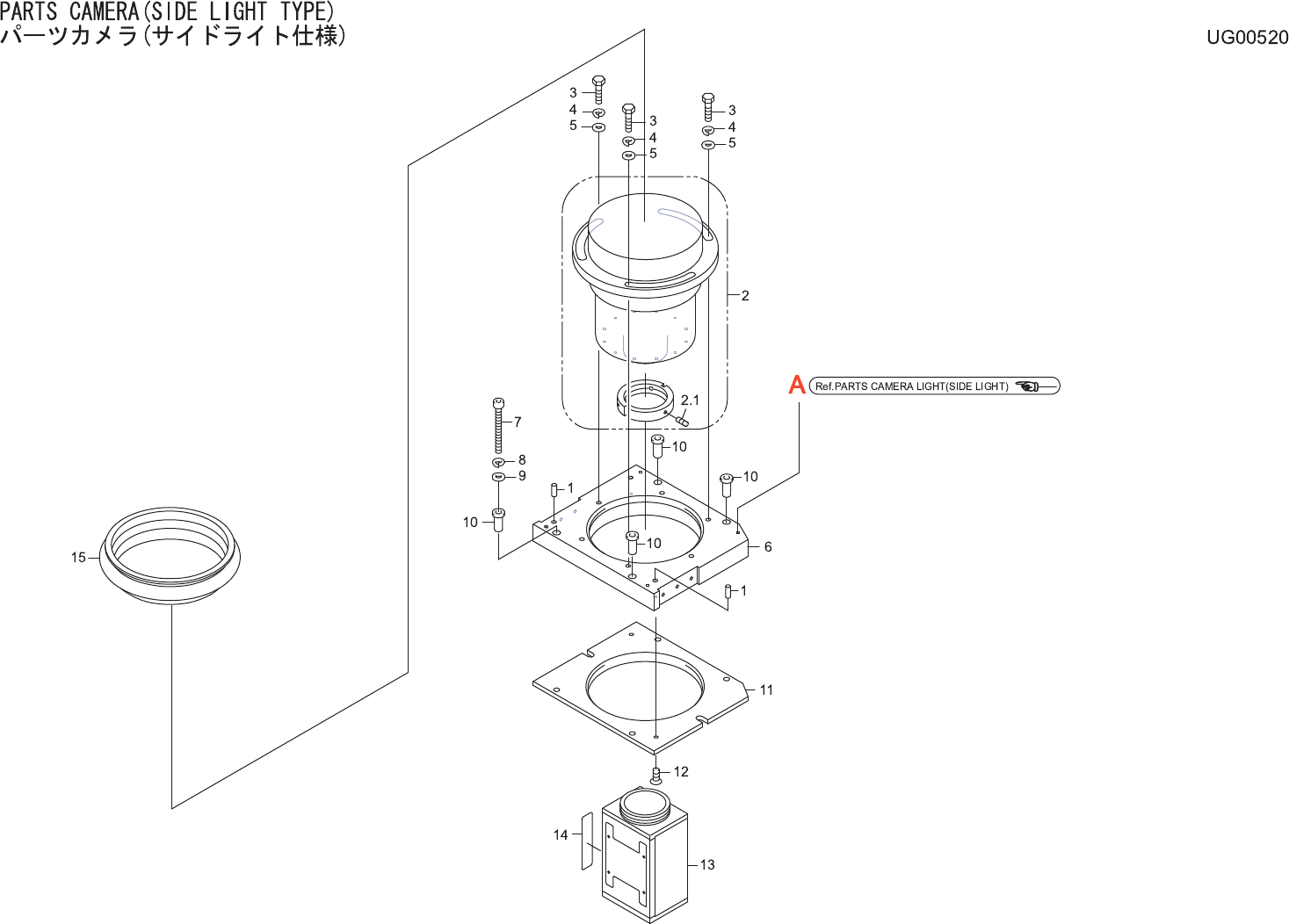
PARTS CAMERA(SIDE LIGHT TYPE)
パーツカメラ(サイドライト仕様) UG00520
No. Drg.No. & Code No. QTY Description Rating Materials Remarks
番号 図番 & コード番号 個数 品名 規格 材質 備考
1 H2093E 2 PIN, PARALLEL ピン 平行 ゚4X10 Aシュ ステンレス OT
2 XR00241 1 LENS レンズ OT
2.1 . 1 SCREW, HEX SOCKET SET ネジ 六角穴止め M04X005 FE ACC-2
3 H5178A 3 BOLT, HEX ボルト 六角 M05X020 FE
4 W1023A 3 WASHER, LOCK ワッシャ スプリング 5M/M FE
5 W1044A 3 WASHER, FLAT ワッシャ 平 4W- 5 FE
6 PM60343 1 BKT BKT FE
7 H5295A 4 BOLT, HEX SOCKET ボルト 六角穴 M04X035 FE
8 W1022A 4 WASHER, LOCK ワッシャ スプリング 4M/M FE
9 W1040S 4 WASHER, FLAT ワッシャ 平 4M/MX0.8X9(1W-4)(3カ クロ) FE
10 PJ06591 4 BUSHING ブシュ OT
11 PH00371 1 BKT BKT OT
12 K5357T 2 SCREW, HEX SOCKET COUNTERSUNK 小ネジ 六角穴皿 M03X008 FE
13 XK00795 1 CAMERA カメラ OT
14 PX04042 1 SEAL, BAR CODE シール バーコード OT unit serial number
15 PG04703 1 SEAL, RUBBER シール
ゴ
ムPL
239
PTS-NXT2-04JE Vol.1