NXTII partlist - 第240页
240 PTS-NXT2-04JE Vol.1

PARTS CAMERA(SIDE LIGHT TYPE)
パーツカメラ(サイドライト仕様) UG00520
No. Drg.No. & Code No. QTY Description Rating Materials Remarks
番号 図番 & コード番号 個数 品名 規格 材質 備考
1 H2093E 2 PIN, PARALLEL ピン 平行 ゚4X10 Aシュ ステンレス OT
2 XR00241 1 LENS レンズ OT
2.1 . 1 SCREW, HEX SOCKET SET ネジ 六角穴止め M04X005 FE ACC-2
3 H5178A 3 BOLT, HEX ボルト 六角 M05X020 FE
4 W1023A 3 WASHER, LOCK ワッシャ スプリング 5M/M FE
5 W1044A 3 WASHER, FLAT ワッシャ 平 4W- 5 FE
6 PM60343 1 BKT BKT FE
7 H5295A 4 BOLT, HEX SOCKET ボルト 六角穴 M04X035 FE
8 W1022A 4 WASHER, LOCK ワッシャ スプリング 4M/M FE
9 W1040S 4 WASHER, FLAT ワッシャ 平 4M/MX0.8X9(1W-4)(3カ クロ) FE
10 PJ06591 4 BUSHING ブシュ OT
11 PH00371 1 BKT BKT OT
12 K5357T 2 SCREW, HEX SOCKET COUNTERSUNK 小ネジ 六角穴皿 M03X008 FE
13 XK00795 1 CAMERA カメラ OT
14 PX04042 1 SEAL, BAR CODE シール バーコード OT unit serial number
15 PG04703 1 SEAL, RUBBER シール
ゴ
ムPL
239
PTS-NXT2-04JE Vol.1

240
PTS-NXT2-04JE Vol.1

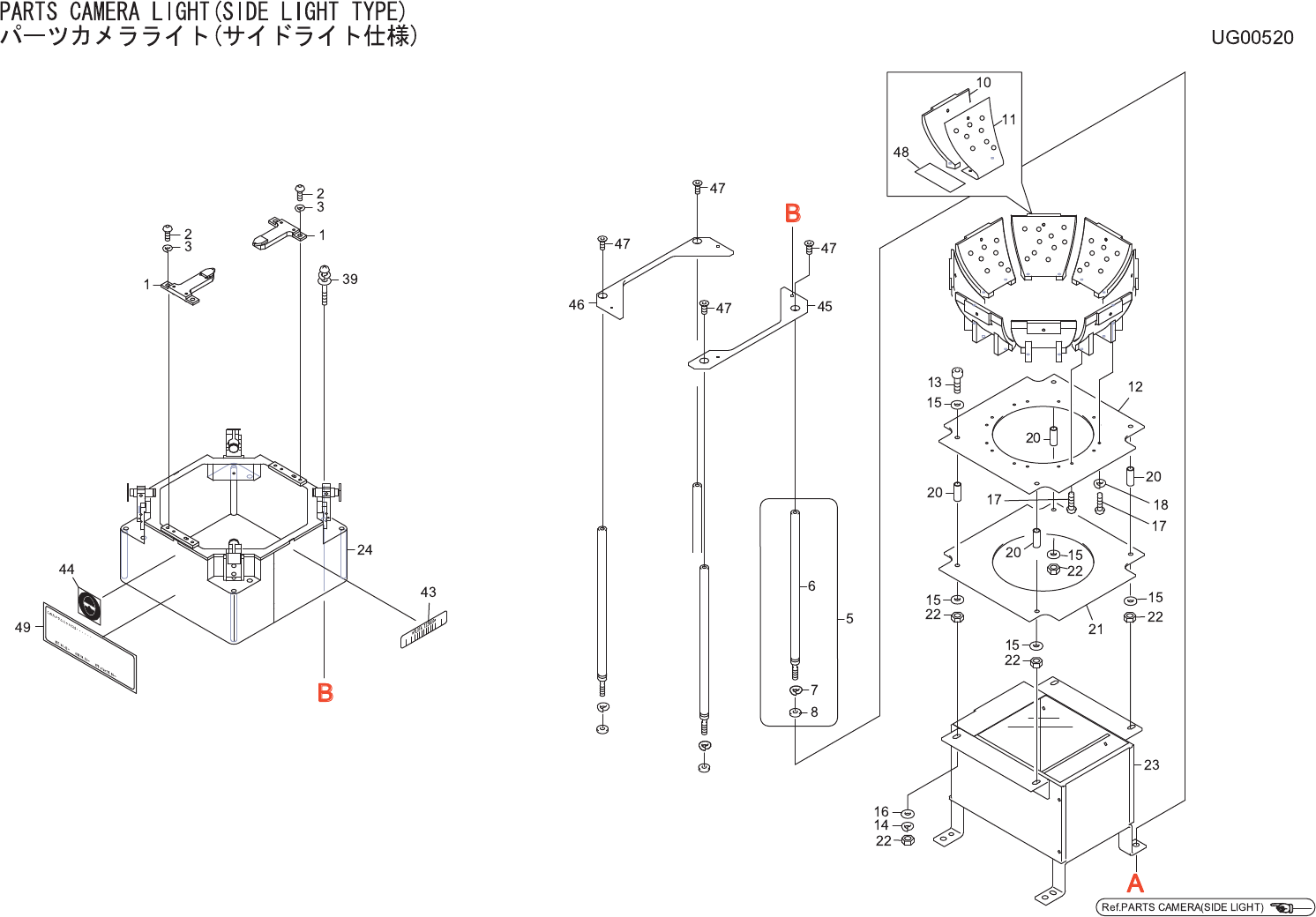
PARTS CAMERA LIGHT(SIDE LIGHT TYPE)
パーツカメラライト(サイドライト仕様) UG00520
No. Drg.No. & Code No. QTY Description Rating Materials Remarks
番号 図番 & コード番号 個数 品名 規格 材質 備考
1 AA8BL00 2 COVER, GLASS カバー ガラス OT
2 K5255H 4 SCREW, HEX SOCKET BUTTON 小ネジ 六角穴ボタン M03X005 FE
3 W1021A 4 WASHER, LOCK ワッシャ スプリング 3M/M FE
5 AA3WZ02 4 BOLT ボルト OT
6 PM60312 4 BOLT ボルト FE
7 W1022A 4 WASHER, LOCK ワッシャ スプリング 4M/M FE
8 PM98131 4 WASHER ワッシャ FE NOTE.1 t=2.0
10 DBGC1672 8 HOLDER, LIGHT ホルダ ライト OT
11 XK05481 8 BOARD, PRINTED CIRCUIT 基板 プリント OT
12 XK04760 1 BOARD, PRINTED CIRCUIT 基板 プリント OT
13 H5282A 4 BOLT, HEX SOCKET ボルト 六角穴 M03X030 FE
14 W1021A 4 WASHER, LOCK ワッシャ スプリング 3M/M FE
15 W1040R 8 WASHER, FLAT ワッシャ 平 3M/MX0.5X7(1W-3)(3カ クロ) FE
16 W1042A 4 WASHER, FLAT ワッシャ 平 4W- 3 FE
17 N4001S 16 SCREW ネジ U-2506-S1 セムスネジ FE
18 W10017 1 WASHER ワッシャ EE-0306-05R FE
20 S32270 4 SPACER スペーサ CZ-315 OT
21 XK05392 1 BOARD, PRINTED CIRCUIT 基板 プリント OT
22 N10795 8 NUT, HEX ナット 六角 M03(3カ クロ) FE
23 AA71M03 1 LAMP ランプ OT
24 AA8BK00 1 LAMP ランプ OT
39 K51981 4 SCREW, WASHER ASS'Y 小ネジ 座金組込み M03X006 P=4 ナベセムス(3カ シロ) FE
43 PX04032 1 SEAL, BAR CODE シール バーコード OT unit serial number
44 PZ25701 1 SEAL シール PL
45 PB33378 1 PLATE プレート FE
46 PB33388 1 PLATE プレート FE
47 K5358F 4 SCREW, HEX SOCKET COUNTERSUNK 小ネジ 六角穴皿 M03X14 FE
48 PZ37160 1 TAPE テープ OT 100pieces/set
49 PX08560 1 NAMEPLATE 銘板 OT
NOTE.1:[Interchangeable parts/選択部品] PM03AM1(t=1.7),PM03AN1(t=1.8),PM03AR1(t=1.9),PM03AS1(t=2.1),PM03AT1(t=2.2),PM03AW1(t=2.3)
241
PTS-NXT2-04JE Vol.1