NXTII partlist - 第275页
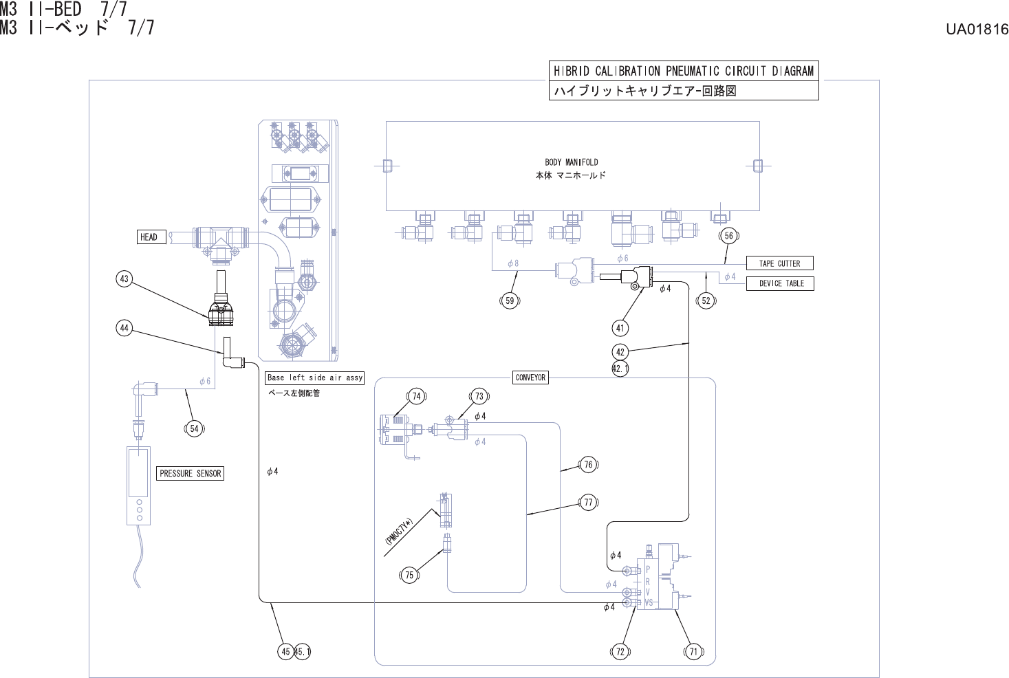
M3 II-BED 7/7 M3 II-ベッド 7/7 UA01816 No. Drg.No. & Code No. QTY Description Rating Materials Remarks 番号 図番 & コード番号 個 数 品名 規格 材質 備考 41 Y30350 1 UNION ユニオン KQ2X04-06 OT 42 PZ45101 1 TUBE チューブ OT INT [DOUBLE CONVEYO…

274
PTS-NXT2-04JE Vol.1

M3 II-BED 7/7
M3 II-ベッド 7/7 UA01816
No. Drg.No. & Code No. QTY Description Rating Materials Remarks
番号 図番 & コード番号 個数 品名 規格 材質 備考
41 Y30350 1 UNION ユニオン KQ2X04-06 OT
42 PZ45101 1 TUBE チューブ OT INT [DOUBLE CONVEYOR]
42.1 PZ15802 1 TUBE チューブ OT INT [SINGLE CONVEYOR]
43 Y3027B 1 UNION ユニオン PWJ8-6 OT
44 Y3077T 1 UNION, ELBOW ユニオン エルボ KQ2L04-06 OT
45 PZ45110 1 TUBE チューブ OT INT [DOUBLE CONVEYOR]
45.1 PZ41020 1 TUBE チューブ OT INT [SINGLE CONVEYOR]
71 H14592 1 VALVE, SOL バルブ SOL MV090-03-PL-1L-DC24V OT Note.1
72 Y3077Z 3 UNION, ELBOW ユニオン エルボ KQ2L04-M5 OT Note.1
73 K5076Y 1 CONNECTOR コネクタ KQ2U04-M5 OT Note.1
74 S3158R 1 SW, PRESSURE SW プレッシャ ZSE30-01-65-ML OT Note.1
75 Y3086W 1 UNION, HALF ユニオン ハーフ KQ2S04-M5 OT Note.1
76 PZ48620 1 TUBE チューブ OT Note.1
77 PZ46800 1 TUBE チュー
ブ
OT Note.1
Note.1:The parts for Conveyor unit.
:コンベア構成部品。
275
PTS-NXT2-04JE Vol.1

276
PTS-NXT2-04JE Vol.1