NXTII partlist - 第297页
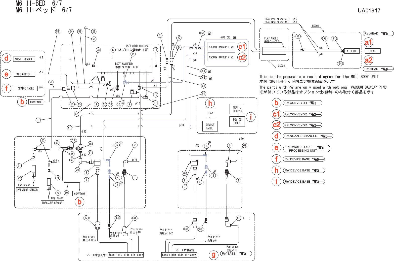
M6 II-BED 6/7 M6 II-ベッド 6/7 UA01917 No. Drg.No. & Code No. QTY Description Rating Materials Remarks 番号 図番 & コード番号 個 数 品名 規格 材質 備考 1 K11578 2 COUPLER カプ ラ KK4P-10E OT 2 A4066H 2 ELBOW エル ボ KQ2L10-99 OT 3 K1161W 0…

296
PTS-NXT2-04JE Vol.1

M6 II-BED 6/7
M6 II-ベッド 6/7 UA01917
No. Drg.No. & Code No. QTY Description Rating Materials Remarks
番号 図番 & コード番号 個数 品名 規格 材質 備考
1 K11578 2 COUPLER カプラ KK4P-10E OT
2 A4066H 2 ELBOW エルボ KQ2L10-99 OT
3 K1161W 0(2) COUPLER カプラ CPPE7-01 OT Note.1
4 Y3024A 0(2) UNION ユニオン PMF6-01 OT Note.1
6 Y3016B 0(2) UNION ユニオン PLLJ6 OT Note.1
7 K1158B 2 COUPLER カプラ K4-04PM OT
8 PM05ZF2 2 JOINT ジョイント AL
9 Y3122A 2 UNION, ELBOW ユニオン エルボ KQ2VS10-02S OT
10 Y3082E 2 UNION, ELBOW ユニオン エルボ KQ2VS08-02S OT
10.1 Y3082E 0(1) UNION, ELBOW ユニオン エルボ KQ2VS08-02S OT Note.1
11 Y3082M 1 UNION, ELBOW ユニオン エルボ KQ2VS06-02S OT
12 Y3121A 1 UNION, ELBOW ユニオン エルボ KQ2VS04-01S OT
13 PM00325 1 MANIFOLD, AIR マニホールド エアー AL
14 A3033A 2 PLUG 埋栓 PT1/4 OT
15 K50766 1 CONNECTOR コネクタ KQ2U06-08 OT
16 A40685 1 ELBOW エルボ KQ2L12-99 OT
17 Y30868 1 UNION, HALF ユニオン ハーフ KQ2S12-03S OT
18 Y3023W 1 UNION ユニオン PEG12-8 OT
20 Y3079H 2 UNION, ELBOW ユニオン エルボ KQ2L06-99 OT
21 Y3086Y 2 UNION, HALF ユニオン ハーフ KQ2S06-M5 OT
22 XS00930 1 SW, PRESSURE SW プレッシャ OT
23 XS00920 1 SW, PRESSURE SW プレッシャ OT
24 Y3068C 1 UNION ユニオン KQ2H12-00 OT
25 Y3067K 1 UNION, HALF ユニオン ハーフ KQ2H08-00 OT
26 A3036A 1 PLUG 埋栓 PT3/8 OT
27 Y3069N 1 UNION ユニオン KQ2R08-12 OT
28 Y3082Y 1 UNION, HALF ユニオン ハーフ KQ2H04-02S OT
29 K2007X 1 CAP キャップ KQ2C04-00 OT
51 PZ45120 1 TUBE チューブ OT
52 PZ07121 1 TUBE チューブ OT
53 PZ36780 1 TUBE チューブ OT
54 PZ45080 1 TUBE チューブ OT
55 PZ06081 1 TUBE チューブ OT
56 PZ45061 1 TUBE チューブ OT
57 PZ45470 1 TUBE チューブ OT
58 PZ45470 1 TUBE チューブ OT
59 PZ54110 1 TUBE チューブ OT
60 PZ06101 1 TUBE チューブ OT
297
PTS-NXT2-04JE Vol.1

M6 II-BED 6/7
M6 II-ベッド 6/7 UA01917
No. Drg.No. & Code No. QTY Description Rating Materials Remarks
番号 図番 & コード番号 個数 品名 規格 材質 備考
61 PZ38812 1 TUBE チューブ OT
62 PZ36831 1 TUBE チューブ OT
63 PZ11731 0(1) TUBE チューブ OT Note.1
64 PZ36840 0(1) TUBE チューブ OT Note.1
65 PZ06701 0(1) TUBE チューブ OT Note.1
66 PZ22491 1 TUBE チューブ OT
81 S5026T 2 SOCKET ソケット KK4S-10L-X42 OT Note.2
82 S50251 2 SOCKET ソケット CPSE7-6 OT Note.2
83 S5026B 2 SOCKET ソケット K4-04SH OT Note.2
91 N2031A 1 NIPPLE ニップル M-5H-6 OT Note.3
92 XZ00010 1 JOINT, HOSE ジョイント ホース OT Note.3
93 PZ07201 1 TUBE チューブ OT Note.3
94 PM78573 1 NIPPLE, VOLUTE ニッ
プ
ル 竹の子 FE Note.3
Note.1:The quantity in ( ) indicates the quantity for use with optional Vacuum backup pins.
:( )内の個数はオプション仕様のバキュームバックアップピンが取付く場合の個数を示す。
Note.2:The parts for BASE unit.
:ベース構成部品。
Note.3:The parts for SLYDE X-axis unit.
:X軸構成部品。
298
PTS-NXT2-04JE Vol.1