NXTII partlist - 第525页
2M II-BASE 10/10 2M II-ベース 10/10 UB01318 No. Drg.No. & Code No. QTY Description Rating Materials Remarks 番号 図番 & コード番号 個 数 品名 規格 材質 備考 1 S5023H 1 SOCKET ソケット 30SH OT 2 H3114C 1 PLUG プ ラグ 30PF OT 3 H1282A 3 PIPE,…

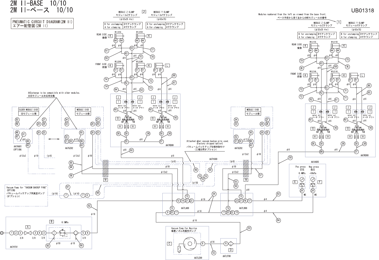
48
PTS-NXT2-04JE Vol.2

2M II-BASE 10/10
2M II-ベース 10/10 UB01318
No. Drg.No. & Code No. QTY Description Rating Materials Remarks
番号 図番 & コード番号 個数 品名 規格 材質 備考
1 S5023H 1 SOCKET ソケット 30SH OT
2 H3114C 1 PLUG プラグ 30PF OT
3 H1282A 3 PIPE, DOUBLE ENDED パイプ 両口 3/8X 25 OT
4 A41516 1 ELBOW エルボ SGPPE10A OT
5 Y3122K 1 UNION, ELBOW ユニオン エルボ KQ2V16-03S OT
6 A40687 3 ELBOW エルボ KQ2L16-99 OT
7 Y3081E 0(2) UNION, ELBOW ユニオン エルボ KQ2L16-00 OT Note.1
8 Y3069R 0(1) UNION ユニオン KQ2R10-16 OT Note.1
9 Y3081H 1 UNION, ELBOW ユニオン エルボ KQ2L16-04S OT
10 Y3081G 1 UNION, ELBOW ユニオン エルボ KQ2L16-03S OT
11 Y30866 2 UNION, HALF ユニオン ハーフ KQ2S16-04S OT
12 Y3076G 2 UNION ユニオン KQ2U12-04S OT
13 Y3086A 2 UNION, HALF ユニオン ハーフ KQ2H10-03S OT
14 Y3120B 1 UNION, ELBOW ユニオン エルボ KQ2VF08-03S OT
15 Y3082X 1 UNION, HALF ユニオン ハーフ KQ2H04-01S OT
16 Y3035B 1 UNION ユニオン KQ2U08-03S OT
17 Y30683 1 UNION ユニオン KQ2R04-08 OT
18 K50767 0(1) CONNECTOR コネクタ KQ2U08-10 OT Note.1
19 Y3069H 0(2) UNION ユニオン KQ2R06-08 OT Note.1
20 Y3128B 2 UNION ユニオン SGPPT15A OT
21 Y3128C 2 UNION ユニオン SGPPT10A OT
22 H3327B 1 BUSHING ブシュ SUTPB14 OT
23 Y30869 2 UNION, HALF ユニオン ハーフ KQ2S16-03S OT
24 Y3049G 2 UNION, ELBOW ユニオン エルボ KJL04-M5(シロ) OT
25 S50251 0(2) SOCKET ソケット CPSE7-6 OT Note.1
26 K1161W 0(2) COUPLER カプラ CPPE7-01 OT Note.1
27 Y3024A 0(2) UNION ユニオン PMF6-01 OT Note.1
28 S5026T 2 SOCKET ソケット KK4S-10L-X42 OT
29 K11578 0(2) COUPLER カプラ KK4P-10E OT Note.1
30 Y3081F 2 UNION, ELBOW ユニオン エルボ KQ2L12-04S OT
31 PM09MY1 2 ADAPTER アダプタ FE
32 S5026B 2 SOCKET ソケット K4-04SH OT
33 K1158B 0(2) COUPLER カプラ K4-04PM OT Note.1
34 PM05ZF2 0(2) JOINT ジョイント AL Note.1
35 Y3071H 2 UNION ユニオン KQ2T08-00 OT
36 PZ16811 2 TUBE チューブ OT
37 Y3079Z 2 UNION, ELBOW ユニオン エルボ KQ2L08-00 OT
38 Y30680 4 UNION ユニオン KQ2N08-99 OT
49
PTS-NXT2-04JE Vol.2

2M II-BASE 10/10
2M II-ベース 10/10 UB01318
No. Drg.No. & Code No. QTY Description Rating Materials Remarks
番号 図番 & コード番号 個数 品名 規格 材質 備考
39 Y30860 4 UNION, HALF ユニオン ハーフ KQ2S08-01S OT
40 PZ20931 8 TUBE チューブ OT
41 Y3079A 4 UNION, ELBOW ユニオン エルボ KQ2L06-02S OT
42 Y30377 4 UNION ユニオン KQ2TW06-00 OT
43 Y3075A 4 UNION ユニオン KQ2U06-00 OT
44 Y3049W 8 UNION, ELBOW ユニオン エルボ KJL06-01S(シロ) OT
45 Y3035C 2 UNION ユニオン KQ2U12-00 OT
46 A4151B 0(2) ELBOW エルボ KQ2L08-12 OT Note.1
47 A4066R 0(2) ELBOW エルボ KQ2L08-99 OT Note.1
48 S5025X 0(2) SOCKET ソケット CPS15-8 OT Note.1
49 K1161Y 0(2) COUPLER カプラ CPP15-01 OT Note.1
50 Y30249 0(2) UNION ユニオン PMF8-01 OT Note.1
51 Y3083A 8 UNION, HALF ユニオン ハーフ KQ2H06-01S OT
52 PZ39360 1 TUBE チューブ OT
53 PZ44360 1 TUBE チューブ OT
54 PZ39390 2 TUBE チューブ OT
55 PZ39551 1 TUBE チューブ OT
56 PZ39562 1 TUBE チューブ OT
57 PZ39571 1 TUBE チューブ OT
58 PZ39581 1 TUBE チューブ OT
59 PZ40040 1 TUBE チューブ OT
60 PZ40051 1 TUBE チューブ OT
61 PZ39460 1 TUBE チューブ OT
62 PZ39470 1 TUBE チューブ OT
63 PZ06391 1 TUBE チューブ OT
64 PZ06711 1 TUBE チューブ OT
65 PZ39501 1 TUBE チューブ OT
66 PZ39511 1 TUBE チューブ OT
67 PZ39520 1 TUBE チューブ OT
68 PZ39530 1 TUBE チューブ OT
69 PZ07371 2 TUBE チューブ OT
70 PZ11691 2 TUBE チューブ OT
71 PZ08061 2 TUBE チューブ OT
72 PZ06651 3 TUBE チューブ OT
73 PZ13291 1 TUBE チューブ OT
74 PZ39590 2 TUBE チューブ OT
75 PZ39600 1 TUBE チューブ OT
76 PZ39610 1 TUBE チューブ OT
50
PTS-NXT2-04JE Vol.2