NXTII partlist - 第811页
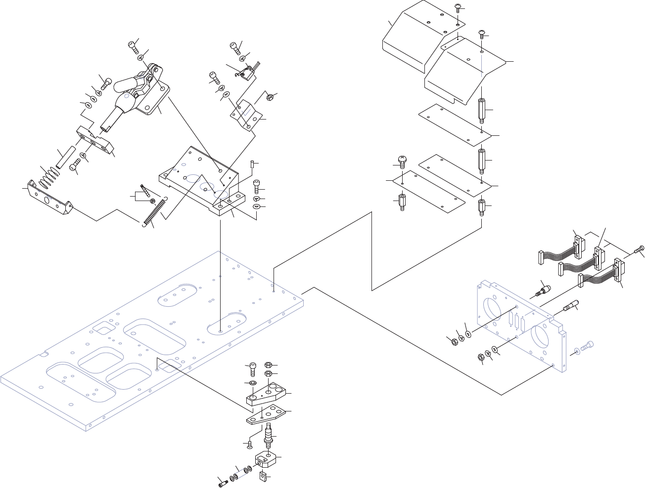
TRAY UNIT-M 6/9 トレイユニット-M 6/9 UT00242 No. Drg.No. & Code No. QTY Description Rating Materials Remarks 番号 図番 & コード番号 個 数 品名 規格 材質 備考 1 PM91582 1 BKT BKT AL 2 H5301A 4 BOLT, HEX SOCKET ボルト 六角穴 M05X018 FE 3 W1023A …

1
2
3
4
5
6
8
9
14
15
16
17
18
19
20
21
22
23
24
25
26
28
33
34
35
35
36
37
38
39
40
41
47
48
49
46
58
59
60
61
62
63
7
64
65
66
67
10
11
12
13
54
54
54
50
51
52
55
56
56
57
57
52
27
ࢺࣞࣘࢽࢵࢺ0
75$<81,70
UT00242
134
PTS-NXT2-04JE Vol.3

TRAY UNIT-M 6/9
トレイユニット-M 6/9 UT00242
No. Drg.No. & Code No. QTY Description Rating Materials Remarks
番号 図番 & コード番号 個数 品名 規格 材質 備考
1 PM91582 1 BKT BKT AL
2 H5301A 4 BOLT, HEX SOCKET ボルト 六角穴 M05X018 FE
3 W1023A 4 WASHER, LOCK ワッシャ スプリング 5M/M FE
4 W1040T 4 WASHER, FLAT ワッシャ 平 5M/MX1.0X10(1W-5)(3カ クロ) FE
5 H2093W 2 PIN, PARALLEL ピン 平行 ゚4X10 Bシュ (H8) OT
6 PB58672 1 BKT, SENSOR BKT センサ AL
7 H5275A 2 BOLT, HEX SOCKET ボルト 六角穴 M03X008 FE
8 W1021A 2 WASHER, LOCK ワッシャ スプリング 3M/M FE
9 W1042A 2 WASHER, FLAT ワッシャ 平 4W- 3 FE
10 S3191R 1 SW, LIMIT SW リミット D2HW-C273MR-A48 OT
11 K5256G 1 SCREW, HEX SOCKET BUTTON 小ネジ 六角穴ボタン M03X012 FE
12 W1021A 1 WASHER, LOCK ワッシャ スプリング 3M/M FE
13 N10812 1 NUT, HEX ナット 六角 M03 3シュ(3カ クロ) FE
14 XK03201 1 CLAMPER クランパ OT
15 H5322A 4 BOLT, HEX SOCKET ボルト 六角穴 M06X015 FE
16 W1024A 4 WASHER, LOCK ワッシャ スプリング 6M/M FE
17 PM91604 1 BLOCK ブロック FE
18 H5712G 1 BOLT, HEX SOCKET ボルト 六角穴 M08X016 ステンレス FE
19 W1025A 1 WASHER, LOCK ワッシャ スプリング 8M/M FE
20 PM91591 1 STOPPER ストッパ FE
21 H5296C 2 BOLT, HEX SOCKET ボルト 六角穴 M04X045 FE
22 W1022A 2 WASHER, LOCK ワッシャ スプリング 4M/M FE
23 W1040S 2 WASHER, FLAT ワッシャ 平 4M/MX0.8X9(1W-4)(3カ クロ) FE
24 W1043A 2 WASHER, FLAT ワッシャ 平 4W- 4 FE
25 PM91611 2 COLLAR カラー FE
26 S30195 2 SPRING スプリング SWF16-30 OT
27 S32543 2 SPRING スプリング AWY6-55 OT
28 H3038W 2 HOOK フック AIPO3-30 OT
33 PM98931 2 BLOCK ブロック FE
34 PM98941 2 SHAFT シャフト FE
35 N1090A 4 NUT, HEX ナット 六角 M 8 P=1.25 3シュ FE
36 PM84923 2 BLOCK, LEVELING ブロック レベリング FE
37 PM84943 2 STOPPER ストッパ FE
38 PM84933 2 BOLT ボルト FE
39 S3029C 16 SPRING, DISHED スプリング 皿 サラバネ L-8 OT
40 H5300A 6 BOLT, HEX SOCKET ボルト 六角穴 M05X015 FE
41 W1012A 6 WASHER, CONICAL ワッシャ 皿 M- 5-L FE
46 PM03957 1 PIN, ECCENTRIC ピン 偏心 FE
135
PTS-NXT2-04JE Vol.3

TRAY UNIT-M 6/9
トレイユニット-M 6/9 UT00242
No. Drg.No. & Code No. QTY Description Rating Materials Remarks
番号 図番 & コード番号 個数 品名 規格 材質 備考
47 N10813 1 NUT, HEX ナット 六角 M04 3シュ(3カ クロ) FE
48 W1022A 1 WASHER, LOCK ワッシャ スプリング 4M/M FE
49 W1040S 1 WASHER, FLAT ワッシャ 平 4M/MX0.8X9(1W-4)(3カ クロ) FE
50 PB58613 1 COVER カバー AL
51 PB58621 1 COVER カバー AL
52 K5171S 6 SCREW, C/R TRUSS 小ネジ 十穴トラス M03X006(3カ シロ) FE
54 XK05200 3 BOARD, PRINTED CIRCUIT 基板 プリント OT
55 K51992 4 SCREW, WASHER ASS'Y 小ネジ 座金組込み M03X005 ナベセムス P4 FE
56 S3059W 8 SPACER スペーサ SQ-10 OT
57 S3244H 8 SPACER スペーサ BSB-320E OT
58 RH14061 1 HARNESS ハーネス OT
59 RH14071 1 HARNESS ハーネス OT
60 RH14081 1 HARNESS ハーネス OT
61 K51757 6 SCREW, C/R PAN 小ネジ 十穴鍋 M02.5X006 ステンレス FE
62 PB65791 2 PLATE プレート FE
63 K5357M 2 SCREW, HEX SOCKET COUNTERSUNK 小ネジ 六角穴皿 M03X006 FE
64 PM01XC4 1 PIN ピン FE
65 N1083A 1 NUT, HEX ナット 六角 M 5 P=0.8 3シュ FE
66 W1023A 1 WASHER, LOCK ワッシャ スプリング 5M/M FE
67 W1040T 1 WASHER, FLAT ワッシャ 平 5M/MX1.0X10(1W-5)(3カ クロ) FE
136
PTS-NXT2-04JE Vol.3