NXTII partlist - 第845页
TRAY UNIT-LT TOWER 2/7 トレイユニット-LT タワー 2/7 QK07D04 No. Drg.No. & Code No. QTY Description Rating Materials Remarks 番号 図番 & コード番号 個 数 品名 規格 材質 備考 79 W1021A 8 WASHER, LOCK ワッシャ ス プ リン グ 3M/M FE 169 PTS-NXT2-04JE Vo…

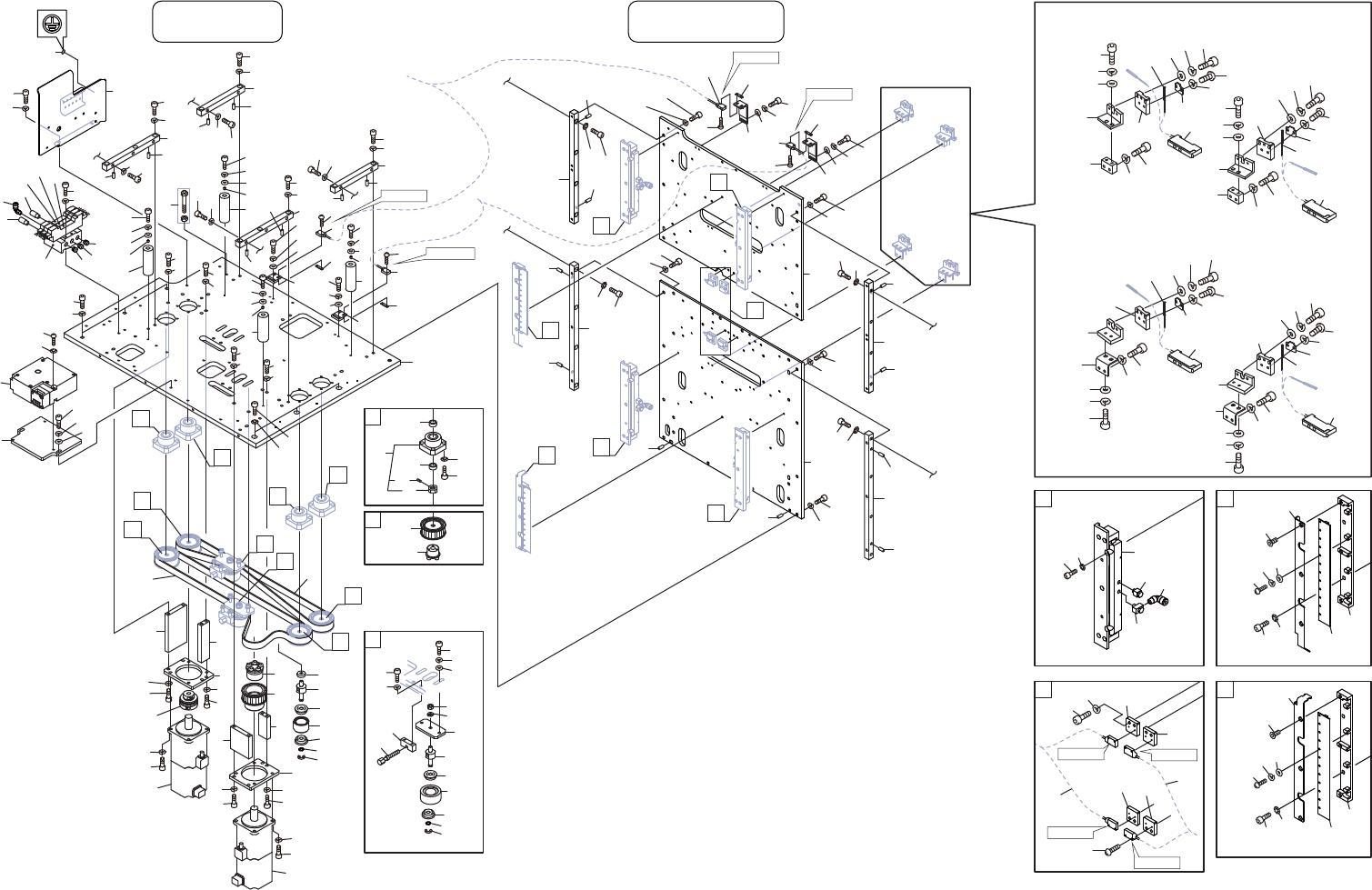
TRAY UNIT-LT TOWER 2/7
トレイユニット-LT タワー 2/7 QK07D04
No. Drg.No. & Code No. QTY Description Rating Materials Remarks
番号 図番 & コード番号 個数 品名 規格 材質 備考
39 PM0CHZ0 1 GUIDE ガイド FE
40 H5289A 2 BOLT, HEX SOCKET ボルト 六角穴 M04X012 FE
41 W1022A 2 WASHER, LOCK ワッシャ スプリング 4M/M FE
42 PB88572 2 PLATE, SW プレート SW FE
43 H5290A 2 BOLT, HEX SOCKET ボルト 六角穴 M04X015 FE
44 W1022A 2 WASHER, LOCK ワッシャ スプリング 4M/M FE
45 W1043A 2 WASHER, FLAT ワッシャ 平 4W- 4 FE
46 S31935 1 SW, LIMIT SW リミット D4NL-1HFG-B OT
47 K5242A 3 SCREW, C/R PAN 小ネジ 十穴鍋 M04X035 ニッケルメッキ FE
48 W1011A 3 WASHER, CONICAL ワッシャ 皿 M- 4-L FE
49 PB95784 1 BKT, COVER BKT カバー FE
50 H5287A 2 BOLT, HEX SOCKET ボルト 六角穴 M04X008 ゼンネジ FE
51 W1022A 2 WASHER, LOCK ワッシャ スプリング 4M/M FE
52 PB97362 1 BKT, COVER BKT カバー FE
53 H5287A 3 BOLT, HEX SOCKET ボルト 六角穴 M04X008 ゼンネジ FE
54 W1022A 3 WASHER, LOCK ワッシャ スプリング 4M/M FE
55 W1043A 6 WASHER, FLAT ワッシャ 平 4W- 4 FE
56 W1022A 6 WASHER, LOCK ワッシャ スプリング 4M/M FE
57 . 6 SPACER スペーサ 4SQ-6 OT
58 K51983 6 SCREW, WASHER ASS'Y 小ネジ 座金組込み M04X008 P=4 ナベセムス(3カ シロ) FE
59 PM071Y1 4 BKT BKT FE
60 H5277A 8 BOLT, HEX SOCKET ボルト 六角穴 M03X012 FE
61 W1021A 8 WASHER, LOCK ワッシャ スプリング 3M/M FE
62 W1042A 8 WASHER, FLAT ワッシャ 平 4W- 3 FE
63 PM071L1 2 BKT BKT FE
64 PM071R1 2 BKT BKT FE
65 H5263A 8 BOLT, HEX SOCKET ボルト 六角穴 M03X018 FE
66 W1021A 8 WASHER, LOCK ワッシャ スプリング 3M/M FE
67 W1042A 8 WASHER, FLAT ワッシャ 平 4W- 3 FE
70 PM0EBD0 2 BKT, SENSOR BKT センサ FE
71 PM0EBE0 2 BKT, SENSOR BKT センサ FE
72 H5275A 8 BOLT, HEX SOCKET ボルト 六角穴 M03X008 FE
73 W1021A 8 WASHER, LOCK ワッシャ スプリング 3M/M FE
74 W1042A 8 WASHER, FLAT ワッシャ 平 4W- 3 FE
75 S40525 4 SENSOR, FIBER センサ ファイバ FU-18M OT
76 H2041A 4 PIN, SPRING ピン スプリング 2゚X 8 OT
77 PB97350 4 PLATE, RETAINING プレート 押え FE
78 K5255T 8 SCREW, HEX SOCKET BUTTON 小ネジ 六角穴ボタン M03X006 FE
168
PTS-NXT2-04JE Vol.3

TRAY UNIT-LT TOWER 2/7
トレイユニット-LT タワー 2/7 QK07D04
No. Drg.No. & Code No. QTY Description Rating Materials Remarks
番号 図番 & コード番号 個数 品名 規格 材質 備考
79 W1021A 8 WASHER, LOCK ワッシャ ス
プ
リン
グ
3M/M FE
169
PTS-NXT2-04JE Vol.3

BB
CC
CC
CC
BB
BB
BB
BB
AA
AA
AA
AA
AA
DD
EE
EE
DD
DD
DD
DD
(0,77(5
5(&(,9(5
5(&(,9(5
5(&(,9(5
5(&(,9(5
(0,77(5
(0,77(5
(0,77(5
72:(5%$&.6,'(
ࢱ࣮࣡ᚋ㒊
72:(5%27720
ࢱ࣮࣡ᗏ㒊
FF
GG
FF
GG
,'237,21
,'237,21
72
74
78
75
76
77
79
80
81
82
83
84
85
86
87
88
89
90
91
92
93
94
95
96
97
96
97
96
97
98
98
99
98
98
99
99
100
100
100
100
101
101
100
100
100
100
102
103
104
103
104
105
105
105
105
105
105
105
105
106
106
107
108
109
108
109
108
109
110
111
112
113
114
114
115
115
116
117
116
117
118
119
120
121
122
123
120
120.1
120.1
118
119
112
108
109
103
103
104
104
102
99
96
97
95
87
73
6
7
8
9
10
8
9
10
11
12
13
14
15
16
17
18
19
20
21
21.1
20
20
22
22
23
24
25
146
26
27
28
29
30
31
29
30
31
32
33
34
34
33
39
40
41
42
43
47
48
51
52
52
53
54
53
54
55
56
57
46
32
23
22
8
9
10
8
9
10
7
7
7
6
6
6
1
2
4
5
3
61
62
63
63
64
65
64
65
64
65
64
65
66
67
68
68
69
70
71
58
59
60
28
124
125
126
127
125
126
127
125
126
127
128
129
129
129
129
128
128
124
124
121
122
123
121
122
123
121
122
123
128
130
131
132
130
130
131
132
135
136
137
138
139
140
141
142
143
144
144
145
141
141
141
131
132
130
131
132
124
33
33
32
34
35
36
37
38
36
37
38
35
34
32
125
126
127
77
150
151
152
153
154
154
155
156
155
156
157
157
158
159
160
158
159
160
75$<81,7/772:(5
ࢺࣞࣘࢽࢵࢺ/7ࢱ࣮࣡
QK07D04
170
PTS-NXT2-04JE Vol.3