NXTII partlist - 第888页
㸯㸰㸱 㸯㸰㸴 㸯㸮㸵 㸯㸯㸮 㸰㸶 㸰㸶 㸰㸵 㸲㸲 㸯㸰㸵 㸱㸷 ࣥࢡࣛࣥࣉ ࢡࣛࣥࣉ 㸯㸱㸮 㸱㸳 㸱㸳 㸱㸳 㹀 㸿 㸱㸷 㸯㸰㸲 㸯㸰㸰 㸴 㸯㸱 㸱㸷 㸯㸴 㸯㸴 㸯㸳 ȭ㸯㸴㹶㸯㸮㹱㹲 ȭ㸯㸴㹶㸯㸮㹱㹲 㸯㸳 㸯㸴 㸯㸴 㸯㸰㸶 㸯㸰㸷 㸯㸱㸯 㸯㸱㸰 㸱㸳 㸯㸱㸱 㸯㸱㸲 㸱㸵 㸰㸶 㸰㸶 㸱㸳 㸰㸶 㸱㸮 㸯㸰㸮 㸯㸰㸯 㸰㸶 㸰㸶 㸱㸶 㸲㸲 㸱㸴 㸰㸵 㸰㸵…

TRAY UNIT-LT TRAY PALLET
トレイユニット-LT トレイパレット AA59L12
No. Drg.No. & Code No. QTY Description Rating Materials Remarks
番号 図番 & コード番号 個数 品名 規格 材質 備考
1 XP01773 1 PALLET パレット OT
2 PB01RS1 1 BKT BKT FE
3 K5169T 6 SCREW, C/R COUNTERSUNK 小ネジ 十穴皿 M02X006(ステンレス) FE
4 PM0BYT2 1 KNOB ツマミ FE
4.1 H5274A 1 BOLT, HEX SOCKET ボルト 六角穴 M03X006 FE
4.2 W1021A 1 WASHER, LOCK ワッシャ スプリング 3M/M FE
6 PX08720 1 SEAL, BAR CODE シール バーコード OT SET, unit serial number
7 PJ20742 1 RAIL レール PL
8 PM0B5G0 12 BOLT ボルト CO
9 W1106C 12 WASHER, LOCK ワッシャ スプリング 3M/M(3カ シロ) FE
10 N10812 12 NUT, HEX ナット 六角 M03 3シュ(3カ クロ) FE
11 PB023R0 1 BKT BKT FE
12 PM03LB1 1 V BLOCK, V ヤゲン V FE
13 K5173Z 2 SCREW, C/R PAN 小ネジ 十穴鍋 M02X007(0バン 1シュ)ステンレス FE
14 W1106B 2 WASHER, LOCK ワッシャ スプリング 2M/M(3カ シロ) FE
15 N1074A 2 NUT, HEX ナット 六角 M 2(SUS) FE
16 PJ20732 1 RAIL レール PL
17 PB023S0 1 BKT BKT FE
18 PB03AR1 1 BKT, LOCATING BKT 位置決め FE
19 K5169M 8 SCREW, C/R COUNTERSUNK 小ネジ 十穴皿 M02X005(ステンレス) FE
20 PM0BZK0 2 V BLOCK, V ヤゲン V FE
21 K51757 4 SCREW, C/R PAN 小ネジ 十穴鍋 M02.5X006 ステンレス FE
22 W1106A 4 WASHER, LOCK ワッシャ スプリング 2.5M/M(3カ シロ) FE
23 PX08280 1 NAMEPLATE 銘板 PL SET
24 PZ08622 1 SHEET シート OT SET, Consumable Parts
25 ABHTB1030 2 GUIDE, SIDE ガイド サイド OT
26 ABHTA2081 6 GUIDE, SIDE ガイド サイド OT
30 PJ18910 1 BKT, SENSOR BKT センサ PL ID OPTION
31 T1013G 1 TAG, RFID タグ RFID OT ID OPTION
32 K5169T 2 SCREW, C/R COUNTERSUNK 小ネジ 十穴皿 M02X006(ステンレス) FE ID OPTION
211
PTS-NXT2-04JE Vol.3

㸯㸰㸱
㸯㸰㸴
㸯㸮㸵
㸯㸯㸮
㸰㸶 㸰㸶
㸰㸵
㸲㸲
㸯㸰㸵
㸱㸷
ࣥࢡࣛࣥࣉ
ࢡࣛࣥࣉ
㸯㸱㸮
㸱㸳
㸱㸳
㸱㸳
㹀
㸿
㸱㸷
㸯㸰㸲
㸯㸰㸰
㸴㸯㸱
㸱㸷
㸯㸴 㸯㸴
㸯㸳
ȭ㸯㸴㹶㸯㸮㹱㹲ȭ㸯㸴㹶㸯㸮㹱㹲
㸯㸳
㸯㸴㸯㸴
㸯㸰㸶 㸯㸰㸷
㸯㸱㸯
㸯㸱㸰
㸱㸳
㸯㸱㸱
㸯㸱㸲
㸱㸵
㸰㸶
㸰㸶㸱㸳
㸰㸶㸱㸮
㸯㸰㸮
㸯㸰㸯
㸰㸶 㸰㸶
㸱㸶
㸲㸲
㸱㸴
㸰㸵
㸰㸵
㸲㸰 㸲㸱
㸯㸰㸳
㸲㸱㸲㸰
72:(5386+(55,*+7
72:(5386+(5/()7
ࢱ࣮࣡ഃࣉࢵࢩ࣮ࣕ㸦ྑ㸧
72:(5386+(55,*+7
ࢱ࣮࣡ഃࣉࢵࢩ࣮ࣕ㸦ྑ㸧
ࢱ࣮࣡ഃࣉࢵࢩ࣮ࣕ㸦ᕥ㸧
72:(5386+(5/()7
ࢱ࣮࣡ഃࣉࢵࢩ࣮ࣕ㸦ᕥ㸧
ࣉࢵࢩ࣮ࣕ㸦ୗ㸧
386+(5㸦/2:(5㸧
㸲㸰 㸲㸱
㸯㸮㸷
㸲㸱㸲㸰
㸰㸵
㸰㸵
㸱㸴
㸲㸲
㸱㸶
㸰㸶㸰㸶
㸯㸮㸲
㸯㸮㸳
㸯㸮㸱
㸱㸮
㸱㸮
㸰㸶 㸱㸳
㸱㸳
㸯㸯㸵
㸯㸯㸴
㸯㸯㸳
㸯㸯㸶
㸯㸯㸷
㸰㸶
㸯㸯㸲
㸯㸯㸰㸯㸯㸰
㸯㸴 㸯㸴
ࢱ࣮࣡㒊ࣃࣞࢵࢺࢡࣛࣥࣉࠉ㸦ୖ㸧
㸯㸳
ȭ㸯㸴㹶㸯㸮㹱㹲 ȭ㸯㸴㹶㸯㸮㹱㹲
㸯㸳
ࢱ࣮࣡㒊ࣃࣞࢵࢺࢡࣛࣥࣉࠉ㸦ୗ㸧
72:(53$//(7&/$03ࠉ㸦833(5㸧 72:(53$//(7&/$03ࠉ㸦/2:(5㸧
㸯㸴㸯㸴
㸱㸷
㸯㸱 㸴
㸯㸮㸴
㸯㸮㸶
㸱㸷
㸿
㹀
㸰㸮
㸳
㸰㸮
㸰㸮
㸱㸳
㸱㸳
㸱㸳
㸱㸳
㸯㸯㸱
'2256,'(386+(5
ᡬഃࣉࢵࢩ࣮ࣕ
'2256,'(386+(5
ᡬഃࣉࢵࢩ࣮ࣕ
81&/$03
&/$03
ࣥࢡࣛࣥࣉ
ࢡࣛࣥࣉ
81&/$03
&/$03
ࣥࢡࣛࣥࣉ
ࢡࣛࣥࣉ
81&/$03&/$03
ࣥࢡࣛࣥࣉ
ࢡࣛࣥࣉ
81&/$03&/$03
ࣥࢡࣛࣥࣉ
ࢡࣛࣥࣉ
81&/$03 &/$03
ࣥࢡࣛࣥࣉ
ࢡࣛࣥࣉ
81&/$03 &/$03
㸱㸷
㸯㸯㸯
㸲㸲
㸰㸵
㸯㸱㸳 㸯㸱㸴
㸰㸶 㸱㸮
㸯㸱㸵 㸯㸱㸶
㸱㸳 㸰㸶
㸰㸶
ᒓရࢆ⏝㸦㹎࣏࣮ࢺ㸧
࣐࣮ࢡ࣐࣮ࢡ
㸱㸵㸱㸵
࣐࣮ࢡ㸦㸰㸮㸧
࣐࣮ࢡ㸦㸳㸮㸧࣐࣮ࢡ㸦㸳㸮㸧
࣐࣮ࢡ㸦㸰㸮㸧
ࣉࢵࢩ࣮ࣕ㸦ୖ㸧
386+(5㸦833(5㸧
ࢱ࣮࣡㒊ࣃࣞࢵࢺࢡࣛࣥࣉࠉ㸦ୖ㸧 ࢱ࣮࣡㒊ࣃࣞࢵࢺࢡࣛࣥࣉࠉ㸦ୗ㸧
72:(53$//(7&/$03ࠉ㸦833(5㸧 72:(53$//(7&/$03ࠉ㸦/2:(5㸧
㸱㸵
81&/$03
&/$03
81&/$03
&/$03
81&/$03
&/$03
81&/$03
&/$03
Ref.2/
࠙㹓㹊㸰ࠚ
࠙㹓㹐㸰ࠚ
࠙㹒㸰ࠚ
࠙㸰ࠚ
࠙㸯ࠚ
࠙T㸯ࠚ
࠙㹓㹐㸯ࠚ
࠙㹓㹊㸯ࠚ
762/ 762/ 762/ 762/
࠙㸴ࠚ࠙㸳ࠚ
7/6 7/6 7/6 7/6
7/6 7/6 7/6 7/6
QK07N02
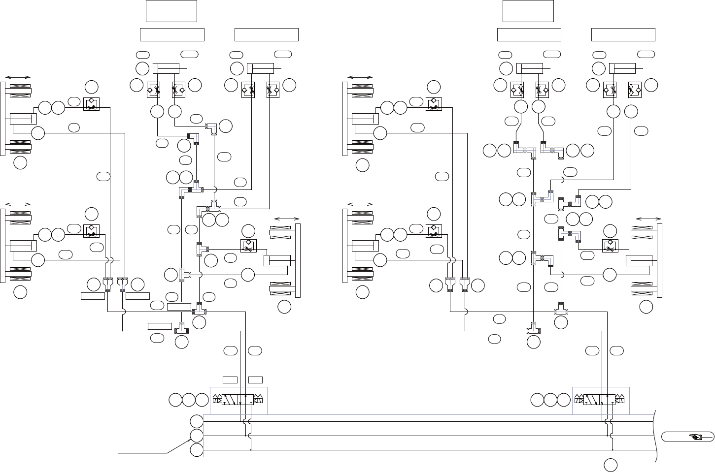
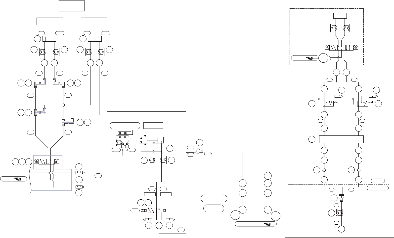
ࢺࣞࣘࢽࢵࢺ/7࢚࣮㓄⟶ᅗ
75$<81,7/731(80$7,&&,5&8,7',$*5$0
212
PTS-NXT2-04JE Vol.3

㸱㸳
㸰㸶
㸱㸮 㸱㸮
㸯㸲㸯 㸯㸲㸰
㸱㸶
㸱㸶
㸰㸶 㸰㸶
㸯㸴 㸯㸴
㸯㸳㸯㸳
㸯㸴㸯㸴
㸰㸶㸰㸶
㸰㸶
㸱㸳
㸯㸲㸳㸯㸲㸲
㸰㸶㸰㸶
㸯㸲㸱
㸯㸱㸷 㸯㸲㸮
㸯㸮㸰
㸯㸲㸴
ȭ㸯㸴㹶㸯㸮㹱㹲
㸯㸯
㸶
㸯㸯
㸲㸯
ȭ㸯㸴㹶㸯㸮㹱㹲
㸱㸰
㸱㸯
㸱㸰
㸱㸯
㸯㸶㸰㸲
㸯㸰
㹀
㸿
㸰㸳
㹀
㸿
㸰㸴
㸯
㸴
㸿
㹀
㸯㸱
㸯
࣐࣮ࢡ
࣐࣮ࢡ
࣐࣮ࢡ
ࣉࢵࢩ࣮ࣕ㸦୰㸧
386+(5㸦0,''/(㸧
㸯㸲㸵
㸷㸷
81&/$03
&/$03
81&/$03
&/$03
81&/$03
&/$03
81&/$03
6833/<&/$:23(1&/26(
౪⤥㒊∎㛤㛢
6833/<&/$:23(1&/26(
౪⤥㒊∎㛤㛢
3$//(7&+8&.
ࣃࣞࢵࢺࢳࣕࢵࢡ
0$&+,1(6,'(
⨨ഃ
75$<81,76,'(
ࢺࣞࣘࢽࢵࢺഃ
kk
JJ
Ref.DEVICE BASE
Ref.1/2
LEFT RIGHT
㹀ࢳࣕࢵࢡ
㸿ࢳࣕࢵࢡ
㸯㸮
ȭ㸰㸮㹶㸯㸳
㹀࡛ࢳࣕࢵࢡ㸦㹁㹗㹊㛤㸧
㸿࡛ࣥࢳࣕࢵࢡ㸦㹁㹗㹊㛢㸧
T2SOL7
762/ 762/
6+877/(&+8&.
ࢩࣕࢺࣝࢳࣕࢵࢡ
7/6
7/6
7/6 7/6 7/6 7/6
࠙㸲ࠚ࠙㸱ࠚ
f’f’
Ref.BED
7㸯㸱
7㸯㸰
7㸯㸯
7㸯㸮
7㸷
7㸯㸮
7㸷
7㸶7㸶
7㸵
࣐ࢽ࣮࣍ࣝࢻ
7㸴 7㸴
7㸴7㸴
7㸳7㸳
7㸰7㸰
7㸯 7㸯
㹃㹀㹎㹃㸿
㹀㸿
7㸲
㸿
㹐㹎
7㸱
7㸲
7㸱
㹎㹐
㸿
7㸯㸮㸱 7㸯㸮㸱
7㸯㸮㸲
7㸯㸮㸳
7㸯㸮㸰7㸯㸮㸰
7㸯㸮㸯 7㸯㸮㸯
1;7,,
75$<81,7/7
0$1,)2/'
QK07N02
ࢺࣞࣘࢽࢵࢺ/7࢚࣮㓄⟶ᅗ
75$<81,7/731(80$7,&&,5&8,7',$*5$0
213
PTS-NXT2-04JE Vol.3