SER09989020_YV100II Service_J - 第200页
5- 9 SER09989020 電源接続・ I/O リスト・その他 第 5 章 3 3 . 機器間入出力信号 マウンターは、後行程機からの信号を受けると基板を排出し、別の基板を要求す るために前行程機へ信号を送ります。 GATE IN コネクターは後行程機と接続し、 GATE OUT コネクターは前行程 機と接続します。どちらのコネクターもマウンター前面の右下パネルの内側に位 置しています。 ■ 機器間の接続 20045003-00 …

5-
8
SER09989020
電源接続・I/Oリスト・その他
第
5
章
2
2.2 DI
識別 役割
NE01 シーケンス参加ヘッド1(メモリー)
NE02 シーケンス参加ヘッド2(メモリー)
NE03 シーケンス参加ヘッド3(メモリー)
NE04 シーケンス参加ヘッド4(メモリー)
NE05 シーケンス参加ヘッド5(メモリー)
NE06 シーケンス参加ヘッド6(メモリー)
NE07 シーケンス参加ヘッド7(メモリー)
NE08 シーケンス参加ヘッド8(メモリー)
NE09 拡張用DI
NE10 拡張用DI
NE11 拡張用DI
NE12 拡張用DI
NE13 拡張用DI
NE14 拡張用DI
NE15 ヘッドシーケンス完了
NE16 タイマービジー
NG01 ヘッド01 の下降端
NG02 ヘッド02 の下降端
NG03 ヘッド03 の下降端
NG04 ヘッド04 の下降端
NG05 ヘッド05 の下降端
NG06 ヘッド06 の下降端
NG07 ヘッド07 の下降端
NG08 ヘッド08 の下降端
NG09 X 軸原点
NG10 Z 軸原点
NG11 R 軸原点
NG12 ノズル下降
NG15 X 軸リミット
NH01 HEAD1 吸着判定
NH02 HEAD2 吸着判定
NH03 HEAD3 吸着判定
NH04 HEAD4 吸着判定
NH05 HEAD5 吸着判定
NH06 HEAD6 吸着判定
NH07 HEAD7 吸着判定
NH08 HEAD8 吸着判定
NH09 HEAD1 装着判定
NH10 HEAD2 装着判定
NH11 HEAD3 装着判定
NH12 HEAD4 装着判定
NH13 HEAD5 装着判定
NH14 HEAD6 装着判定
NH15 HEAD7 装着判定
NH16 HEAD8 装着判定
NJ01 Y軸原点
NJ05 Y軸リミット
NJ08 前側一括交換フィーダー浮き検出
NJ09 フルキーボード無効 サービスキー
NJ10 前側フィーダー浮き検出
NJ11 前側一括交換用エリアセンサー
NJ12 基板搬出許可(GATE IN)
NJ13 カバーEMG解除(サービスキー)
NJ14 コンタクター OK
NJ15 カウントリセット
識別 役割
NL01 入口ストッパー1基板検出
NL02 コンベア入口基板検出
NL03 コンベア出口基板検出
NL04 入口ストッパー2基板検出
NL05 前側サルベージボックス
NL09 基板固定位置基板検出
NL10 プレートプッシュアップ上昇端
NL11 ロケートピン1 上昇端
NL12 ロケートピン2 上昇端
NL14 ノズルステーション クランプ確認
NL15 プレート固定
NM02 W軸原点
NM08 後側一括交換フィーダー浮き検出
NM09 エアー圧力ダウン検出
NM10 後側フィーダー浮き検出
NM11 後側一括交換用エリアセンサー
NM14 SMEMA DISCRIMINATION
NM15 SMEMA BA IN
NN01 ノズル 1
NN02 ノズル 2
NN03 ノズル 3
NN04 ノズル 4
NN05 ノズル 5
NN06 ノズル 6
NN07 ノズル 7
NN08 ノズル 8
NP13 前側ノズルステーション クランプ確認
NP14 前側ノズルステーション クランプ確認
NP15 ノズルステーション下降検出
NP16 ノズルステーション上昇検出
NQ01 トレイチェンジャー パレット原点
NQ02 トレイチェンジャー フック OPEN
NQ03 トレイチェンジャー フック CLOSE
NQ04 トレイチェンジャー パレット ステージ セット
NQ08 トレイチェンジャー ドア1 インターロック
NQ09 トレイチェンジャー ドア2 インターロック
NQ10 マガジン1 入(外部トレイ), ラッチ開
NQ11 マガジン2 入(外部トレイ), ラッチ閉
NQ12 外部トレイ ヘッド ビームセンサー
NQ13 外部トレイ ヘッド 吸着
NQ15 外部トレイ ヘッド 下降端
NQ16 トレイチェンジャー 基板判別 CONVEYOR
NR01 外部トレイ トラバーサーステーション1 吸着
NR02 外部トレイ トラバーサーステーション2 吸着
NR03 外部トレイ トラバーサーステーション3 吸着
NR05 トレイチェンジャー フック 前進
NR06 トレイチェンジャー フック 後退
NR07 トレイチェンジャー 基板判別
NR08 トレイチェンジャー +24V OK
NR09 トレイチェンジャー ドア1 スイッチ
NR10 トレイチェンジャー ドア2 スイッチ
NR11 外部トレイ コンベア 入口
NR12 外部トレイ 基板検出
NR13 外部トレイ コンベア 出口
NR14 外部トレイ AUTO/MANUAL切替
NR15 外部トレイ 基板チェック OK
NR16 外部トレイ W 軸原点

5-
9
SER09989020
電源接続・I/O リスト・その他
第
5
章
3
3. 機器間入出力信号
マウンターは、後行程機からの信号を受けると基板を排出し、別の基板を要求す
るために前行程機へ信号を送ります。
GATE IN コネクターは後行程機と接続し、GATE OUT コネクターは前行程
機と接続します。どちらのコネクターもマウンター前面の右下パネルの内側に位
置しています。
■ 機器間の接続
20045003-00
SIGNAL SIGNAL
GATE OUT
COUNT RESET
GATE IN
COUNT RESET
GATE INGATE OUT
基板
基板
前行程機
後行程機
本機
■ ゲート信号コネクタ
10045001-00
GATE IN GATE OUT

5-
10
SER09989020
電源接続・I/Oリスト・その他
第
5
章
3
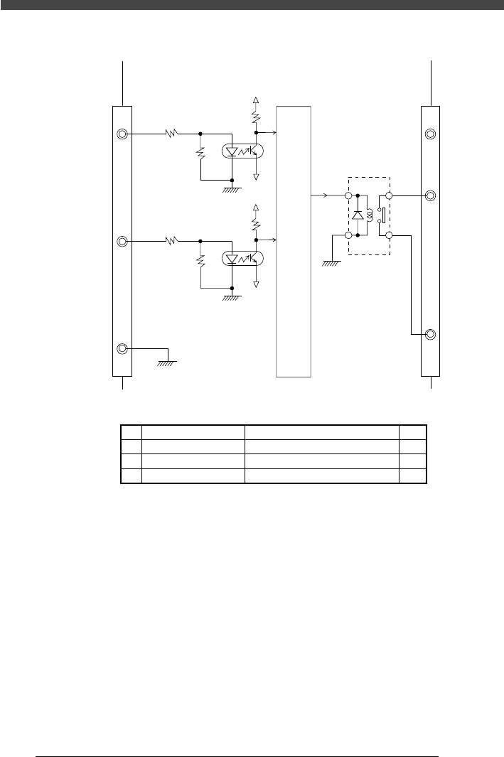
■ GATE IN・GATE OUT 回路
20045002-00
+5V
510
GND
510
GND
8
16
4
12
TK05XTK05
TK05Y
Logic
Circuit
KA11
K35-M6521-000
RELAY,1
G6B-4BND(DC24V),OMRON
Spare parts;Quarter Unit
K35-M6521-400
RELAY,1
G6B-1114P-FD-US(DC24V),OMRON
NJ15
NJ12
+24C
(COMMON)
GATE IN CONNECTOR
GATE OUT CONNECTOR
#1
#2
#3
1
2
3
-24C
(GND24)
-24C
(GND24)
-24C
(GND24)
5.6K
5.6K
#2
#1
3
基板搬出許可信号 (入力)
カウンターリセット信号 (入力)
基板搬入要求信号 (出力)
NJ12
NJ15
TK05
GATE IN
COUNT RESET
GATE OUT
No.
コネクター
信号名 記号