PTS-FIFEEDER-16.1. - 第37页
FEEDER W08 f 2/2 フィ ーダ W0 8f 2 /2 2ADLF A006130 No. Drg.No. & Cod e No. QT Y Description Ra ting Re marks 番号 図番 & コード番号 個数 品名 規格 備考 1 PH017 1 5 1 GUIDE ガイド 2 PP026 9 3 1 SL IDE, AUXILIARY スライ ド ホ ジヨ 3 H6885 0 2 …

E
E
D
A
Ref.1/
A
J
J
K
Ref.1/
1
2
46
47
4
5
6
3
7
8
45
9
11
12
13
14
15
16
17
18
19
20
21
22
23
24
25
26
27
28
29
30
32
33
34
35
35
37
42
42
43
44
39
40
31
41
10
38
52
51
FEEDER W08f 2/2
2ADLFA006130
36
PTS-FIFEEDER-16.1

FEEDER W08f 2/2
フィーダ W08f 2/2
2ADLFA006130
No.
Drg.No. & Code No.
QTY
Description
Rating
Remarks
番号
図番
&
コード番号
個数
品名
規格
備考
1
PH01715
1
GUIDE
ガイド
2
PP02693
1
SLIDE, AUXILIARY
スライド ホジヨ
3
H68850
2
BOLT, HEX SOCKET
ボルト 六角穴
SEH0306
4
2MDLFA065201
1
BOLT, HEX SOCKET
ボルト 六角穴
5
W1106C
1
WASHER, LOCK
ワッシャ スプリング
3M/M(3
カ
シロ
)
6
W1108B
1
WASHER, FLAT
ワッシャ 平
3M/MX0.5X7(3
カシロ
)
7
PZ02321
1
SPRING
スプリング
8
PT01871
1
CLAMPER
クランパ
9
2MDLFA295800
1
WIRE
ワイヤ
10
K69487
1
SCREW, HEX SOCKET COUNTERSUNK
小ネジ 六角穴皿
M03X008(3
カ
シロ
)
SL-250
ショリ
11
2MDLFA105802
1
PLATE, REAR
プレート リヤー
12
K69488
3
SCREW, HEX SOCKET COUNTERSUNK
小ネジ 六角穴皿
M04X008(3
カ
シロ
)
SL-250
ショリ
13
PH01816
1
HANDLE
取手
14
K53579
3
SCREW, HEX SOCKET COUNTERSUNK
小ネジ 六角穴皿
M03X010(3
カ
シロ
)
15
N1079W
3
NUT, HEX
ナット 六角
M03 3
シュ
(3
カ
シロ
)
16
2MDLFA063502
1
LEVER
レバー
17
PT01884
1
CLIPPER, WIRE
クリツパ ワイヤ
18
K5357X
1
SCREW, HEX SOCKET COUNTERSUNK
小ネジ 六角穴皿
M03X008(3
カ
シロ
)
19
N4018A
1
SCREW, HEX SOCKET SET
ネジ 六角穴止め
M03X003
クボミサキ
20
PM03663
1
PIN
ピン
21
K64283
1
SCREW, HEX SOCKET COUNTERSUNK
小ネジ 六角穴皿
M04X008(3
カシロ
)
22
PP02627
1
LEVER
レバー
23
PH01671
1
ROLLER
ローラ
24
PM066B2
1
PIN, ROLLER
ピン ローラ
25
K5357L
1
SCREW, HEX SOCKET COUNTERSUNK
小ネジ 六角穴皿
M03X006(3
カ
シロ
)
26
PH01682
1
ROLLER
ローラ
27
PM066A5
1
PIN, PIVOT
ピン 支点
28
K5357L
1
SCREW, HEX SOCKET COUNTERSUNK
小ネジ 六角穴皿
M03X006(3
カ
シロ
)
29
PM0BAD1
1
RETAINER, SPRING
押え スプリング
30
PZ50900
1
SPRING
スプリング
31
2AGKFA000201
1
BOARD, PRINTED CIRCUIT
基板 プリント
32
K5170M
2
SCREW, C/R TRUSS
小ネジ 十穴トラス
M02X005(
ステンレス
)
33
N60680
2
NUT, HEX
ナット 六角
M02 3
シュ
(3
カ
シロ
)
34
PS04040
1
SEAL
シール
35
PJ20961
2
PLATE
プレート
37
2MDLFA032201
1
PLATE
プレート
38
PH02063
1
COVER, SWITCH
カバー SW
39
XK05546
1
BOARD, PRINTED CIRCUIT
基板 プリント
40
2MDLFA190801
1
SHEET SW
シートSW
41
PB03TS5
1
PLATE, SEAL
プレート シール
42
2MDLFA067200
2
SEAL
シール
W08f
43
2MDLFA067400
1
SEAL, BAR CODE
シール バーコード
W08f, unit serial number
44
PX09210
1
SEAL
シール
45
2MDLFA010702
1
TAPE, SEAL
テープ シール
46
2MDLFA035701
1
SHEET, RUBBER
シート ゴム
47
2MDLFA035901
1
SHEET, RUBBER
シート ゴム
51
AA8GF03
1
SENSOR
センサ
52
K5357L
2
SCREW, HEX SOCKET COUNTERSUNK
小ネジ 六角穴皿
M03X006(3
カ
シロ
)
37
PTS-FIFEEDER-16.1

18
12
10
7
19
10
11
23
21
3
2
6
5
15
3
8
4
22
16
24
19
9
18
25
10
17
17
17
17
17
17
20
20
20
20
24
26
31
32
32
32
13
14
13.1
1
32
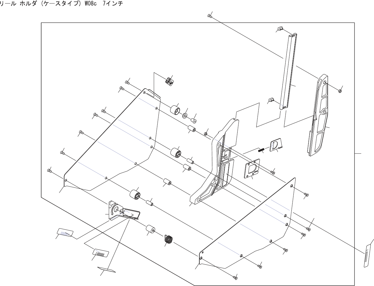
REEL HOLDER (CASE TYPE) W08c 7inch
AA5NC14
38
PTS-FIFEEDER-16.1