IP-IIIE-11 - 第139页
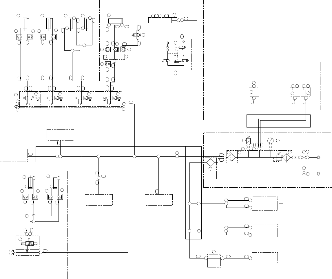
IP- III E P ARTS LIST ver1 1 4 3 . 1 . エアー配管図( Q P Z ) 4 3 . 1 . P n e u m a t i c c i r c u i t d i a g r a m ( Q P Z ) 4 3 - 1 4 3 . 1 . エアー配管図( Q P Z ) 4 3 . 1 . P n e u m a t i c c i r c u i t d i a g r a m ( Q P Z )…

42.エアー機器 4(QPZ)
42.Air device 4(QPZ)
番号 図番 & コード番号 個数 品名 規格 備考
No. Drg.No. & Code No. QTY Description Rating Remarks
1 KPA2400 2 HOSE, AIR ホース エアー
2 PPZ0240 2 MANIFOLD マニホールド
3 K1086A 2 COUPLER カプラ 20SM
4 Y3081C 2 UNION, ELBOW ユニオン エルボ KQ2L12-02S
5 K5209A 2 SCREW, TRUSS 小ネジ トラス M4X8L
6 S5051K 2 SOCKET ソケット SMK-01 ・
IP-ⅢE PARTS LIST ver11 42 - 2
42.エアー機器 4(QPZ)
42.Air device 4(QPZ)

IP-
III
E PARTS LIST ver11
43.1.エアー配管図(QPZ)
43.1.Pneumatic circuit diagram(QPZ)
43 - 1
43.1.エアー配管図(QPZ)
43.1.Pneumatic circuit diagram(QPZ)
Ref.31-1
Ref.31-1
Ref.31-1
Ref.33-7
x3
ベッド後側面
(QPZ)
φ8
φ8
φ6
φ6
オプション
AB
PRR2 1
AB
S2S1
PR
R2
1
ベッドの中
ベッド前面ダクトの中
ロボットベースの中
ベッドの中
φ10
φ4
φ4
φ6
φ6
φ4
φ6
φ6
(国内)
(海外)
φ8
φ8
φ8
φ8
φ12
φ12
φ10
1ST
2ST
基板バキューム基板リフタ
幅決めノッチ
インコンベア
飛び出し防止ストッパ
メインコンベア
基板ストッパ
φ10
(ベッド後部中央)(ベッド後部右側)
ベッド左側面
(QPZ)
コンベア
(QQC)
φ6
基準ピン
(QPQ)
Y テーブル
(QPT)
ノズルチェンジ 2
ノズル切換え 1
ノズル切換え 2
ノズルチェンジ 1
NO.2 ヘッド
NO.1 ヘッド
NGパーツ回収
MFU
φ6
(OUT) (IN) (OUT) (IN)
φ4
TP-08C
φ8
φ4
φ4
φ4
φ4
φ4
φ6
φ6
φ6
φ6
φ4
φ4
φ4
φ4
φ4
φ4
φ4
φ4
φ4
φ4
φ6
φ6 φ6
φ6
φ8 φ10
AB
PRR2 1
AB
PRR2 1
P
R1
R2
B
A
φ8
3 4
77
79
5
77
7777
17
17
17
17
70
70
8
102
103
C1
C1
C2
C3
C4
C5
C6
C6
C5
C4
C3
C2
C5
C1
C2
C3
C4
C5
C6
C6
Main conveyor
board stopper
In conveyor
stopper
Positioning notch
Conveyor
A2
T2
T1
T2
T2
T1 T1
78 75
76
18
18
18
18
21
101
101
7273
6
φ6
T4
T3
T4
T3
T4T5
T5
T4
Board lifter Board vacuum
71
6968
22
T6
T6
A2
Y table
Nozzle selection 1
Nozzle change 1
99515150
A2
A2
A2
A2A2
83
Inside bed duct
50
4951
A2
Nozzle selection 2
Nozzle change 2
81
82
81
84
70
17
17
17
17
70
80
87
87
80
87
87
A2
Q1
Q2
Q1
Q2
Q2
Q1
Reference pin
Inside bed
Inside robot base
10096
49
109
Rear side bed
48
47
34
47
62 63 63 62
33
33
45 45
A1
A1
A1
Inside bed
(Rear middle side bed)
(Rear right side bed)
98
44
29
28
41
30
43
40 39 38
42
43
26
3637
121
25
65
122
25
A1
A2
A2
A1
A1
Left side bed
Option
(Foreign)
(Domestic)
NO.2 head
NO.1 head
Reject parts recovery
クランプ
9
67
60
5897
88
97
88
58
60
A2
A2
A2 A2
A2
A2
A2
Clamp
36
120
100
109
102
106107107107
105
208
176
165
175
161
175
161
175
161
183
162
176
167
175
161
13
13
B
A
139
26

43.1.エアー配管図
43.1.Pneumatic circuit
番号 図番 & コード番号 個数 品名 規格 備考
No. Drg.No. & Code No. QTY Description Rating Remarks
3 S2126N 1 CYLINDER, AIR シリンダ エアー CXSM10-40-Z73L
4 S2095H 1 CYLINDER, AIR シリンダ エアー CDJ2B10-35-C73L
5 S2105T 1 CYLINDER, AIR シリンダ エアー CDQ2B20-15D-A73
6 S2124T 1 CYLINDER, AIR シリンダ エアー CQ2D25-35DCM
8 PPZ0112 1 VALVE, SOL バルブ SOL
9 PPZ0122 1 VALVE, SOL バルブ SOL
17 K5325A 28 CONTROLLER, SPEED コントローラ スピード M4R-M5-0 [52]
18 K5326Z 4 CONTROLLER, SPEED コントローラ スピード M6R-01-1
21 H1063H 1 VALVE, MECHANICAL バルブ メカニカル VM121-01-01-X1
22 H1006T 1 GENERATOR, VACUUM 発生器 真空 VDBL12P8-06SA
25 H1059T 1 VALVE, BALL バルブ ボール RP-LL-3/8
26 H30302 1 FILTER REGULATOR フィルタ レギュレータ AW4000-03CGR
28 S3060H 1 SPACER スペーサ Y44-03
29 S4016T 1 SEPARATOR, MIST セパレータ ミスト AFM4000-03R
30 S3157A 1 SW, PRESSURE SW プレッシャ IS300-02L5-X220
33 PPZ0240 2 MANIFOLD マニホールド
34 PPZ0290 1 TERMINAL ターミナル
36 H1282A 2 PIPE, DOUBLE ENDED パイプ 両口 3/8X25
37 A4061A 1 ELBOW エルボ 3/8.
38 Y3021Z 1 UNION ユニオン PAX12-03
39 Y3086A 1 UNION, HALF ユニオン ハーフ KQ2H10-03S
40 H3075A 1 BUSHING ブッシュ 3/8-1/4
41 A3033A 1 PLUG 埋栓 3/8.
42 A4053A 1 ELBOW エルボ 1/4.
43 H1214A 1 PIPE, DOUBLE ENDED パイプ 両口 1/4X25
44 Y3021E 1 UNION ユニオン PA10-03
45 Y3081C 2 UNION, ELBOW ユニオン エルボ KQ2L12-02S
47 Y3085A 2 UNION, HALF ユニオン ハーフ KQ2H10-02S
48 H3128A 1 PLUG プラグ PP-10
49 K50767 2 CONNECTOR コネクタ KQ2U08-10
50 Y3069H 2 UNION ユニオン KQ2R06-08
51 Y3023M 3 UNION ユニオン PEG8-6
58 S2146A 2 JOINT ジョイント BF4BU-M3
60 Y3078A 2 UNION, ELBOW ユニオン エルボ KQ2L06-01S
62 S5021T 2 SOCKET ソケット 30SAH
63 S5021K 2 SOCKET ソケット SMK-01
65 H43251 1 NIPPLE ニップル For overseas use
67 Y3066H 1 UNION ユニオン KQ2E04-00
68 Y3084T 1 UNION, HALF ユニオン ハーフ KQ2H08-01S
IP-ⅢE PARTS LIST ver11 43 - 2
43.1.エアー配管図
43.1.Pneumatic circuit diagram