IP-IIIE-11 - 第202页
IP- III E P ARTS LIST ver1 1 6 1 . M T U - 4 R E エアー配管図( Q P Z ) 6 1 . M T U - 4 R E P n e u m a t i c c i r c u i t d i a g r a m ( Q P Z ) 6 1 - 1 6 1 . M T U - 4 R E エアー配管図( Q P Z ) 6 1 . M T U - 4 R E P n e u m a t i…

60.MTU-4RE アウトコンベア(ローラ搬送)(QMQ)
60.MTU-4RE Out conveyor(Roller guided)(QMQ)
番号 図番 & コード番号 個数 品名 規格 備考
No. Drg.No. & Code No. QTY Description Rating Remarks
1 QNQ3010 4 NUT ナット
2 QMQ3020 12 NUT ナット
3 MQC1292 12 PULLEY プーリ
4 CLC2210 14 GUIDE, BELT ガイド ベルト
5 K5261A SCREW, HEX SOCKET BUTTON 小ネジ六角穴ボタン M5X10L ・
IP-ⅢE PARTS LIST ver11 60 - 2
60.MTU-4RE アウトコンベア(ローラ搬送)(QMQ)
60.MTU-4RE Out conveyor(Roller guided)(QMQ)

IP-
III
E PARTS LIST ver11
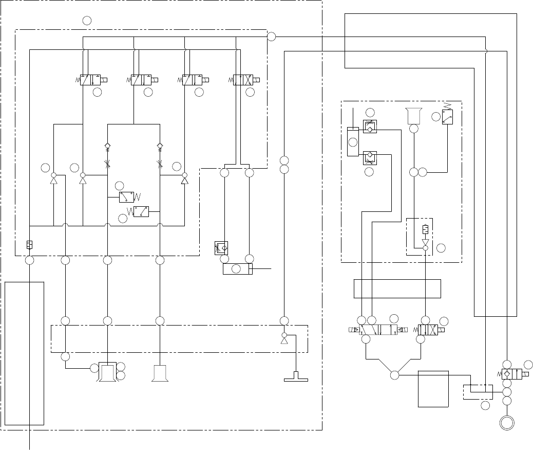
61.MTU-4RE エアー配管図(QPZ)
61.MTU-4RE Pneumatic circuit diagram(QPZ)
61 - 1
61.MTU-4RE エアー配管図(QPZ)
61.MTU-4RE Pneumatic circuit diagram(QPZ)
Ref.31-1
Ref.31-1
Ref.31-1
Ref.33-7
φ4
φ4
24
ベッドの下(開放)
ケーブルベア
ケーブルベア
ケーブルベア
ベッド
φ8
φ4
φ4
φ10
6
35
1
2120
222222
23
VAF-011
SV1SV2SV3
SV4
EJ1EJ2EJ3
VSW1
VSW2
22
φ10
φ6
φ6
φ4
φ4
φ4
φ4
φ4
Nozzle 1(Inside)
リムーバ
ノズル切換え
ノズルヘッド
Sub robot head
15
φ4
SP-4-LB
パーツクランプ
パーツキャリアヘッド
Parts carrier head
φ4
φ10
17
14
11
X
25
8
5
4
3
2
1
26
11
8
11
12
φ6 φ6
28
28
29
Bed
27
φ4 φ4
9
13
27
16
Fiexible track
Part clamp
FIexible track
サブロボットヘッド
18
34
303030
7
32
35
33
32
32
36
33
353535
Nozzle Head
ノズル 1(内側)
ノズル 2(外側)
ノズル 3(オプション)
Nozzle 2(Outside)
Nozzle 3(Option)
Remover
31
Bed(Open)
Fiexible track
Nozzle selection
x2
208
176
165
175
161
175
161
175
161
183
162
176
167
175
161
13
13
B
A
139
26

61.MTU-4RE エアー配管図
61.MTU-4RE Pneumatic citcuit diagram
番号 図番 & コード番号 個数 品名 規格 備考
No. Drg.No. & Code No. QTY Description Rating Remarks
1 Y3080A 2
UNION, ELBOW
ユニオン エルボ KQ2L10-02S
2 A4053A 1 TEE ティー 1/4.
3 Y3082D 1
UNION, ELBOW
ユニオン エルボ KQ2VD06-02S
4 H1130A 1 VALVE, SOL バルブ SOL VXD2130-02-5G-B
5 Y3085A 1
UNION, HALF
ユニオン ハーフ KQ2H10-02S
6 A4066K 1
ELBOW
エルボ KQL10-00
7 A4066H 1
ELBOW
エルボ KQ2L10-99
8 Y3049L 2
UNION, ELBOW
ユニオン エルボ KJL06-M5(シロ)
9 H1075N 1 VALVE, SOL バルブ SOL PCS-241-M5-D24-SP
11 Y3049G 3
UNION, ELBOW
ユニオン エルボ KJL04-M5(シロ)
12 H1214A 1
PIPE, DOUBLE ENDED
パイプ 両口
1/4X25
13 H1008H 1
GENERATOR, VACUUM
発生器 真空
VUH07-44A
14 Y3034G 1
UNION
ユニオン KJT04-00(シロ)
15 S2110T 1
CYLINDER, AIR
シリンダ エアー CDQ2D12-30DM-A77
16 S3149A 1
SW, PRESSURE
SW プレッシャ PS3-102V
17 Y3061E 1
UNION, HALF
ユニオン ハーフ KJS04-M5(シロ)
18 QMH1311 1 VACUUM UNIT シンクウユニット VAF011
20 A4090A 1
ELBOW, UNIVERSAL
エルボ ユニバーサル M-5UL
21 A4067Z 1
ELBOW
エルボ M-5HL-4
22 A4067A 4
ELBOW
エルボ M-3ALU-4
23 A4067H 1
ELBOW
エルボ M-3AU-4
24 R2037A 1 RING リング WR0425
25 H10681 1 VALVE, SOL バルブ SOL PCD-242-M5-D24SP
26 Y3034M 1
UNION
ユニオン KJU06-00(シロ)
27 K53382 2
CONTROLLER, SPEED
コントローラ スピード AS1301F-M5-04(シロ)
28 H3145H 2
PLUG
プラグ M-3P
29 S2100X 1
CYLINDER, AIR
シリンダ エアー CDQP2B16-25D-A73H
30 . 3 VALVE, SOL バルブ SOL PCS241-NB-D24SP
31 . 1 VALVE, SOL バルブ SOL PCC232-NB-D24SP
32 . 3 GENERATOR, VACUUM 発生器 真空 VHN07H
33 . 2 SW, PRESSURE SW プレッシャ VUS10-CJAS
34 A4042D 1
ELBOW
エルボ PL6-M6M
35 . 5 UNION ユニオン POC4-M5M
36 . 1 UNION ユニオン PC8-01
・
IP-ⅢE PARTS LIST ver11 61 - 2
61.MTU-4RE エアー配管図
61.MTU-4RE Pneumatic citcuit diagram