CP-642E-07.pdf - 第114页

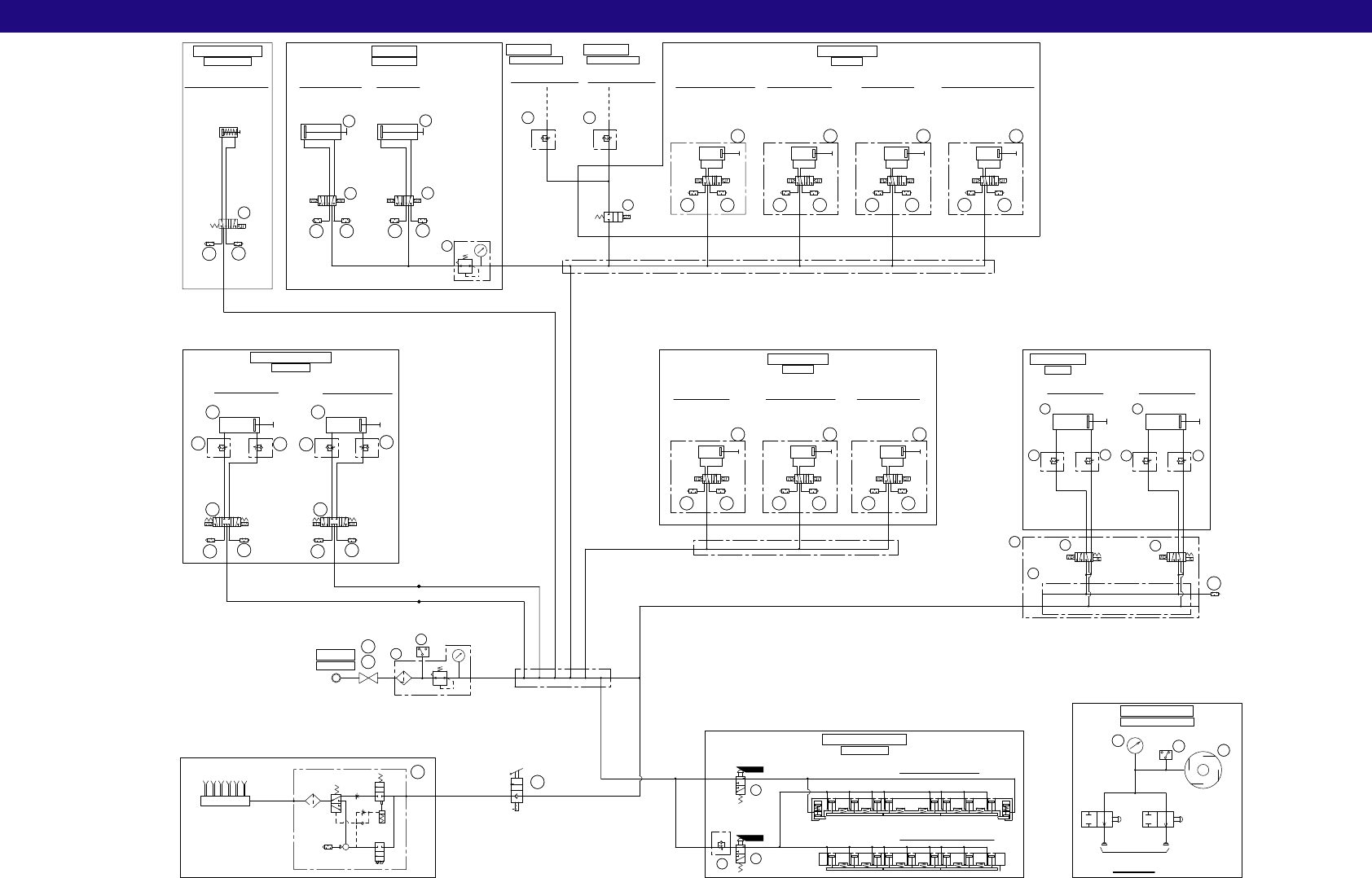
2 7 . エアー配管図 P n e u m a t i c c i r c u i t d i a g r a m ( W P I ) CP-642E P AR TS LIST ver07 2 7 - 2 2 7 . エアー配管図( W P I ) 2 7 . P n e u m a t i c c i r c u i t d i a g r a m ( W P I ) 番号 図番 & コ ー ト ゙ 番号 個数 品名 規格 …

100%1 / 161
27.エアー配管図 Pneumatic circuit diagram(WPI)
CP-642E PARTS LIST ver07
27-1
27.エアー配管図(WPI)
27.Pneumatic circuit diagram(WPI)
φ6
φ6
φ6
φ8
φ6
φ6
φ6
A
P
φ8
Vacuum backup pin(Option)
φ6
φ8
φ8
φ6 φ8
4.0kgf/cm
2
φ8
(φ25x12)(φ25x12) (φ25x12) (φ25x12)
(φ25x12) (φ25x12)
A
B
R1R2
P
3/83/8
3/8
φ8
PT3/8
メカニカルバルブ
20 heads
Vacuum
R RP
B
A
φ6
φ6
φ8
φ6
配管タ−ミナル
φ8
Tape feeding lever
送りレバ−後退時
Left shutter
Right shutter
A B
R1
A B
R1
レバー上昇時レバー上昇時
レバー上昇時レバー上昇時レバー上昇時 レバー上昇時
R RP
B
A
Back side board clamp
Operator side board clamp
5kgf/cm
2
(φ25x12)
レバー上昇時
配管タ−ミナル
配管タ−ミナル
φ6
φ6
φ6
φ6
φ6
φ6
φ6
φ6
φ6
φ4
φ4
φ6
φ6
φ6
φ6
φ6
φ6
φ6
φ6
φ6
φ6
φ6
φ6
φ6
φ6
φ8
R2 R2
φ6
φ6
φ6
φ8
φ6
1ST駆動部(WPL)
Pθ rotation
Pθ rotation
(φ25x40)
90°旋回時
PRθ rotation
(φ25x40)
90°旋回時
16st vacuum cut
16st vacuum cut off
11st vacuum cut
11st vacuum cut off
1st feed lever up/down 1st nozzle up/down 3st Pθ up/down 18st nozzle change fwd/bwd
Rear Fence
(φ20x250)
(φ20x250)
10st Fθ up/down 11st nozzle up/down 13st PRθ up/down
Cam box
Loder
PCBストッパ 1 PCBストッパ 2
(φ16x10)(φ16x10)
Noise reduction box
基板クランプ(WSS)
Air supply
XY テ−ブル
1ST Mechanizm
フィーダ送り
Feeding lever retracted
θ軸(WPQ)
Pθ旋回 PRθ旋回
While rotating 90° While rotating 90°
16st(WPU) 11st(WPS)
16st真空破壊 11st真空破壊
カムBOX(WPA)
Cam box
カムBOX(WPA)
1st送り上下 1stノズル上下 3stPθ上下 18stノズル切換え前後
While lever ascends While lever ascends While lever ascendsWhile lever ascends
10stFθ上下 11stノズル上下 13stPRθ上下
While lever ascends While lever ascends While lever ascends
Conduct terminal
シャッタ−左
シャッタ−右
リアフェンス(WAF)
ロ−ダ(WQL)
PCB stopper 1 PCB stopper 2
Board clamp
基準側
従属側
防音BOX(WPV)
Mechanical valbes
バキュ−ム系
20ヘッド
Conduct terminal
エア−源
バキュームバックアップピン
(オプション)
XY table
Conduct terminal
φ6
φ6
φ6
φ6
φ6
x3
12 12
9
7
13
23
23
28
14
20
20
20
20
20
20
18
23
17
15
16
11
8
8
6
4
2
3
26
27
23
23
26
26
27
33
33
24
24
19
21
28
33
33
19
21
11
8
8
6
29
20
31
26
31
34
1
32
35 35
35 35
35 35 35 3535 35
35 35 35 35
27.エアー配管図 Pneumatic circuit diagram(WPI)
CP-642E PARTS LIST ver07
27-2
27.エアー配管図(WPI)
27.Pneumatic circuit diagram(WPI)
番号 図番 & 番号 個数 品名 規格 備考
No. Drg.No. & Code No. QTY Description Rating Remarks
1H1059T 1 VALVE, STOP RP-LL-3/8
2H3030A 1 FILTER, REGULATOR AW3000-02-BDG
3S3156Z 1 SW, PRESSURE SW IS301-02L5
4. 1 MANIFOLD VV5Z3-41-021-M5
6H1130Z 2 VALVE, SOLENOID SOL VZ3140-5MZ
7WQC4080 1 ASSY ASSY (4+6)
8K5337A 4 CONTROLLER, SPEED AS1200F-M5-06
9H1083T 1 VALVE, SOLENOID SOL SS22J-M5-D24UP-Z
11S2113H 2 CYLINDER, AIR CDQ2D16-10D-F7BV
12K5339T 2 CONTROLLER, SPEED AS1311F-M5-06
13. 1 KEY C1000-50
14H10246 1 VALVE, SOLENOID 減圧 R002-01G
15H5447A 1 VACUUM PUMP KH750A-302-G1
16. 1 VACUUM GAUGE 真空 No.15.16Set
17S3158A 1 PRESSURE SWITCH SW ISG190-030-G1
18H1077T 1 VALVE, SOL SOL PCS242-M5-D24-SP
19H1068Z 2 VALVE, SOL SOL PCD2413-02-D24SP
20WPA5142 7 CYLINDER, AIR
21. 2 CYLINDER, AIR DAD-25X40-3731W
23S1056A 5 SILENCER AN101-01
24S1058A 2 SILENCER AN120-M5
26K5330A 4 CONTROLLER, SPEED SC6-01-UB
27S2099T 2 CYLINDER, AIR CDM2B20-250-H7A1 Rear Fence(Option)
28H1073F 2 VALVE, SOLENOID SOL PCD345-01D-D24SP
29K5338A 1 CONTROLLER, SPEED AS1211F-M5-06
31H1063T 2 VALVE, MECHANICAL VM133-M5-01
32H1006T 1 GENERATOR, VACUUM 発生器真空 VDBL12P8-06-SA
33S1053T 4 SILENCER KM-23
34H1037E 1 VALVE, MANUAL 手動 HV6-6
35S1052A 14 SILENCER SL-M5
*.(A1,B1,L12,等)で表示されているのはエです。
 詳細は電気図面をご覧下さい。
*.The types of air hoses are specified using alphabet characters (eg.A1,B1,L12,etc.).
Refer to the Electrical Schematic for details. .
28.本体 Body(WAB)
CP-642E PARTS LIST ver07
28-1
28.本体(WAB)
28.Body(WAB)
H=965
H=980
H=930
935
H=950 H=980
A
A
H=912
920
H=912
920
H=965
H=930
935
H=950
H=900
防振マット無しの場合
When anti-vibration mats are not used.
38
34
30
3
27
25
24
25
2
30
1
55
56
18
20
16
19
17
20
48
20
46
19
47
20
23
20
21
19
22
20
41
20
44
20
40
19
43
19
45
20
42
20
49
50
51 54
53
52
4
30
38
34
33
28
26
25
24
5
30
25
27
30
7
6
30
30
8
25
27
9
30
36
31
14
24
25
34
38
29
35
39
32
37
15
30
10
11
30
x17
A