cooling unit
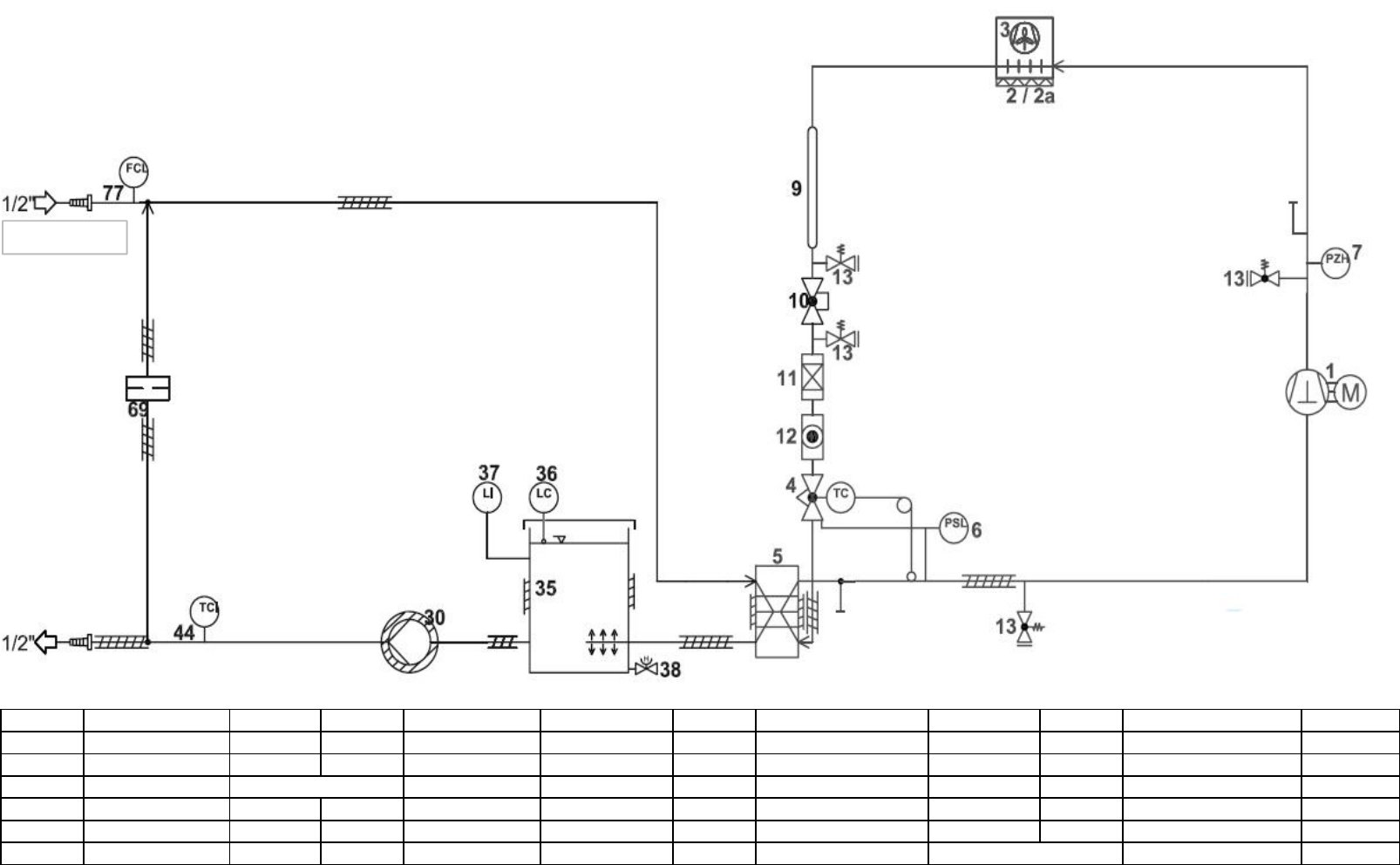
接热交换器 Position Designation 名称 Position Designation 名称 Position Designation 名称 Position Designation 名称 1 Compressor 压缩机 6 Pressostate/l 低压控制器 12 Sight glass 冷媒观察镜 38 Drain -val ue 排水口 2 Condenser 冷凝器 7 Pressostate/h 高压控制器…

接热交换器
Position Designation 名称 Position Designation 名称 Position Designation 名称 Position Designation 名称
1 Compressor 压缩机 6 Pressostate/l 低压控制器 12 Sight glass 冷媒观察镜 38 Drain -value 排水口
2 Condenser 冷凝器 7 Pressostate/h 高压控制器 13 Schrader value 冷媒添加阀
2a Air filter 空气过滤器 30 Pump 水泵 44 Temperature sensor 温度感应器
3 Fan 风扇 9 Tube expansion 储液器 35 Tank 水箱 69 Bypass 旁路
4 Expansion value 膨胀阀 10 Ball value 球阀(安全阀) 36 Float switch 浮控开关 77 Flow switch 流量感应器
5 Evaporator 蒸发器 11 Fliter drier 干燥过滤器 37 Level indicator 液面高度指示
冷却系统工作原理:
压缩机(1)-->高温高压气体-->冷凝器(2)散热过程由风扇将热量排除-->高压常温液体

-->膨胀阀(4)-->低温低压液体-->蒸发器(5)吸热过程-->低温低压气体-->压缩机(1)(一个循环过程)
冷却系统全图

压缩机 冷凝器 风扇
低压控制器
高压控制器 储液器、安全阀,冷媒观察镜 冷水进出口