P-311-003 - 第124页
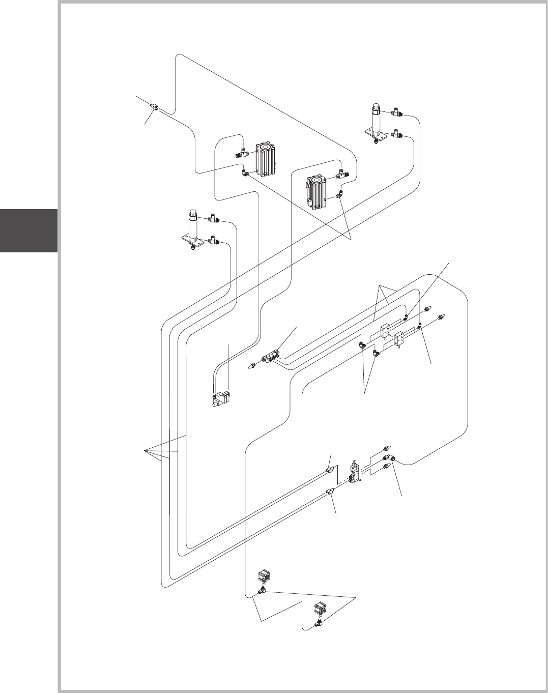
Fig. C2-5 エア配管 Air Piping From Main Body From Main Body 403 403 403 402 401 402 See Fig.C1-2 Key No.103 See Fig.C1-1 Key No.33 See Fig.C1-1 Key No.37 See Fig.C1-1 Key No.30 See Fig.C1-1 Key No.50 See Fig.C1-1 Key No.34 S…

Key No. PART No. PART NAME Q’ty
REMARKS
NOTE
0912-002
301 211G5768 BLOCK 2 2090003101-001
302 224C0408 CYLINDER 2 2090003101-002
303 221AA012 BOLT_HEX-SCT 4 2090003101-003
304 225F0371 PIPE_FITTINGS 4 2090003101-004
305 213E0216 BOSS 2 2090003101-005
306 222A0134 BUSH_BEARING 2 2090003101-006
307 221CA044 SET_SCREW 2 2090003101-007
308 211DD880 PLATE 2 2090003101-008
309 211DA997 PLATE 4 2090003101-009
310 213A1570 SHAFT 2 2090003101-010
311 222D0021 BEARING_RADIAL 4 2090003101-011
312 221H0394 WASHER 2 2090003101-012
313 221AA030 ROHS_HEX-SCT 2 2090003101-013
314 221HA005 WASHER 2 2090003101-014
315 221CA027 SET_SCREW 2 2090003101-015
316 221CB005 SET_SCREW 4 2090003101-016
317 221FA011 NUT_HEX 4 2090003101-017
318 221AA042 ROHS_HEX-SCT 4 2090003101-018
319 222K0235 SHAFT_LINEAR 2 2090003101-019
320 222K0236 SHAFT_LINEAR 2 2090003101-020
Fig. C2-4
Fig. C2
UNIT-2
Fig. C2
SQUEEGEE
SIGMA-P4

Fig. C2-5
エア配管
Air Piping
From Main Body
From Main Body
403
403
403
402
401
402
See Fig.C1-2
Key No.103
See Fig.C1-1
Key No.33
See Fig.C1-1
Key No.37
See Fig.C1-1
Key No.30
See Fig.C1-1
Key No.50
See Fig.C1-1
Key No.34
See Fig.C1-4
Key No.302
0912-002
Fig. C2
スキージヘッド部
SQUEEGEE HEAD SECTION
UNIT-2
Fig.C2
SQUEEGEE

Key No. PART No. PART NAME Q’ty
REMARKS
NOTE
0912-002
401 0900D10S TUBE 1 209000310C-001
402 0900D10T TUBE 1 209000310C-002
403 225F0360 PIPE_FITTINGS 3 209000310C-003
Fig. C2-5
Fig. C2
UNIT-2
Fig. C2
SQUEEGEE
SIGMA-P4