P-311-003 - 第37页
1 102-003 Fig. B1 7 0900400A 09004003 23 327 327 327 322 322 322 368 323 323 323 336 336 336 591 330 334 370 369 365 324 329 367 350 351 352 350 351 352 374 375 376 372 371 373 347 366 335 335 335 366 364 364 325 325 326…

7
20
21
22
16
A
A
09004001
09004005
0900400C
09004004
119
119
119
1
19
120
127
127
128
131
132
127
128
131
132
127
129
132
133
159
160
161
141
142
112
113
106
129
132
133
123
124
125
121
134
144
143
135
136
105
114
158
1
16
115
107
156
154
155
157
128
132
133
138
139
140
130
159
137
128
126
122
1
17
108
109
118
904
905
908
907
909
910
911
912
917
916
913
906
0900400A
09004003
23
327
327
327
322
322
322
368
323
323
323
336
336
336
591
330
334
370
369
365
324
329
367
350
351
352
350
351
352
374
375
376
372
371
373
347
366
335
335
335
366
364
364
325
325
326
18
A21
41
31
32
33
26
27
30
19
09004007
925
926
927
928
931
930
929
931
930
929
931
930
929
931
930
929
932
930
929
932
930
929
932
930
929
933
930
929
924
924
927
924
924
353
354
217
206
206
206
209
209
209
207
208
205
216
216
216
216
217
217
220
220
220
216
214
215
213
214
215
204
204
204
218
219
218
219
218
219
218
219
209
220
204
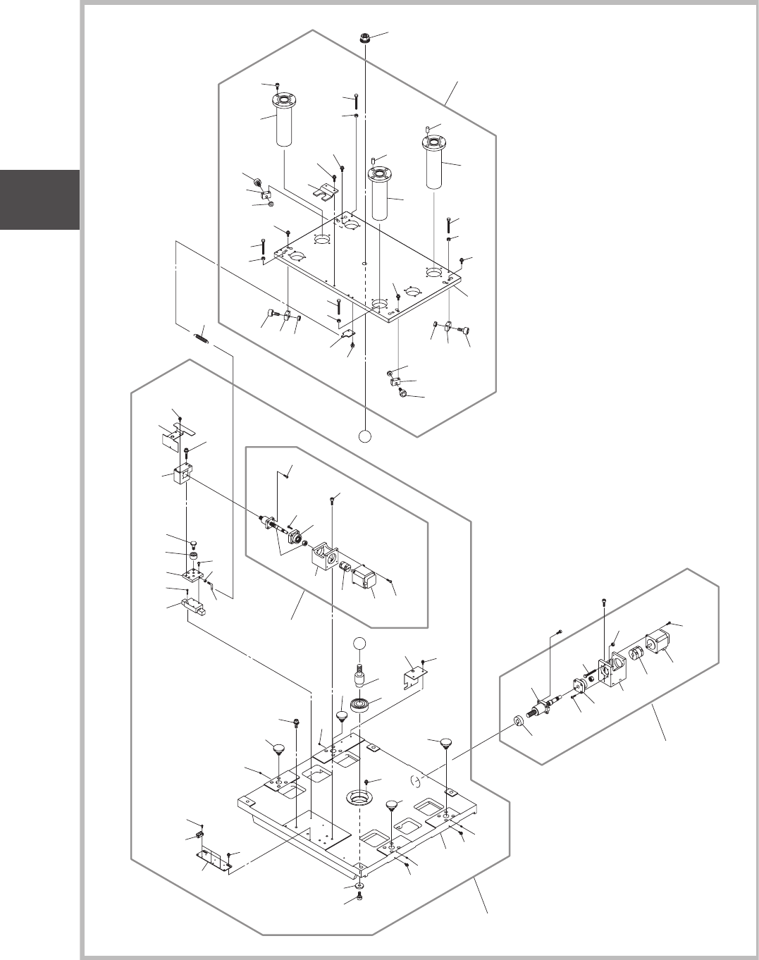
Fig. B1-A1
全体図1
PARTS LAYOUT-1
1102-003
Fig. B1
テーブル、基板チャック部
TABLE, PCB CHUCK SECTION
UNIT-1
Fig. B1
TABLE

1102-003
Fig. B1
7
0900400A
09004003
23
327
327
327
322
322
322
368
323
323
323
336
336
336
591
330
334
370
369
365
324
329
367
350
351
352
350
351
352
374
375
376
372
371
373
347
366
335
335
335
366
364
364
325
325
326
18
A21
41
31
32
33
26
27
30
19
09004007
925
926
927
928
931
930
929
931
930
929
931
930
929
931
930
929
932
930
929
932
930
929
932
930
929
933
930
929
924
924
927
924
924
353
354
Fig. B1-A1
UNIT-1
Fig. B1
TABLE

614
116
115
617
626
625
618
628
622
616
627
616
623
623
630
608
608
624
621
620
619
605
615
613
610
609
609
612
604
606
607
15
655
658
657
656
654
653
652
652
651
650
646
647
649
648
644
645
506
506
506
506
537
537
545
544
543
513
508
574
586
5A7
115
5A5
573
570
571
579
577
566
591
570
594
5A3
5A2
5A1
5A3
5A2
5A1
5A3
5A2
5A1
5A0
5B0
5A9
5A8
5A7
571
5B0
5A9
5A8
5A0
5A9
5A8
5A0
5A9
5A8
5A2
5A1
5A0
5A3
5A2
5A1
544
543
549
510
599
599
599
5A4
5A4
594
599
598
598
40
23
5A5
590
14
580
578
572
572
584
589
582
568
5A6
587
575
576
585
568
581
583
588
569
569
566
11
9
10
11
09004009
0900402Y
09004008
0900400D
09004030
09004003
27
26
25
12
13
15
28
761
761
717
716
727
731
730
728
709
716
717
727
731
730
728
709
722
721
727
737
733
737
733
726
725
724
704
724
707
703
723
724
724
725
726
731
730
726
731
730
729
731
730
726
731
730
726
732
736
736
706
706
708
713
714
703
723
705
702
701
718
718
710
712
719
719
720
720
734
735
117
755
752
751
750
756
757
758
754
753
752
749
745
746
748
744
747
48
47
46
45
44
43
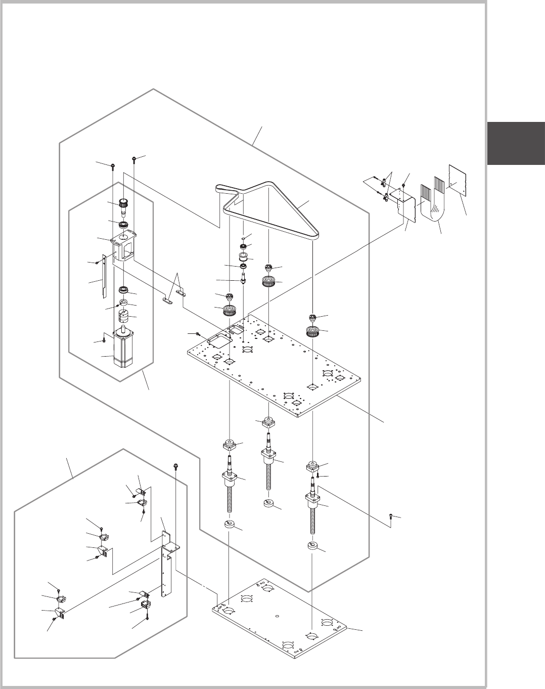
Fig.
B1-A2F
全体図2( 手前基準 )
PARTS LAYOUT-2(Front Reference)
1102-003
Fig. B1
テーブル、基板チャック部
TABLE, PCB CHUCK SECTION
UNIT-1
Fig. B1
TABLE