M1series_ServiceManual_e - 第65页
5 Materials 5-5

5 Materials
5-4
Replacement Parts
■ Head
Part Name Part No. Qty. Remarks
GASKET LG0-M71AL-00X 6
GASKET LG0-M71AN-00X 6
O-RING LG0-M71AP-00X 6
STEEL BALL LG0-M71B5-00X 12
SPRING, COMP. LG0-M71CC-00X 12
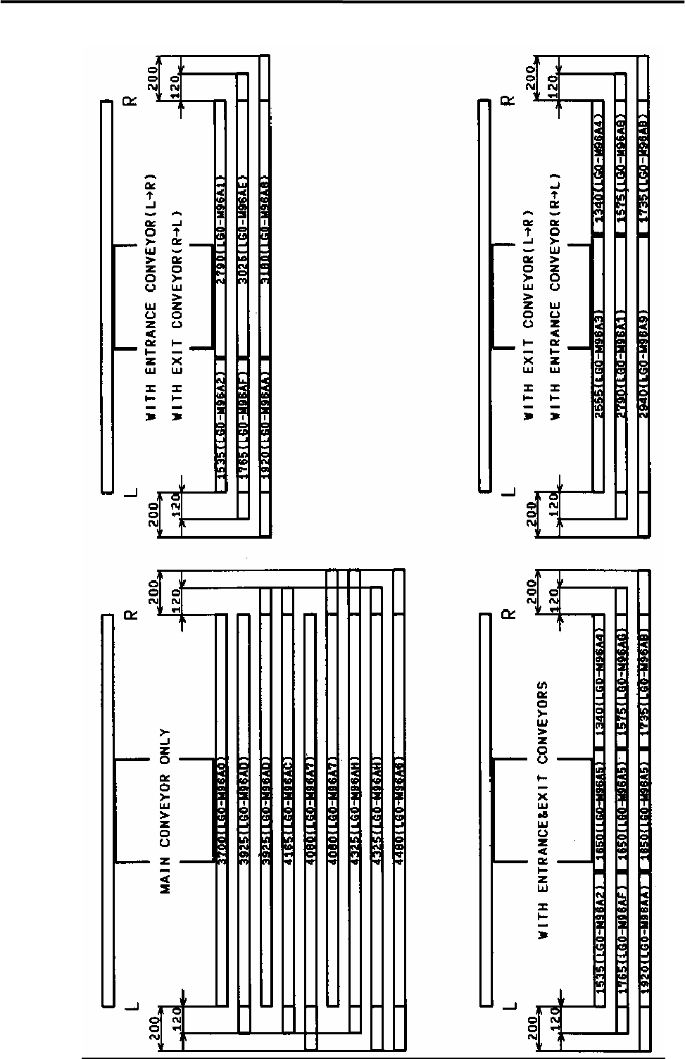
■ Conveyor
Part Name Part No. Qty. Remarks
BELT LG0-M96A0-00X 2 See the next page.
BELT LG0-M96A1-00X 2 "
BELT LG0-M96A2-00X 2 "
BELT LG0-M96A3-00X 2 "
BELT LG0-M96A4-00X 2 "
BELT LG0-M96A5-00X 2 "
BELT LG0-M96A6-00X 2 "
BELT LG0-M96A7-00X 2 "
BELT LG0-M96A8-00X 2 "
BELT LG0-M96A9-00X 2 "
BELT LG0-M96AA-00X 2 "
BELT LG0-M96AB-00X 2 "

5 Materials
5-5

5 Materials
5-6
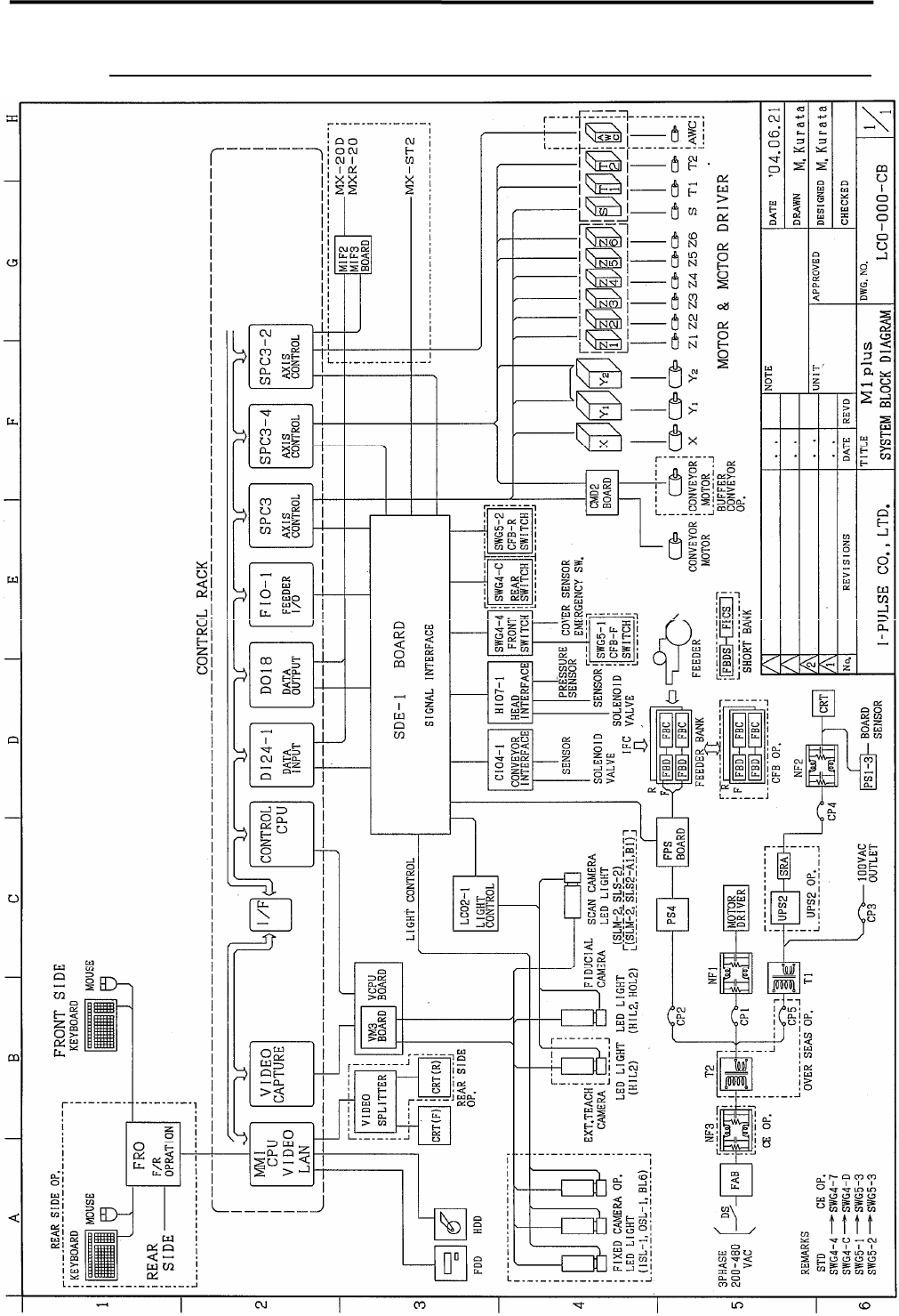
System Block Diagram