P-0198-001 - 第163页
MODEL TCM-3600J-2 0109-001 161 Key No. P AR T No. P AR T NAME Q’ ty REMARKS NOTE 7-3 1 630 028 9493 GEAR 2 703G--01H-006 2 630 000 8951 SET SCREW 4 M5X8 SET 3 630 058 8255 SHAFT 1 703G--01B-009 4 630 028 9480 GEAR 2 703G…

MODEL TCM-3600J-2
0109-001
160
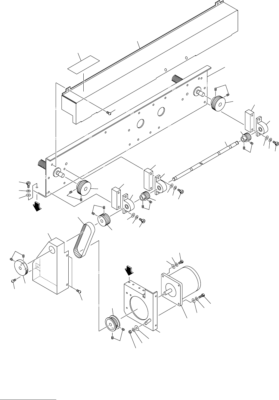
㧸ࠦࡦࡌࠕㇱ L CONVEYOR SECTION
Fig. 7-3 ࠼ࠗࡉࠪࡖࡈ࠻ Driving Shaft
See Fig.7-1
Key No.2
42
42
41
41
7
8
9
5
4
3
6
6-1
6-1
5
7
4
8
9
6
6-1
6-1
6-1
6-1
7
8
9
6
36
39
39
37
33
33
25
26
27
27
34
34
30
30
29
29
28
28
20
24
24
25
25
26
27-1
27-1
38
37
37
35
17
17
16
A
2
1
2
1
23
23
22
22
21
21
A
50

MODEL TCM-3600J-2
0109-001
161
Key No. PART No. PART NAME Q’ty REMARKS
NOTE
7-3
1 630 028 9493 GEAR 2 703G--01H-006
2 630 000 8951 SET SCREW 4 M5X8 SET
3 630 058 8255 SHAFT 1 703G--01B-009
4 630 028 9480 GEAR 2 703G--01H-007
5 630 008 2296 SET SCREW 4 M4X4 SET
6 630 001 1890 BEARING,UNIT 3 703G--01H-005
6 -1 630 057 7297 COLLAR 3 703G--01B-036
7 411 141 4107 WASHER V 5X10X1 6 FW5
8 411 141 6705 WASHER SPR 5 6 SW5
9 630 000 7800 BOLT,HEX-SCT 6 M5X35
16 630 056 3924 PULLEY,TIMING 1 703G--01H-041
17 630 000 8951 SET SCREW 2 M5X8 SET
20 630 065 1164 BRACKET(MOTOR) 1 703G--01B-043
21 411 141 4107 WASHER V 5X10X1 2 FW5
22 411 141 6705 WASHER SPR 5 2 SW5
23 630 000 7749 BOLT,HEX-SCT 2 M5X10
24 630 009 5869 MOTOR,STEPPING 1 PM101(CVW1), #103-8572-7041
703G--01H-040
25 411 141 4107 WASHER V 5X10X1 2 FW5
26 411 141 6705 WASHER SPR 5 2 SW5
27 630 000 7763 BOLT,HEX-SCT 1 M5X16
27 -1 630 000 7787 BOLT,HEX-SCT 1 M5X25
28 630 001 0220 WASHER 1 703G--01H-027
29 411 141 6705 WASHER SPR 5 1 SW5
30 411 141 0505 NUT HEX 5 1 M5
33 630 056 3917 PULLEY,TIMING 1 703G--01H-042
34 630 000 8951 SET SCREW 2 M5X8 SET
35 630 048 9668 BELT,TIMING 1 703G--01H-043
36 630 056 2781 COVER(L) 1 703G--01B-044
37 411 051 1708 SCR TRS 4X6 3 M4X6 TRS
38 630 035 8384 BOSS(HANDLE) 1 703G--01B-047
39 630 008 2296 SET SCREW 2 M4X4 SET
41 630 073 7417 COVER 1 703G--01B-018
42 411 051 1708 SCR TRS 4X6 4 M4X6 TRS
50 630 082 6104 NAME PLATE,PARTS 1 703G--01B-056

MODEL TCM-3600J-2
0109-001
162
㧸ࠦࡦࡌࠕㇱ L CONVEYOR SECTION
Fig. 7-4 ၮ᧼ᬌㇱޔၮ᧼ࠬ࠻࠶ࡄ P.C.B. Detector, P.C.B. Stopper
See Fig.7-1
Key No.56
See Fig.7-1
Key No.8
See Fig.7-1
Key No.56-1
1
3-2
3-1
2
8
7
6
8
7
6
8
7
6
9-3
9-3
9-2
9-1
9-3
9-3
9-2
9-1
1-2
3-4
3-4
14
14
9-3
9-2
9-1
3-3
3-3
3-2
3-4
1
1-3
3-1
19
16
15
15
11
17
17
18
18
13
13
12
12
3-2
3-2
2
3-1
3-3
3-4
3-2
3-1
3-1
2
3-2
3-3
1
3-2
3-1
3-1
1-1
1-1
31
31
21
32
33
33
36
36
35
35
34
34
27
27
26
25
24
22
22
30
29
29
28
28
23
23