KE-2030使用说明书 - 第696页
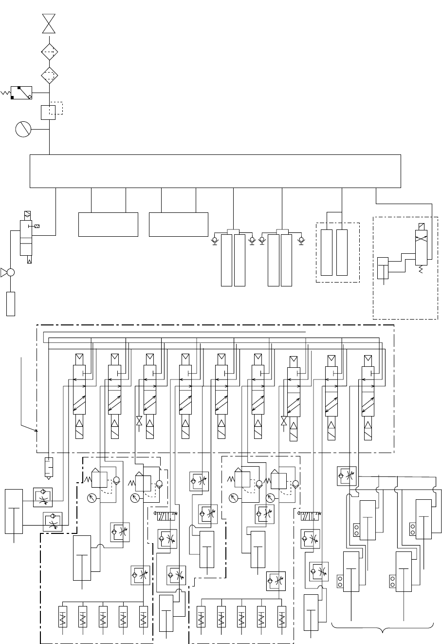
13 − 7 (2) Pi ping diagram ( Head) Blow-Sw P ø 8 (3) Pi ping diagram (O verall changer table, Common t o all four t ables) ø 6 ø 6 ø 6 ø 6 ø 6 ø 6 P Ejector Filter Pressur e sensor No zzle Roller lever Roller lever Selec…

13 − 6
Refer to the following piping diagram.
ø4
ø4
Cell block
ø4
ø6
ø12
ø12
ø8
ø8
ø8
ø8
ø6
ø6
AB
PR
CVS
ø6 ST=30
ø6
ø8
ø6
ø4
ø4
ø4
ø4
ø4
ø4
ø4
ø4
ø4
ø4
ø4
ø4
ø4
ATC L
ATC R
B
A
B
A
B
A
B
A
B
A
B
A
B
A
B
A
B
A
Stopper L
Outer Y pusher L (option)
Outer Y pusher R
Outer X pusher L
Electromagnetic valve
manifold
Outer X pusher R
(Option)
YC check
(Ejector)
(Ejector)
L head unit
R head unit
Connector bracket FL
Connector bracket FR
Connector bracket RL
Connector bracket RR
Drive cylinder 30 RR
Drive cylinder 30 LR Drive cylinder 30 LR
Drive cylinder 30 RF
Drive cylinder 30 LF
(Option)
Overall changer
table F
Overall changer
table R
Manifold
Pressure
gauge
Regulator
Pressure
switch
Mist separator
Filter
Factory-
p
i
p
in
g
(1) Piping diagram (Main body)

13 − 7
(2) Piping diagram (Head)
Blow-Sw
P
ø8
(3) Piping diagram (Overall changer table, Common to all four tables)
ø6
ø6
ø6
ø6
ø6
ø6
P
Ejector
Filter
Pressure sensor
Nozzle
Roller lever
Roller lever
Selector
Pilot check valve

13 − 8
13.2.4 Air filter (Head)
1) Loosen the screw ② fixing the Z slide shaft ① to pull out the nozzle outer shaft
③.
2) Check to see if there is any contamination of the filter ④.
3) If any, remove the filter ④ from the nozzle outer shaft, the replace it with a new
one.
4) Push the nozzle outer shaft ③ into the Z slide shaft ①, then fix it with the screw
②.
Filter ④: Part number E3052729000
WARNING
To prevent the body from injury which can be caused by accidental
activation of the machine, turn off the power of the machine before
following the operation above.
④
③
②
①