YG200L_khm_e - 第4页
PA G E 2 YG200L (KHM) Con fi dential & Proprietary KHM-000-CCV0 Control box CONTROL BOX A1 VISION 2 VISION 1 SYSTEM CD-ROM SERVO 1 SERVO 2 DRIVER 1 DRIVER 2 SERVO 3 DRIVER 3 (X2,X3,Y2,YT2) (Z1,R1,Z4,R4) (W1,W2) (W3,W4…

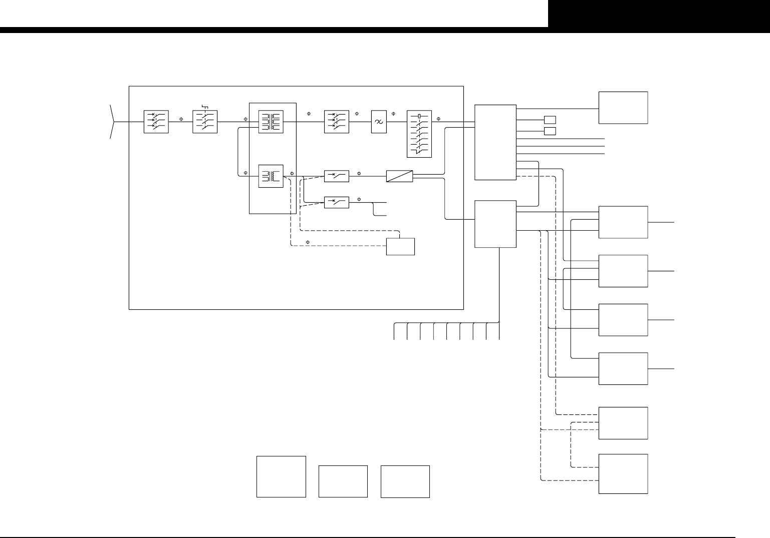
PAGE
1
YG200L (KHM)
Confi dential & Proprietary
KHM-000-CCV0
Over view
POWER TRANSFORMER
TERMIANL
OPERATION PANEL SEL.
COVER S/W
FRONT PANEL
AREA SENSOR
EMG S/W
VALVE
SIGNAL TOWER
CONVEYOR MOTOR
30W
SENSOR
OPERATION PANEL
FRONT PANEL
Each Cameras
Each Motors
FDD (OPTION)
USB MEMORY
INPUT:
AC50/60Hz 4.0A (MAX)
CONTROL: 1PH 100V
MOTOR: 3PH 220V
OUTPUT:
DRIVER
CONTROL BOX
AC50/60Hz 20A (MAX)
3:2.30KW (TOTAL)
1:3.24KW (TOTAL)
2:3.24KW (TOTAL)
3PH 200V 0~375Hz
Power Supply
GS21 DC24V 14A
Filter
Noise
NF11
AC220V
AC100V
DC24V
AC220V
33
1
1
1
1
AC100V
1
380/400/416V
200/208/220/240
3~50/60Hz
Rating 7.1KVA MAX.
Power consumption 1.1KW
AC100V
AC100V
LCD1
LCD2
UPS
(OPTION)
QF22 1A
Transformer
Transformer
Main Switch
QS11
Protector
Circuit
QF31 10A
QF21 7A
Contactor
KM10/KM10A
Main Breaker
QF11 20A
See Page 10
POWER CIRCUIT
TM11 3.56KVA
TC11 0.75KVA
See page 21
COMU
P21
HEAD SENSOR, VALVE
I/O HEAD FRONT A
DC24V
COMU
COMU
COMU
A1
See Page 2
I/O CONVEYOR
P25
See Page 3-5
See Page 6
P22
HEAD SENSOR, VALVE
I/O HEAD FRONT B
DC24V
COMU
COMU
See Page 7
P23
I/O HEAD REAR A
DC24V
COMU
HEAD SENSOR, VALVE
See Page 8
P24
I/O HEAD REAR B
DC24V
COMU
HEAD SENSOR, VALVE
See Page 9
FES20
FIX24 & FES24
DC24V
COMU
COMU
FEEDER INDICATOR
(OPTION)
COMU
COMU
FIX24
FES24
FES20
COMU
DC24V
CLI FEEDER (OPTION)
See Page 19
See Page 20
See Page 16
See Page 17
See Page 18
See Page 22
AC100V
NON STOP
NORMAL
FES20&24 SAFETY CIRCUIT
FEEDER STRUCTURE
See Page 11
FIX24
FES24
FES20
See Page 12
See Page 13
See Page 14
See Page 15
EMERGENCY CIRCUIT
See Page 23
3
AC220V
3
AC220V
3
3

PAGE
2
YG200L (KHM)
Confi dential & Proprietary
KHM-000-CCV0
Control box
CONTROL BOX A1
VISION 2
VISION 1
SYSTEM
CD-ROM
SERVO 1
SERVO 2
DRIVER 1
DRIVER 2
SERVO 3
DRIVER 3
(X2,X3,Y2,YT2)
(Z1,R1,Z4,R4)
(W1,W2)
(W3,W4)
(X1,X4,Y1,YT1)
(Z2,R2,Z3,R3)
YT1P
Y1P
YT2P
Y2P
W2M
W2P
ZR3P
W3M
W3P
ZR4P
FLEXIBLE
DUCT Z4
ZP
ZM
RP
RM
FLEXIBLE
DUCT Z1
A_CAM1
ZP
ZM
RP
RM
FLEXIBLE
DUCT Z3
RP
RM
FLEXIBLE
DUCT X3
FLEXIBLE
DUCT Z2
FLEXIBLE
DUCT X2
ZP
ZM
RP
RM
FLEXIBLE
DUCT YT1
FLEXIBLE
DUCT YT2
X3P
X3M
FLEXIBLE
DUCT Y2
A_CAM4
A_CAM2
A_CAM3
PI5
PI3
PI4
PI1
PI2
MO5
MO6
MO3
MO4
MO1
MO2
ACIN
KV1 LED_DRIVER BOARD ASSY
RS485IN
CN6
DIGITAL MULTI
KV1 LED_DRIVER BOARD ASSY
RS485IN
CN6
DIGITAL MULTI
CAMERA 4
CAMERA 3
RS485OUT
RS485OUT
CN7
CN7
24VIN
24VIN
ON
321
ON
321
CN1
CN1
J195
J193
J194
J191
J192
J235
J236
J233
J234
J231
J232
J127
J197
J198
J209
J210
CONVEYOR
I/O
BOARD
See Page 5
J132
J207
J240
J136
J202 J204 J206
ZR4M
J241 J242
J133
J208
J243
J137
J222
J252
J130
J212
J244
J214
J215
J325
J217
J245 J246
J134
J219
J247
J138
X23M
ZR2M
ZR3M
J216
J326
J218
J248 J249
J135
J220
J250
J139
J131
J128
J129
ZR4P
ZR4M
ZR4P
X23P
ZR2P
ZR2M
ZR2P
ZR3P
ZR3M
ZR3P
ACAM2
ACAM3
D_CAM3
D_CAM4
AC IN
PI1
PI2
PI4
PI3
MO1
MO2
MO4
MO3
PI5
PI6
MO5
MO6
PE
(X1,X4,Z1,R1)
(Y1,YT1,Z4,R4)
(X2,X3,Z2,R2)
(Y2,YT2,Z3,R3)
(W1,W3,W2,W4)
PI6
J196
W1P
W4P
J224
J223
J361
J362
J363
J364
J225
J226
W2P
W3P
X2P
X2M
BKBK
WP
WM
M11
W3
W3
BKBK
J221
J251
42 MAX 4500rpm
RP
RM
R1-AXIS 60W
M13
42 MAX 4500rpm
Z4-AXIS 60W
M12
42 MAX 4500rpm
RP
RM
R4-AXIS 60W
M16
42 MAX 4500rpm
Z2-AXIS 60W
M10
42 MAX 4500rpm
RP
RM
R2-AXIS 60W
M14
42 MAX 4500rpm
Z3-AXIS 60W
ZP
ZM
M11
42 MAX 4500rpm
RM
R3-AXIS 60W
RP
M15
W2
W2
WP
WM
M18
42 MAX 4500rpm
W4-AXIS 60W
W4P
W4M
M20
42 MAX 4500rpm
W1-AXIS 60W
W1P
W1M
M17
P82
P83
CN45
42 MAX 4500rpm
Z1-AXIS 60W
M9
W2-AXIS 100W
W3-AXIS 100W
W3BK
See Page 3
I/O CONVEYOR BOARD (CN21)
W2BK
See Page 3
I/O CONVEYOR BOARD (CN21)
AC100/200V
J21
YT1-AXIS 1KW
YT1P
YT1M
M7
86 MAX 4500rpm
YT2-AXIS 1KW
YT2P
YT2M
M8
86 MAX 4500rpm
42 MAX 4500rpm
42 MAX 4500rpm
L.CTL1
L.CTL2
J359
J360
L.CTL2
L.CTL1
CN7
CN7
J357
J358
L.CTL2
J305
L.CTL2
L.CTL1
J310
L.CTL1
J873
J872
BCR
BCR
R-BCR
F-BCR
J875
J874
OPTION
REAR
BARCODE READER
BARCODE READER
FRONT
REAR
FRONT
P81
E4
E3
E2
E1
DCAM4
DCAM3
DCAM2
DCAM1
J356
J355
ZR1PZR1P
D_CAM2
D_CAM1
L.CTL1
A_CAM2
A_CAM1
D_CAM4
D_CAM3
D_CAM2
D_CAM1
L.CTL1
A_CAM2
A_CAM1
ACAM4
ACAM1
ZR1M
X14P
J324
J239J238
ZR1M
J203 J205
J323
J237
J200
X14M
J312
J311
J309
J308
J307
J306
J304
J303
CN1
CN1
P80
123
ON
123
ON
24VIN
24VIN
RS485OUT
RS485OUT
D-CAM2 ASSY FRONT RIGHT
D-CAM1 ASSY FRONT LEFT
CAMERA 2
DIGITAL MULTI
CN6
RS485IN
KV1 LED_DRIVER BOARD ASSY
CAMERA 1
DIGITAL MULTI
CN6
RS485IN
KV1 LED_DRIVER BOARD ASSY
D-CAM4 ASSY REAR RIGHT
D-CAM3 ASSY REAR LEFT
DUCT Y1
FLEXIBLE
DUCT X1
FLEXIBLE
DUCT X4
FLEXIBLE
J302
BUZZER
HA1
P.GAUGE PANEL
E5
1.44MB
A14
FDD (OPTION)
USB1
USB2
USB3
J313
INTERFACE
J171
J172
CUnetA
CUnetB
GOOD,CUnetA I/OA
CUnetB I/OB
CUnetC I/OC
CUnetB
I/O CONVEYOR BOARD (CN16,51) See Page 3
OPTION
I/O HEAD BOARD B See Page 7
SERIAL1
J316
J318
SERIAL1
LAN
KEY/MS
See Page 10
OPERATION
MONITOR SEL
KY/MS
J317
VGA
DVI
J714
USB4
USB3
USB4
J315
DC5VDC5V
USB4
USB4
USB MEMORY
FRONT PANEL
J44
L+24V
L+24V
L+24V
L+24V
J65
J62
J64
J63
BUZZER
UPS
J751
UPS
EXT.PWR
J301
UPS
EXT.PWR
SERIAL2
PARALLEL
M5
Y1-AXIS 1KW
Y1P
Y1M
86 MAX 5000rpm
Y2-AXIS 1KW
Y2P
Y2M
M6
86 MAX 5000rpm
M1
X1-AXIS 750W
86 MAX 4500rpm
M4
X4-AXIS 750W
86 MAX 4500rpm
X1P
X1M
M2
X2-AXIS 750W
86 MAX 4500rpm
X4P
X4M
M3
X3-AXIS 750W
86 MAX 4500rpm
E.COM E.COM3
E.COM4
E.COM1
E.COM2
See Page 22
J318
J830
or
J903
COM See Page 16-20
See Page 22
POWER CIRCUIT
KGK-M4100-2xx
V2ACAM1
V2ACAM2
V2DCAM1
V2DCAM2
V1ACAM1
V1ACAM2
V1DCAM1
V1DCAM2
SYM1
SYM2

PAGE
3
YG200L (KHM)
Confi dential & Proprietary
KHM-000-CCV0
I/O conveyor board -1-
PREVIOUS INTERFACE
BA IN/UR IN
BUSY OUT/LR OUT
J341
J339
NEXT INTERFACE
BUSY IN/LR IN
BA OUT/UR OUT
COUNT RESET
J340
J338
FRONT PANEL LEFT
FRONT PANEL RIGHT
FRONT PANEL LEFT
FRONT PANEL RIGHT
PREVIOUS INTERFACE
BA IN/UR IN
BUSY OUT/LR OUT
J341
NEXT INTERFACE
BUSY IN/LR IN
BA OUT/UR OUT
COUNT RESET
J340
J339
J338
J45
J45
J45
J45
CV1 DCN1
CV2 DCN1
CV3 DCN1
CV4 DCN1
CN2 CN3
CONVEYOR MOTOR DRIVER
CN1
CN2 CN3
CONVEYOR MOTOR DRIVER
CN1
CN2 CN3
CONVEYOR MOTOR DRIVER
CN1
CN2 CN3
CONVEYOR MOTOR DRIVER
CN1
P13
P14
P12
P11
J76
J77
CV2.CN3
CV3.CN3
42 MAX 750rpm
CONVEYOR 4
30W
J78
CV4.CN3
CV4
M24
42 MAX 750rpm
CONVEYOR 1
30W
J75
CV1.CN3
CV1
M21
J74
CV4.CN2CN24
J73
CV3.CN2CN23
J72
CV2.CN2CN18
J71
CV1.CN2CN17
J43
CN51
IF+24V
HL11
HL11
BUZZER
RUN (GREEN)
ERROR (YELLOW)
ALARM (RED)
T001A1
T001A0
T001A2
T001A6
I/O CONVEYOR BOARD
DC24V IN
COM1
356
ON
OFF
12
DIP SW(S1)
4
DC24VCN
C/V MOTOR1
C/V MOTOR2
C/V MOTOR3
C/V MOTOR4
AMF
SIG.TOWER
GATE
BRAKE
CN2
CN3
CN4
CN1
COM2
FEEDER1
FEEDER2
FEEDER3
FEEDER4
CN20
CN16
CN51
CN22
CN17
CN18
CN23
CN24
CN19
CN25
CN15
CN21
P25
IO/FPGA
CN27
CN26
DO28
KGT-M4580-0xx
PCB's Transportation: L R
NEXT
PREV
J366
J365
NEXT B
NEXT A
PREV B
PREV A
NEXT L
PREV L
PREV B
PREV A
NEXT B
NEXT A
PREV R
NEXT R
PCB's Transportation: R L
R.SRVC F.SRVC
N00646N00647
REAR SERVICE KEY FRONT SERVICE KEY
NEXT
PREV
See Page 6 & 7
J366
J365
NEXT B
NEXT A
PREV B
PREV A
NEXT L
PREV L
PREV B
PREV A
NEXT B
NEXT A
PREV R
NEXT R
CONTROL BOX
W2,W3 BRAKE
See Page 2
J94
J145
J142
J155
J154
J144J143
CN21
CN15
CN25
CN19
CN22
CN16
CN20
REAR CENTER
FRONT CENTER
FRONT LEFT
REAR LEFT
I/O HEAD FRONT A,B
See Page 6
See Page 2
FES BOARD POWER
J814
J813
J812
J811
J173
EMG
FEEDER VALVE
CN1
CN4
CN3
CN2
FEEDER
STRUCTURE
MKY
I/O HEAD FRONT A
J149
J146
J337
J336
J335
CONVEYOR 4
CONVEYOR 1
AMF2
AMF1
J141J140
J171
J22
CONTROL BOX
INTERFACE BOARD
FRONT CENTER
REAR CENTERREAR RIGHT
FRONT RIGHT
COVER EARTH
J81
CN10
STOPPER
CN10
See Page 10
PANEL SEL.
OPERATION
DO23 CN11
DO24 CN12
DO25 CN13
CN14DO29
CN11
J95
STOPPER OF ENTRANCE
STOPPER OF EXIT
T001B4
T001B7
YV5
YV6
CONV1,CONV4
CONV.SENSOR TUNING
See Page 4
CONVEYOR 3
J147
MAIN STOPPER A
PUSH UP A
J82
T001B5
T001C0
YV1
YV2
DUCT YT1
FLEXIBLE
VALA
CONV3C
SIDE CLAMP
SIDE CLAMP A
MAIN STOPPER B
PUSH UP B
J83
T001B6
T001C1
YV3
YV4
42 MAX 750rpm
CONVEYOR 3 30W
CV3
M23
DUCT YT2
FLEXIBLE
J79
VALB
CV3
CONV2C
SIDE CLAMP
SIDE CLAMP B
42 MAX 750rpm
CONVEYOR 2 30W
CV2
M22
J80
CV2
CONV.SENSOR TUNING
See Page 4
CONV2
CONV.SENSOR TUNING
See Page 4
CONV3
J96
J97
CONVEYOR 2
J148
F.O.PANEL
R.O.PANEL
DO16
CN7
CN8
CN9
CN5
FEEDER5
SB12
SB11
SB10
SB9
SB8
SB7
SB6
SB5
SB4
SB3
SB2
SB1
N00690/T001C3
N00691/T001C4
N00692/T001C5
N00693/T001C6
N00694/T001C7
N00695/T001D0
N006A3/T001D6
N006A2/T001D5
N006A1/T001D4
N006A0/T001D3
N00697/T001D2
N00696/T001D1
R.RESET (WHITE)
R.READY (WHITE)
R.ERROR CLEAR (YELLOW)
R.STOP (RED)
R.START (GREEN)
R.ACTIVE (WHITE)
F.ACTIVE (WHITE)
F.RESET (WHITE)
F.READY (WHITE)
F.ERROR CLEAR (YELLOW)
F.STOP (RED)
F.START (GREEN)
CN9
CN8
CN7
RESET
READY
ERR.CLR.
STOP
START
ACTIVE
RESET
READY
ERR.CLR.
STOP
START
ACTIVE
J816
FRONT OPERATION PANEL
REAR OPERATION PANEL
J348
J347
J346
J345
J344
J343
J354
J353
J352
J351
J350
J349
J334
J333
DO14,15 CN6
CN6
J815
SAFETY CIRCUIT
FEEDER5
CN5
CN5
J815
FIX24 & FES24 &
FES20
GS21
POWER CIRCUIT
See Page 22
See Page 14 & 15
See Page 11 - 13
FES20 & 24 SAFETY CIRCUIT
FES20 & 24
See Page 14 & 15
CLAMP SW LAMP
FES20 & 24
SAFETY CIRCUIT
See Page 14 & 15
KM10A
POWER CIRCUIT
See Page 22
KM10A
POWER CIRCUIT
See Page 22
KM10A
POWER CIRCUIT
See Page 22
KM10A
POWER CIRCUIT
See Page 22
YV7
YV8