YG200L_khm_e - 第6页
PA G E 4 YG200L (KHM) Con fi dential & Proprietary KHM-000-CCV0 I/O conveyor board -2- J84 CN42 I/O CONVEYOR BOARD DI0 YOT P25 CN28 CN42 KGT-M4580-0xx SQ2 SQ1 See Page 7 I/O HEAD FRONT B CN28 W1ORG W4ORG N00607 N00604…

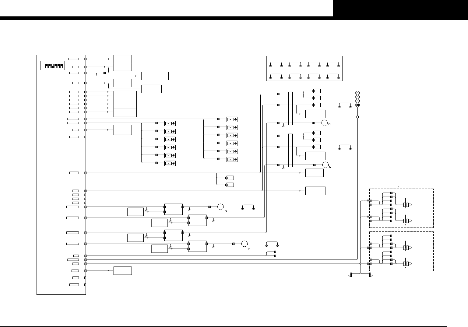
PAGE
3
YG200L (KHM)
Confi dential & Proprietary
KHM-000-CCV0
I/O conveyor board -1-
PREVIOUS INTERFACE
BA IN/UR IN
BUSY OUT/LR OUT
J341
J339
NEXT INTERFACE
BUSY IN/LR IN
BA OUT/UR OUT
COUNT RESET
J340
J338
FRONT PANEL LEFT
FRONT PANEL RIGHT
FRONT PANEL LEFT
FRONT PANEL RIGHT
PREVIOUS INTERFACE
BA IN/UR IN
BUSY OUT/LR OUT
J341
NEXT INTERFACE
BUSY IN/LR IN
BA OUT/UR OUT
COUNT RESET
J340
J339
J338
J45
J45
J45
J45
CV1 DCN1
CV2 DCN1
CV3 DCN1
CV4 DCN1
CN2 CN3
CONVEYOR MOTOR DRIVER
CN1
CN2 CN3
CONVEYOR MOTOR DRIVER
CN1
CN2 CN3
CONVEYOR MOTOR DRIVER
CN1
CN2 CN3
CONVEYOR MOTOR DRIVER
CN1
P13
P14
P12
P11
J76
J77
CV2.CN3
CV3.CN3
42 MAX 750rpm
CONVEYOR 4
30W
J78
CV4.CN3
CV4
M24
42 MAX 750rpm
CONVEYOR 1
30W
J75
CV1.CN3
CV1
M21
J74
CV4.CN2CN24
J73
CV3.CN2CN23
J72
CV2.CN2CN18
J71
CV1.CN2CN17
J43
CN51
IF+24V
HL11
HL11
BUZZER
RUN (GREEN)
ERROR (YELLOW)
ALARM (RED)
T001A1
T001A0
T001A2
T001A6
I/O CONVEYOR BOARD
DC24V IN
COM1
356
ON
OFF
12
DIP SW(S1)
4
DC24VCN
C/V MOTOR1
C/V MOTOR2
C/V MOTOR3
C/V MOTOR4
AMF
SIG.TOWER
GATE
BRAKE
CN2
CN3
CN4
CN1
COM2
FEEDER1
FEEDER2
FEEDER3
FEEDER4
CN20
CN16
CN51
CN22
CN17
CN18
CN23
CN24
CN19
CN25
CN15
CN21
P25
IO/FPGA
CN27
CN26
DO28
KGT-M4580-0xx
PCB's Transportation: L R
NEXT
PREV
J366
J365
NEXT B
NEXT A
PREV B
PREV A
NEXT L
PREV L
PREV B
PREV A
NEXT B
NEXT A
PREV R
NEXT R
PCB's Transportation: R L
R.SRVC F.SRVC
N00646N00647
REAR SERVICE KEY FRONT SERVICE KEY
NEXT
PREV
See Page 6 & 7
J366
J365
NEXT B
NEXT A
PREV B
PREV A
NEXT L
PREV L
PREV B
PREV A
NEXT B
NEXT A
PREV R
NEXT R
CONTROL BOX
W2,W3 BRAKE
See Page 2
J94
J145
J142
J155
J154
J144J143
CN21
CN15
CN25
CN19
CN22
CN16
CN20
REAR CENTER
FRONT CENTER
FRONT LEFT
REAR LEFT
I/O HEAD FRONT A,B
See Page 6
See Page 2
FES BOARD POWER
J814
J813
J812
J811
J173
EMG
FEEDER VALVE
CN1
CN4
CN3
CN2
FEEDER
STRUCTURE
MKY
I/O HEAD FRONT A
J149
J146
J337
J336
J335
CONVEYOR 4
CONVEYOR 1
AMF2
AMF1
J141J140
J171
J22
CONTROL BOX
INTERFACE BOARD
FRONT CENTER
REAR CENTERREAR RIGHT
FRONT RIGHT
COVER EARTH
J81
CN10
STOPPER
CN10
See Page 10
PANEL SEL.
OPERATION
DO23 CN11
DO24 CN12
DO25 CN13
CN14DO29
CN11
J95
STOPPER OF ENTRANCE
STOPPER OF EXIT
T001B4
T001B7
YV5
YV6
CONV1,CONV4
CONV.SENSOR TUNING
See Page 4
CONVEYOR 3
J147
MAIN STOPPER A
PUSH UP A
J82
T001B5
T001C0
YV1
YV2
DUCT YT1
FLEXIBLE
VALA
CONV3C
SIDE CLAMP
SIDE CLAMP A
MAIN STOPPER B
PUSH UP B
J83
T001B6
T001C1
YV3
YV4
42 MAX 750rpm
CONVEYOR 3 30W
CV3
M23
DUCT YT2
FLEXIBLE
J79
VALB
CV3
CONV2C
SIDE CLAMP
SIDE CLAMP B
42 MAX 750rpm
CONVEYOR 2 30W
CV2
M22
J80
CV2
CONV.SENSOR TUNING
See Page 4
CONV2
CONV.SENSOR TUNING
See Page 4
CONV3
J96
J97
CONVEYOR 2
J148
F.O.PANEL
R.O.PANEL
DO16
CN7
CN8
CN9
CN5
FEEDER5
SB12
SB11
SB10
SB9
SB8
SB7
SB6
SB5
SB4
SB3
SB2
SB1
N00690/T001C3
N00691/T001C4
N00692/T001C5
N00693/T001C6
N00694/T001C7
N00695/T001D0
N006A3/T001D6
N006A2/T001D5
N006A1/T001D4
N006A0/T001D3
N00697/T001D2
N00696/T001D1
R.RESET (WHITE)
R.READY (WHITE)
R.ERROR CLEAR (YELLOW)
R.STOP (RED)
R.START (GREEN)
R.ACTIVE (WHITE)
F.ACTIVE (WHITE)
F.RESET (WHITE)
F.READY (WHITE)
F.ERROR CLEAR (YELLOW)
F.STOP (RED)
F.START (GREEN)
CN9
CN8
CN7
RESET
READY
ERR.CLR.
STOP
START
ACTIVE
RESET
READY
ERR.CLR.
STOP
START
ACTIVE
J816
FRONT OPERATION PANEL
REAR OPERATION PANEL
J348
J347
J346
J345
J344
J343
J354
J353
J352
J351
J350
J349
J334
J333
DO14,15 CN6
CN6
J815
SAFETY CIRCUIT
FEEDER5
CN5
CN5
J815
FIX24 & FES24 &
FES20
GS21
POWER CIRCUIT
See Page 22
See Page 14 & 15
See Page 11 - 13
FES20 & 24 SAFETY CIRCUIT
FES20 & 24
See Page 14 & 15
CLAMP SW LAMP
FES20 & 24
SAFETY CIRCUIT
See Page 14 & 15
KM10A
POWER CIRCUIT
See Page 22
KM10A
POWER CIRCUIT
See Page 22
KM10A
POWER CIRCUIT
See Page 22
KM10A
POWER CIRCUIT
See Page 22
YV7
YV8

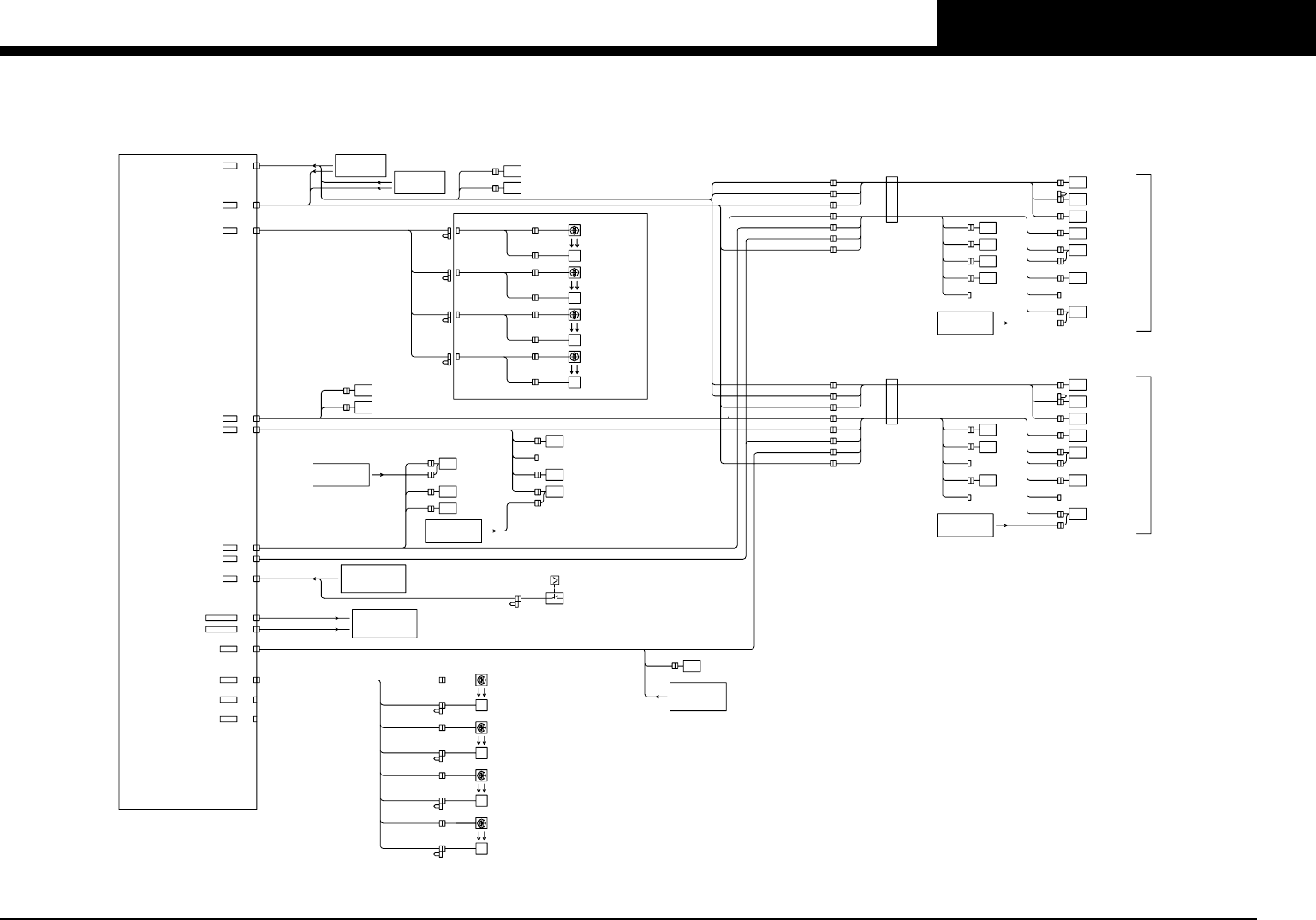
PAGE
4
YG200L (KHM)
Confi dential & Proprietary
KHM-000-CCV0
I/O conveyor board -2-
J84
CN42
I/O CONVEYOR BOARD
DI0
YOT
P25
CN28
CN42
KGT-M4580-0xx
SQ2
SQ1
See Page 7
I/O HEAD FRONT B
CN28
W1ORG
W4ORG
N00607
N00604
See Page 6
ORG
J342
Y2 ORG,OT
Y1 ORG,OT
W4-AXIS
W1-AXIS
ORG
I/O HEAD FRONT A
UPPER
CONV.3
MAIN STOPPER A
N00635
N00660
UP
MID.1
MID.2
DOWN
J90
PUSH UP A
PUSH UP A
PUSH UP A
PUSH UP A
N00670
N00671
N00672
N00673
SQ6
SQ7
SQ12
SQ13
SQ14
SQ15
N00616 PUSH UP
PIN A
ORG
YT1-AXIS
YT1-AXIS
OT
J89
N00612
N00602
YTORG
YTOT
ORG N00602
WORG W3-AXIS
SQ3
SQ4
SQ5
CONV3B
CONV3A
N00635
N00616
YT1OT
W3ORG
YT1ORG
DUCT YT1
FLEXIBLE
N00664
ENT.& EXIT
CONV.2
N00661
MID.
SQ8
N00662
CONV.3N00663
RCV
SQ10
TUNING
CONV.SENSOR TUNING
See Page 3
CONV3
T00274
A-TABLE
DI2 CN29
CN29
J701
FLOAT
F+24V
FLOAT
FLOAT
F1 FEEDER
FLOAT
F+24V
FLOAT
FLOAT
FLOAT
F+24V
FLOAT
FLOAT
FLOAT
F+24V
FLOAT
FLOAT
F2 FEEDER
R1 FEEDER
R2 FEEDER
FEEDER FLOAT SENSOR (OPTION)
F1 FLOAT
F2 FLOAT
R1 FLOAT
R2 FLOAT
N00620
N00621
N00624
N00625
J261
J262
J263
J264
SQ39A
SQ39B
SQ40A
SQ40B
SQ41A
SQ41B
SQ42A
SQ42B
CN37
J93
F.NONSTOP
R.NONSTOP
DI12
CN35
CN36
CN37
CN36
CN35
N006C0
UPPER
CONV.2
MAIN STOPPER B
N00636
N00654
UP
MID.1
DOWN
J92
PUSH UP B
PUSH UP B
PUSH UP B
N00674
N00675
N00676
N00677
SQ19
SQ20
SQ25
SQ26
SQ28
N00617 PUSH UP
PIN B
ORG
OT
YT2-AXIS
YT2-AXIS
J91
N00603
N00613
YTOT
YTORG
ORG N00602
WORG W2-AXIS
SQ16
SQ17
SQ18
CONV2B
CONV2A
N00636
N00617
YT2OT
W2ORG
YT2ORG
DUCT YT2
FLEXIBLE
N00657
ENT.& EXIT
CONV.2
N00655
N00656
CONV.2
MID.
RCV
N006C0
SQ21
SQ23
TUNING
CONV.SENSOR TUNING
See Page 3
CONV2
J88
CN33
J87
CN32
DI6
DI7
DI8
CN32
CN33
CN34
DUMP STATION
FEEDER STRUCTURE
CN34
J271
CONV.SENSOR TUNING
CONV1
See Page 3
CONV.4
CONV.4
SLOW
N00666
N00667
RCV
SQ36
SQ37
SP11
N00684
SENSOR
AIR PRESSURE
P
ENT.
EXIT
CONV.1
CONV.1
CONV.1
J86
N00650
N00651
N00652
N00653
CN31
RCV
SQ31
SQ33
SQ34
DI5 CN31
TUNING
J85
ENT.
STOPPER UPPER
EXIT
STOPPER UPPER
N00634
N00637
CN30
SQ29
SQ30
DI3 CN30
See Page 11 - 13
FIX24 & FES24 & FES20
J817
or
J851
J818
or
J852
SAFETY CIRCUIT
CLAMP UNIT SENSOR
See Page 14 & 15
FIX24 & FES24 & FES20
T00274
CONV.4
ENT.
N00665
SQ35
CONV.SENSOR TUNING
See Page 3
TUNING
CONV4
T00274
T00274
B-TABLE
CART DETECT
SAFETY CIRCUIT
FES24 & FES20
See Page 14
CONV.4
N006C1
EXIT
SQ38
DI13 CN38
CN39
CN40
DI16
DI17
CN38
J340
+24V
F1 BLOW
+24V
F2 BLOW
+24V
R1 BLOW
+24V
R2 BLOW
SQ151A
SQ151B
SQ152A
SQ152B
SQ153A
SQ153B
SQ154A
SQ154B
F1 BLOW STATION
NOZZLE DETECT
F2 BLOW STATION
NOZZLE DETECT
R1 BLOW STATION
NOZZLE DETECT
R2 BLOW STATION
NOZZLE DETECT
N006D0
N006D1
N006D2
N006D3

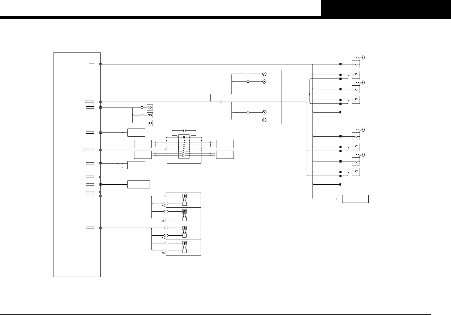
PAGE
5
YG200L (KHM)
Confi dential & Proprietary
KHM-000-CCV0
I/O conveyor board -3-
J272
S10
NF11
GS21
I/O HEAD A,B,C,D
I/O HEAD POWER
J282
CN41
CN48
CN52
A1 EMG21
13 +24V
23 +24V
53 EMG20
U52
V52
W52
+24V
+24V
See Page 6 & 7
J275
EMG
KGT-M4580-0xx
CN44
DC24EA
CN47
CN46
DC24VN
DC24VD
CN50
CN52
CN45
CN49
CN48
CN41
P25
DC24VB
DC24VE
CONTACTOR
DC24VH
DC24VLM
EMG
I/O CONVEYOR BOARD
FAN3
FAN2
FAN1
F1
SB15
EMG SWITCH
J279
COVER
LAMP
J276
J279
COVER
LAMP
FRONT SIDE
EMG
F COVER
F2
EMG SWITCH
F2
F1
SQ152
SQ151
SB16
LIMIT SWITCH
LIMIT SWITCH
CN49
FAN
FAN
FAN
J28
CN45
J44
CN50
J51
J705
F2 LAMP
F1 LAMP
OPTION
Maintenance Fluorescent Light
F1 EMG
F2 EMG
J715
J714
R2 LIGHT
R1 LIGHT
F2 LIGHT
F1 LIGHT
R C+24V
F C+24V
W54
V54
U54
14 N00686
See Page 2
LED DRIVER
CONTROL BOX
C/V MOTOR DRIVER
CONTROL BOX
54 EMG21
24 +24E
A2 0V
CN43
CN43
J281
F1 A+24V
F1 AREA
R2 A+24V
R2 AREA
L AREA
CN53
J285
R AREA CN53
F2 A+24V
F2 AREA
R1 A+24V
R1 AREA
POWER CIRCUIT
See Page 22
POWER CIRCUIT
See Page 22
POWER CIRCUIT
See Page 22
POWER CIRCUIT
See Page 22
EL1
EL2
EL3
EL4
J905
CN46
INDICATOR BOARD POWER
FEEDER INDICATOR
See Page 19 & 20
SQ44B
SQ44A
SQ43B
SQ43A
AREA SENSOR
AREA SENSOR
F1
R2
AREA SENSOR
AREA SENSOR
SQ45A
SQ45B
SQ46A
SQ46B
F2
R1
AREA SENSOR (OPTION)
SERVICE KEY
FRONT
F KEY
J277
EMG
R1
SB17
EMG SWITCH
J278
J280
COVER
LAMP
REAR SIDE
EMG
R COVER
R2
SB18
EMG SWITCH
J279
COVER
LAMP
R2
R1
SQ154
SQ153
LIMIT SWITCH
LIMIT SWITCH
R2 LAMP
R1 LAMP
R1 EMG
R2 EMG
SERVICE KEY
R KEY
REAR
FES BOARD EMG
FES24 & 20 SAFETY CIRCUIT
See Page 14 & 15
13
1
3
5
23
14
2
4
6
24
A1 A2
53 54
73 74
83 84
KM10/KM10A
63 64
+24VC
+24VD