RL131中文规格书 - 第42页
RL131 2008.032 0 - 34 - ■ T 扭曲的情况 在基板下,如下图有铁砧 ( 切割引线、扭曲单元 ) 死区。根据基板下的高度位置, 范围不同。 单位 : mm ( 基板下 1 mm) 1.2 4.4 4.4 1.9 1.9 1.2 2.0 3.8 3.4 0.8 0.8 机器前面 (90 ° 插入 ) ( 基板下 2 mm) 0.8 7.0 7.0 5.8 5.8 1.8 1.8 3.0 2.8 4.8 5.4 4.0…

RL131 2008.0320
- 33 -
(2)
引线扭曲角度为
45°
时
(4/4)
单位
: mm
数字表示
P
尺寸。
b
元件
插入顺序
a
⇒
b
2.5p
0°
插入
2.5p
180°
插入
5.0p (2
支引线
)
0°, 180°
插入
5.0p (3
支引线
)
0°, 180°
插入
2.5p
90°
插入
3.5 3.5 3.5 3.5
2.5p
-90°
插入
3.5 3.5 3.5 3.5
5.0p (2
支引线
)
90°, -90°
插入
3.5 3.5 3.5 3.5
a
元
件
5.0p (3
支引线
)
90°, -90°
插入
3.5 3.5 3.5 3.5
b
元件
插入顺序
b
⇒
a
2.5p
0°
插入
2.5p
180°
插入
5.0p (2
支引线
)
0°, 180°
插入
5.0p (3
支引线
)
0°, 180°
插入
2.5p
90°
插入
3.5 3.5 3.5 3.5
2.5p
-90°
插入
6 6 6 6
5.0p (2
支引线
)
90°, -90°
插入
3.5 3.5 3.5 3.5
a
元
件
5.0p (3
支引线
)
90°, -90°
插入
3.5 3.5 3.5 3.5
b
元件
插入顺序
a
⇒
b
2.5p
90°
插入
2.5p
-90°
插入
5.0p (2
支引线
)
90°, -90°
插入
5.0p (3
支引线
)
90°, -90°
插入
2.5p
0°
插入
6 3.5 3.5 3.5
2.5p
180°
插入
6 3.5 3.5 3.5
5.0p (2
支引线
)
0°, 180°
插入
6 3.5 3.5 3.5
a
元
件
5.0p (3
支引线
)
0°, 180°
插入
6 3.5 3.5 3.5
b
元件
插入顺序
b
⇒
a
2.5p
90°
插入
2.5p
-90°
插入
5.0p (2
支引线
)
90°, -90°
插入
5.0p (3
支引线
)
90°, -90°
插入
2.5p
0°
插入
3.5 3.5 3.5 3.5
2.5p
180°
插入
3.5 3.5 3.5 3.5
5.0p (2
支引线
)
0°, 180°
插入
3.5 3.5 3.5 3.5
a
元
件
5.0p (3
支引线
)
0°, 180°
插入
3.5 3.5 3.5 3.5

RL131 2008.0320
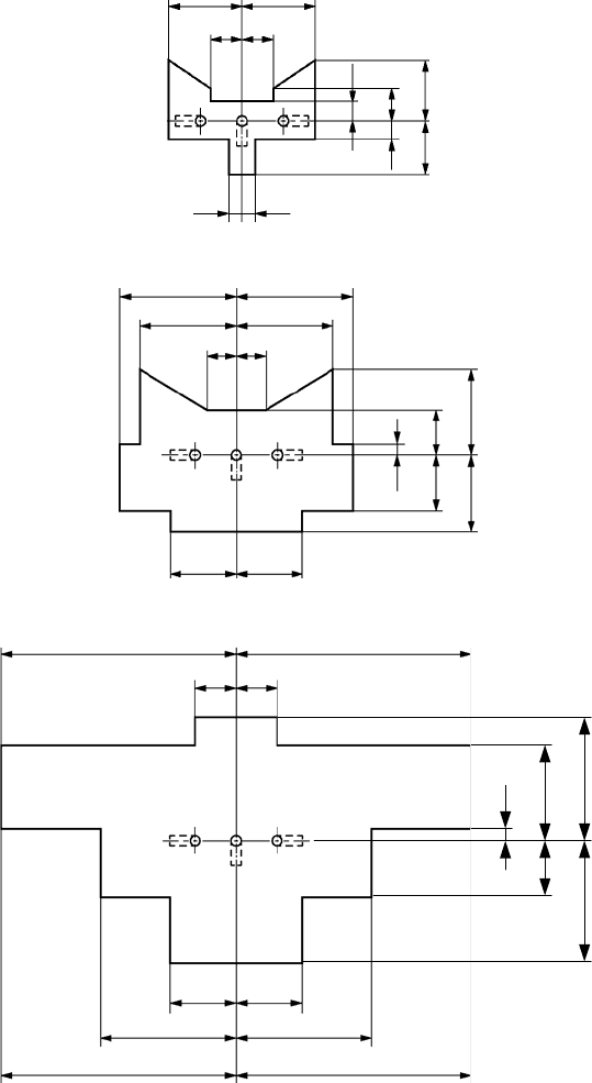
- 34 -
■
T
扭曲的情况
在基板下,如下图有铁砧
(
切割引线、扭曲单元
)
死区。根据基板下的高度位置,范围不同。
单位
: mm
(
基板下
1 mm)
1.2
4.4 4.4
1.9 1.9
1.2 2.0
3.83.4
0.80.8
机器前面
(90 °
插入
)
(
基板下
2 mm)
0.8
7.0 7.0
5.8 5.8
1.8 1.8
3.0 2.8
4.8 5.4
4.0 4.0
机器前面
(90 °
插入
)
(
基板下
7 mm)
10.0 10.0
2.5 2.5
4.0 4.0
8.2 8.2
10.0 10.0
机器前面
(90 °
插入
)
※上图表示
90 °
插入时的情况。
0 °
、
180 °
、
-90 °
插入时,请各自旋转进行参照。
1.4
6.5
7.8 7.8
3.0

RL131 2008.0320
- 35 -
T
扭曲时
(1/4)
■
元件邻接条件
单位
: mm
数字表示
P
尺寸。
b
元件
插入顺序
a
⇒
b
5.0p (3
支引线
)
90°
插入
5.0p (3
支引线
)
-90°
插入
5.0p (2
支引线
)
90°
插入
5.0p (2
支引线
)
-90°
插入
5.0p (3
支引线
)
90°
插入
3.5 3.5 3.5 3.5
5.0p (3
支引线
)
-90°
插入
3.5 3.5 3.5 3.5
5.0p (2
支引线
)
90°
插入
3.5 3.5 3.5 3.5
a
元
件
5.0p (2
支引线
)
-90°
插入
3.5 3.5 3.5 3.5
b
元件
插入顺序
b
⇒
a
5.0p (3
支引线
)
90°
插入
5.0p (3
支引线
)
-90°
插入
5.0p (2
支引线
)
90°
插入
5.0p (2
支引线
)
-90°
插入
5.0p (3
支引线
)
90°
插入
3.5 3.5 3.5 3.5
5.0p (3
支引线
)
-90°
插入
3.5 3.5 3.5 3.5
5.0p (2
支引线
)
90°
插入
3.5 3.5 3.5 3.5
a
元
件
5.0p (2
支引线
)
-90°
插入
3.5 3.5 3.5 3.5
b
元件
插入顺序
a
⇒
b
5.0p (3
支引线
)
90°
插入
5.0p (3
支引线
)
-90°
插入
5.0p (2
支引线
)
90°
插入
5.0p (2
支引线
)
-90°
插入
5.0p (3
支引线
)
90°
插入
4 4.5 4 4.5
5.0p (3
支引线
)
-90°
插入
5 4.5 5 4.5
5.0p (2
支引线
)
90°
插入
2.5 4.5 2.5 4.5
a
元
件
5.0p (2
支引线
)
-90°
插入
2.5 4.5 2.5 4.5
b
元件
插入顺序
b
⇒
a
5.0p (3
支引线
)
90°
插入
5.0p (3
支引线
)
-90°
插入
5.0p (2
支引线
)
90°
插入
5.0p (2
支引线
)
-90°
插入
5.0p (3
支引线
)
90°
插入
4.5 4.5 4.5 4.5
5.0p (3
支引线
)
-90°
插入
5 4 2.5 2.5
5.0p (2
支引线
)
90°
插入
4.5 4.5 4.5 4.5
a
元
件
5.0p (2
支引线
)
-90°
插入
5 4 2.5 2.5
P
P