AIM 机械手册QD053-04.pdf - 第18页
关于本手册 QD053-04 xii AIM 机械手册 MEMO:

QD053-04 关于本手册
AIM 机械手册 xi
关于本手册
本手册是针对用户在进行机器的维护保养时 , 对所需的信息进行说明。手册所记载的内容
以及使用的用语的难度是以日常从事于电子元件贴装业务的专业技术人员为对象。请务必
充分理解手册的内容以实现安全且高效维护保养作业。
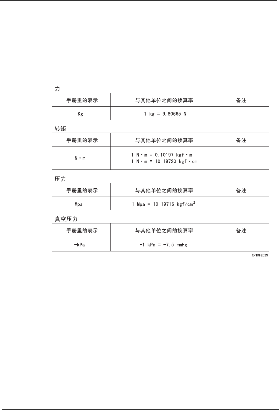
表示单位和换算率
本手册里使用的表示单位和其他单位之间的换算率如下所示。

关于本手册 QD053-04
xii AIM 机械手册
MEMO:

QD053-04 1. 安全指南
AIM 机械手册 1
1. 安全指南
本公司是在充分考虑安全的前提下进行机器的设计和制造的。然而,即使机器的设计和制造
是万无一失的,如果不按照安全规则进行机器的运转以及维修保养操作,仍有可能造成机器
的损坏乃至人身伤亡事故,这是十分危险的。为了防止以上事故的发生,担任操作和维修保
养的人员在使用机器时,必须严格遵守安全规则。请仔细阅读记录安全规则的这个 [ 安全指
南 ],正确使用产品。
1.1 标记的读法
在此「安全指南」中,记载了用户在操作机器和进行维修保养作业时应该遵守的注意事项。
另外、在产品的警告标签上也记载了提醒用户注意的说明事项。
在本手册及产品上的警告标签的注意事项中使用了危险度的定义 ( 危险度的大小 ) 以及图标
记号。以下是有关这些内容的说明,请在充分理解说明的基础上阅读正文。
1.1.1 危险度的定义
1.1.2 图标记号示例
表示 定义 (危险度的大小)
危险
表示在不遵守规则的情况下,将导致死亡或重伤等人身事故的注意事
项。
警告
表示在不遵守规则的情况下,将有可能导致死亡或重伤等人身事故的注
意事项。
注意
表示在不遵守规则的情况下,将导致轻伤或中度人身事故并有可能损坏
机器及设备的注意事项。
表示 图标记号的含义
表示提醒警告和注意的事项。
具体的警告内容表示在标记内部。 ( 左图的示例表示小心触电。)
表示禁止行为。
具体的警告内容表示在标记内部。( 左图的示例表示禁止接触。)
表示必须绝对遵守的内容。