FTF-Rev05.pdf - 第23页
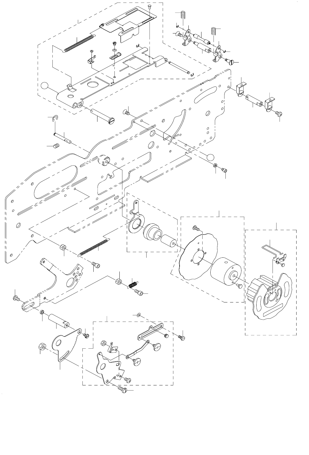
- 20 - REF.NO NOTE P ART NO D E S C R I P T I O N 品 名 Qty 1 E6203-706- 0AA UPPER COVER 3 212 ASM. アッパ−カバ− 3212組 1 2 E6210-706- 000 SHUTTER RETURN SP シャッターリターン SP (1) 3 SM-6030402- TN SCREW 六角穴ボルト 1 4 E6209-706- 000 UPPER…

- 19 -
10.FF323S/FF324S/FF32FS(2)
FF 323 S / FF 324 S / FF 32 FS(2)
20
24
22
19
16
39
28
27
26
17
21
23
18
6
13
14
8
34
31
30
A
4
33
35
A
15
1
5
13
7
7
6
15
9
37
32
10
12
11
38
3
25
29
36
2

- 20 -
REF.NO NOTE PART NO D E S C R I P T I O N
品 名
Qty
1 E6203-706-0AA UPPER COVER 3212 ASM.
アッパ−カバ− 3212組
1
2 E6210-706-000 SHUTTER RETURN SP
シャッターリターン SP
(1)
3 SM-6030402-TN SCREW
六角穴ボルト
1
4 E6209-706-000 UPPER COVER SHAFT 32
アッパ−カバ−シャフト 32
1
5 SM-1030601-SN SCREW M3X0.5 L=6
皿小ねじ M 3 X 0.5 L =6
1
6 E6211-706-000 UPPER COVER HOOK
アッパ−カバ−フック
2
7 E6216-706-000 HOOK GUIDE
フックガイド
2
8 E6217-706-000 HOOK GUIDE SH
フックガイド SH
1
9 SM-1030601-SN SCREW M3X0.5 L=6
皿小ねじ M 3 X 0.5 L =6
1
10 SM-5030555-SC SCREW M3X0.5 L=5
バインドねじ M 3 X 0.5 L =5
1
11 E6218-706-000 HOOK CONNECTING SH 32
フックコネクティング SH 32
1
12 E1212-706-000 HOOK SHAFT
フックシャフト
1
13 E1213-706-000 HOOK SP
フック SP
2
14 E6215-706-000 HOOK RELEASE SH 32
フック解除 SH 32
1
15 RE-0150000-K0 SNAP RING 1.5
E 形止め輪 1.5
2
16 E6220-706-0A0 SHUTTER PLATE 32 ASM.
シャッタプレート 32組
1
17 E6202-706-000 SHUTTER LEVER LINK
シャッタレバーリンク
1
18 A1138-776-000 SCREW
止めねじ
1
19 NM-6040001-SC NUT M4
六角ナット M 4
1
20 E6853-705-000 SHUTTER PLATE GUIDE 44
シャッタプレートガイド 44
2
21 WP-0410516-RZ WASHER
平座金
2
22 E6204-706-000 CONNECTING SHAFT
コネクティングシャフト
1
23 E6386-705-000 SCREW
止めねじ
1
24 SM-5030555-SC SCREW M3X0.5 L=5
バインドねじ M 3 X 0.5 L =5
1
25 E6314-706-0A0 SHAKE ARM 32 ASM.
揺動ア−ム 32(組)
1
26 E6300-706-000 RETURN SP
リタ−ン SP
1
27 SM-6031002-TN BOLT M3 L=10
六角穴ボルト M 3 L =10
1
28 NM-6030003-SC NUT M3
六角ナット M 3
1
29 E6301-706-000 REEL SP
巻取り SP
1
30 SM-6030802-TN HEX SCREW M3 X 8
六角穴ボルト M 3 X 0.5 L =8
1
31 NM-6030003-SC NUT M3
六角ナット M 3
1
32 E6304-706-0A0 HOUSING 32 ASM.
ハウジング 32(組)
1
33 E4009-760-000 REEL SHAFT
巻取りシャフト
1
34 RE-0300000-K0 E-RING 3
E 形止め輪 3
1
35 SM-8030602-TP SCREW M3X0.5 L=6
止めねじ M 3 X 0.5 L =6
1
36 E6310-706-0A0-A TAPE HOLDER 32 ASM.
テープホルダ32(組)
1
37 E6313-706-000 TAPE CLIP 32
テ−プクリップ 32
(1)
38 NM-6030003-SC NUT
六角ナット
1
39 E6119-706-000 CONNECTING SHAFT COLLAR
コネクティングシャフトカラ−
1

- 21 -
11.FF323S/FF324S/FF32FS(3)
FF 323 S / FF 324 S / FF 32 FS(3)
12
1
10
9
10
13
4
47
7
3
11
5
8
54
51
51
55
6
52
53
48
50
14
18
21
25
34
40
36
16
32
31
35
33
32
31
30
24
27
41
29
43
44
45
28
29
39
37
23
38
17
26
42
19
25
22
20
15
2
46