FTF-Rev05.pdf - 第29页
- 26 - NOTE( 注記 ) #01....FOR FF443 S FF 443 S 用 #02....FOR FF444S FF 444 S 用 #03....FOR FF44FS FF 44 FS 用 REF.NO NOTE P ART NO D E S C R I P T I O N 品 名 Qty 1 #01 E7203-706- 0AA UPPER COVER 4 412 ASM. アッパ−カバ− 4412組 1 2 #…

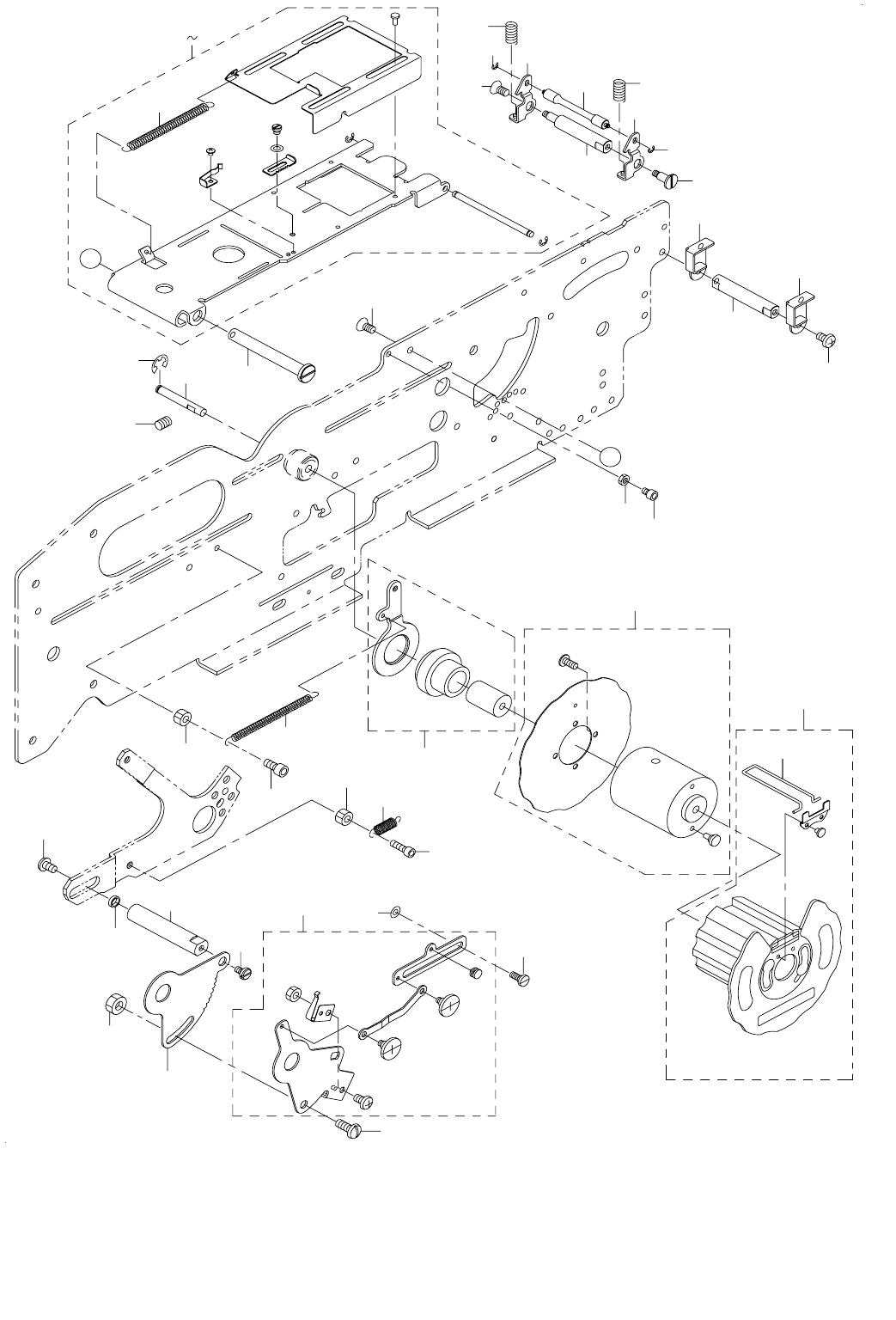
- 25 -
13.FF443S/FF444S/FF44FS(2)
FF 443 S / FF 444 S / FF 44 FS(2)
22
20
37
26
25
24
41
11
12
6
32
29
28
A
39
31
33
A
13
1
3
40
11
5
5
41
13
7
35
30
8
10
9
38
36
23
27
17
18
14
19
15
21
16
34
4

- 26 -
NOTE( 注記 ) #01....FOR FF443S FF 443 S 用
#02....FOR FF444S FF 444 S 用
#03....FOR FF44FS FF 44 FS 用
REF.NO NOTE PART NO D E S C R I P T I O N
品 名
Qty
1
#01
E7203-706-0AA UPPER COVER 4412 ASM.
アッパ−カバ− 4412組
1
2
#02
E7203-706-0AB UPPER COVER 4416 ASM.
アッパーカバー4416組
1
3
#03
E7203-706-0AC UPPER COVER 4444 ASM.
アッパーカバー4444組
1
4 E6210-706-000 SHUTTER RETURN SP
シャッターリターン SP
(1)
5 E6216-706-000 HOOK GUIDE
フックガイド
2
6 E7217-706-000 HOOK GUIDE SH
フックガイド SH
1
7 SM-1030601-SN SCREW M3X0.5 L=6
皿小ねじ M 3 X 0.5 L =6
1
8 SM-5030555-SC SCREW M3X0.5 L=5
バインドねじ M 3 X 0.5 L =5
1
9 E7218-706-000 HOOK CONNECTING SH 44
フックコネクティング SH 44
1
10 E1212-706-000 HOOK SHAFT
フックシャフト
1
11 E1213-706-000 HOOK SP
フック SP
2
12 E7215-706-000 HOOK RELEASE SH 44
フック解除 SH 44
1
13 RE-0150000-K0 SNAP RING 1.5
E 形止め輪 1.5
2
14 E6220-706-0A0 SHUTTER PLATE ASM.
シャッタプレート組
1
15 E6202-706-000 SHUTTER LEVER LINK
シャッタレバーリンク
1
16 A1138-776-000 SCREW
止めねじ
1
17 NM-6040001-SC NUT M4
六角ナット M 4
1
18 E6853-705-000 SHUTTER PLATE GUIDE 44
シャッタプレートガイド 44
2
19 WP-0410516-RZ WASHER
平座金
2
20 E7204-706-000 CONNECTING SHAFT
コネクティングシャフト
1
21 E6386-705-000 SCREW
止めねじ
1
22 SM-5030555-SC SCREW M3X0.5 L=5
バインドねじ M 3 X 0.5 L =5
1
23 E6314-706-0A0 SHAKE ARM ASM.
揺動ア−ム(組)
1
24 E6300-706-000 RETURN SP
リタ−ン SP
1
25 SM-6031002-TN BOLT M3 L=10
六角穴ボルト M 3 L =10
1
26 NM-6030003-SC NUT M3
六角ナット M 3
1
27 E6301-706-000 REEL SP
巻取り SP
1
28 SM-6030802-TN HEX SCREW M3 X 8
六角穴ボルト M 3 X 0.5 L =8
1
29 NM-6030003-SC NUT M3
六角ナット M 3
1
30 E7304-706-0A0 HOUSING 44 ASM.
ハウジング 44(組)
1
31 E6666-705-000 REEL SHAFT 56
巻取りシャフト 56
1
32 RE-0300000-K0 E-RING 3
E 形止め輪 3
1
33 SM-8030602-TP SCREW M3X0.5 L=6
止めねじ M 3 X 0.5 L =6
1
34 E7310-706-0A0-A TAPE HOLDER 44 ASM.
テープホルダ44(組)
1
35 E7313-706-000 TAPE CLIP 44
テ−プクリップ 44
(1)
36 SM-6030402-TN BOLT M3X4
六角穴付きボルト
1
37 E6119-706-000 CONNECTING SHAFT COLLAR
コネクティングシャフトカラ−
1
38 NM-6030003-SC NUT M3
六角ナット M 3
1
39 E7209-706-000 UPPER COVER SHAFT
アッパ−カバ−シャフト
1
40 SM-1030601-SN SCREW M3X0.5 L=6
皿小ねじ M 3 X 0.5 L =6
1
41 E6211-706-000 UPPER COVER HOOK
アッパ−カバ−フック
2

- 27 -
14.FF443S/FF444S/FF44FS(3)
FF 443 S / FF 444 S / FF 44 FS(3)
10
13
4
7
3
11
5
8
46
51
51
55
6
52
53
1
10
9
12
47
48
50
14
18
21
25
34
40
36
16
32
31
35
33
32
31
30
27
41
29
43
44
45
28
29
39
37
23
38
17
26
42
19
25
22
20
15
2
54
24