FTF-Rev05.pdf - 第35页
- 32 - NOTE( 注記 ) #01....FOR FF564 S FF 564 S 用 #02....FOR FF568S FF 568 S 用 REF.NO NOTE P ART NO D E S C R I P T I O N 品 名 Qty 1 #01 E8203-706- 0AA UPPER COVER 5 616 ASM. アッパ−カバ−5616組 1 2 #02 E8203-706- 0AB UPPER COVER …

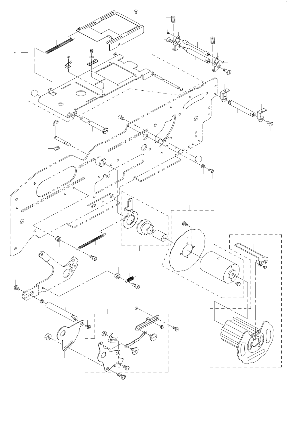
- 31 -
16.FF564S/FF568S(2)
FF 564 S / FF 568 S(2)
22
26
25
24
4
11
12
6
32
29
28
31
33
A
13
40
11
5
5
4
13
7
35
30
8
10
9
38
36
23
27
39
A
1
2
20
37
17
18
14
19
15
21
16
34
3

- 32 -
NOTE( 注記 ) #01....FOR FF564S FF 564 S 用
#02....FOR FF568S FF 568 S 用
REF.NO NOTE PART NO D E S C R I P T I O N
品 名
Qty
1
#01
E8203-706-0AA UPPER COVER 5616 ASM.
アッパ−カバ−5616組
1
2
#02
E8203-706-0AB UPPER COVER 5632 ASM.
アッパーカバー5632組
1
3 E6210-706-000 SHUTTER RETURN SP
シャッターリターン SP
(1)
4 E6211-706-000 UPPER COVER HOOK
アッパ−カバ−フック
2
5 E6216-706-000 HOOK GUIDE
フックガイド
2
6 E8217-706-000 HOOK GUIDE SH
フックガイド SH
1
7 SM-1030601-SN SCREW M3X0.5 L=6
皿小ねじ M 3 X 0.5 L =6
1
8 SM-5030555-SC SCREW M3X0.5 L=5
バインドねじ M 3 X 0.5 L =5
1
9 E8218-706-000 HOOK CONNECTING SH 56
フックコネクティング SH 56
1
10 E1212-706-000 HOOK SHAFT
フックシャフト
1
11 E1213-706-000 HOOK SP
フック SP
2
12 E8215-706-000 HOOK RELEASE SH 56
フック解除 SH 56
1
13 RE-0150000-K0 SNAP RING 1.5
E 形止め輪 1.5
2
14 E8200-706-0A0 SHUTTER PLATE 56 ASM.
シャッタープレート56組
1
15 E6202-706-000 SHUTTER LEVER LINK
シャッタレバーリンク
1
16 A1138-776-000 SCREW
止めねじ
1
17 NM-6040001-SC NUT M4
六角ナット M 4
1
18 E6853-705-000 SHUTTER PLATE GUIDE 44
シャッタプレートガイド 44
2
19 WP-0410516-RZ WASHER
平座金
2
20 E8204-706-000 CONNECTING SHAFT
コネクティングシャフト
1
21 E6386-705-000 SCREW
止めねじ
1
22 SM-5030555-SC SCREW M3X0.5 L=5
バインドねじ M 3 X 0.5 L =5
1
23 E6314-706-0A0 SHAKE ARM ASM.
揺動ア−ム(組)
1
24 E6300-706-000 RETURN SP
リタ−ン SP
1
25 SM-6031002-TN BOLT M3 L=10
六角穴ボルト M 3 L =10
1
26 NM-6030003-SC NUT M3
六角ナット M 3
1
27 E6301-706-000 REEL SP
巻取り SP
1
28 SM-6030802-TN HEX SCREW M3 X 8
六角穴ボルト M 3 X 0.5 L =8
1
29 NM-6030003-SC NUT M3
六角ナット M 3
1
30 E8304-706-0A0 HOUSING 56 ASM.
ハウジング 56(組)
1
31 E6666-705-000 REEL SHAFT 56
巻取りシャフト 56
1
32 RE-0300000-K0 E-RING 3
E 形止め輪 3
1
33 SM-8030602-TP SCREW M3X0.5 L=6
止めねじ M 3 X 0.5 L =6
1
34 E8310-706-0A0-A TAPE HOLDER 56 ASM.
テープホルダ56組
1
35 E8313-706-000 TAPE CLIP 56
テ−プクリップ56
(1)
36 SM-6030402-TN BOLT M3X4
六角穴付きボルト
1
37 E6119-706-000 CONNECTING SHAFT COLLAR
コネクティングシャフトカラ−
1
38 NM-6030003-SC NUT M3
六角ナット M 3
1
39 E8209-706-000 UPPER COVER SHAFT
アッパ−カバ−シャフト
1
40 SM-1030601-SN SCREW M3X0.5 L=6
皿小ねじ M 3 X 0.5 L =6
1

- 33 -
17.FF564S/FF568S(3)
FF 564 S / FF 568 S(3)
10
13
4
7
11
5
8
54
51
51
50
6
52
53
10
9
12
1
3
2
46
47
48
49
14
18
21
25
34
40
36
16
32
41
33
32
31
30
24
27
41
29
43
44
45
28
29
39
37
23
38
17
26
42
19
25
22
20
15
35