FTF-Rev05.pdf - 第41页
- 38 - REF.NO NOTE P ART NO D E S C R I P T I O N 品 名 Qty 1 E9203-706- 0AA UPPER COVER 7 216 ASM. アッパーカバー7216組 1 2 E6210-706- 000 SHUTTER RETURN SP シャッターリターン SP (1) 3 SM-1030601-SN SCREW M3X0.5 L=6 皿小ねじ M 3 X 0.5 L =6 1 …

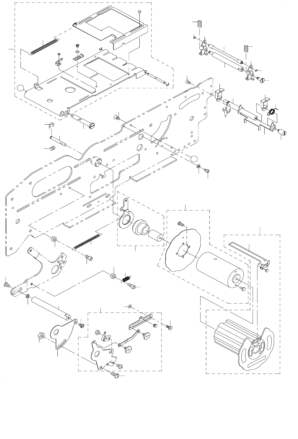
- 37 -
19.FF724S/FF728S(2)
FF 724 S / FF 728 S(2)
22
26
25
24
4
11
12
32
29
28
31
33
A
13
3
11
5
5
4
13
35
30
10
41
39
23
27
A
42
1
9
20
40
17
18
14
19
15
21
16
34
37
38
36
6
8
7
2

- 38 -
REF.NO NOTE PART NO D E S C R I P T I O N
品 名
Qty
1 E9203-706-0AA UPPER COVER 7216 ASM.
アッパーカバー7216組
1
2 E6210-706-000 SHUTTER RETURN SP
シャッターリターン SP
(1)
3 SM-1030601-SN SCREW M3X0.5 L=6
皿小ねじ M 3 X 0.5 L =6
1
4 400-91133 U_C_HOOK_32
アッパーカバーフック32
2
5 E6216-706-000 HOOK GUIDE
フックガイド
2
6 400-91134 HOOK_GUIDE_SH_72
フックガイドシャフト 72
1
7 400-52050 SCREW M3X6 MEC
メックねじ M3X6
1
8 E6216-706-R00 RETURN LEVER SP
リターンレバー SP
1
9 E9218-706-000 HOOK CONNECTING SH 72
フックコネクティング SH 72
1
10 E6212-706-R00 HOOK SHAFT
フックシャフト
1
11 E1213-706-000 HOOK SP
フック SP
2
12 E9215-706-000 HOOK RELEASE SH 72
フック解除 SH 72
1
13 RE-0150000-K0 SNAP RING 1.5
E 形止め輪 1.5
2
14 E6220-706-0A0 SHUTTER PLATE ASM.
シャッタプレート組
1
15 E6202-706-000 SHUTTER LEVER LINK
シャッタレバーリンク
1
16 A1138-776-000 SCREW
止めねじ
1
17 NM-6040001-SC NUT M4
六角ナット M 4
1
18 E6853-705-000 SHUTTER PLATE GUIDE 44
シャッタプレートガイド 44
2
19 WP-0410516-RZ WASHER
平座金
2
20 E9204-706-000 CONNECTING SHAFT
コネクティングシャフト
1
21 E6386-705-000 SCREW
止めねじ
1
22 SM-5030555-SC SCREW M3X0.5 L=5
バインドねじ M 3 X 0.5 L =5
1
23 E6314-706-0A0 SHAKE ARM ASM.
揺動ア−ム(組)
1
24 E6300-706-000 RETURN SP
リタ−ン SP
1
25 SM-6031002-TN BOLT M3 L=10
六角穴ボルト M 3 L =10
1
26 NM-6030003-SC NUT M3
六角ナット M 3
1
27 E6301-706-000 REEL SP
巻取り SP
1
28 SM-6030802-TN HEX SCREW M3 X 8
六角穴ボルト M 3 X 0.5 L =8
1
29 NM-6030003-SC NUT M3
六角ナット M 3
1
30 E9304-706-0A0 HOUSING 72 ASM.
ハウジング 72(組)
1
31 E6666-705-000 REEL SHAFT 56
巻取りシャフト 56
1
32 RE-0300000-K0 E-RING 3
E 形止め輪 3
1
33 SM-8030602-TP SCREW M3X0.5 L=6
止めねじ M 3 X 0.5 L =6
1
34 E9310-706-0A0-A TAPE HOLDER 72 ASM.
テープホルダ72(組)
1
35 E9313-706-000 TAPE CLIP 72
テ−プクリップ 72
(1)
36 RE-0400000-K0 E-RING 4
E 形止め輪 4
2
37 E6219-706-R00 LEVER GUIDE SH
レバーガイド SH
1
38 400-91135 RETURN LEVER 72
リターンレバー 72
1
39 SM-6030402-TN BOLT M3X4
六角穴付きボルト
1
40 E6119-706-000 CONNECTING SHAFT COLLAR
コネクティングシャフトカラ−
1
41 NM-6030003-SC NUT M3
六角ナット M 3
1
42 E9209-706-000 UPPER COVER SHAFT
アッパーカバーシャフト
1

- 39 -
20.FF724S/FF728S(3)
FF 724 S / FF 728 S(3)
10
13
4
7
11
5
8
46
54
51
51
50
6
52
53
10
9
12
1
3
2
35
47
48
49
14
18
21
25
34
40
36
16
32
31
33
32
31
30
24
27
41
29
43
44
45
28
29
39
37
23
38
17
26
42
19
25
22
20
15