FTF-Rev05.pdf - 第15页
- 12 - NOTE( 注記 ) #01....FOR FF16NS FF 16 NS 用 #02....FOR FF161S ,FF16NS FF 161 S,FF 16 NS 用 #03....FOR FF16 2S,FF163S,FF16FS FF 16 2 S,FF 16 3 S,FF 16 FS 用 REF.NO NOTE PART NO D E S C R I P T I O N 品 名 Qty 1 E4303-706-0…

- 11 -
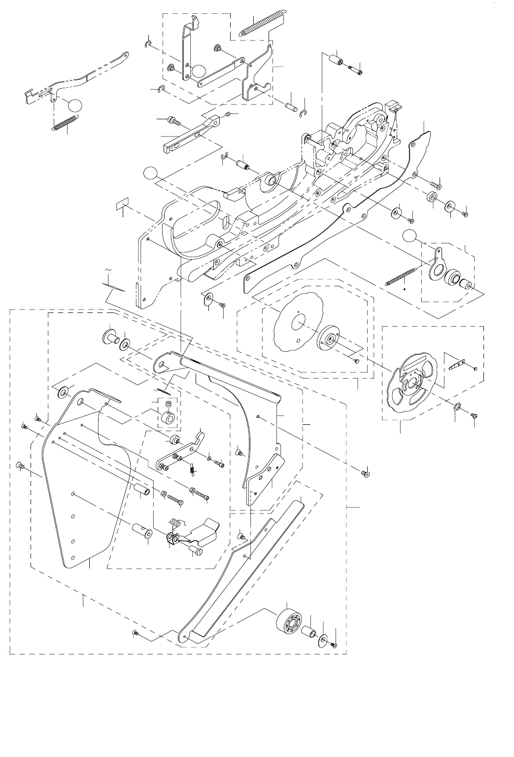
6. FF161S/FF16NS/FF162S/FF163S/FF16FS(2)
FF 161 S / FF16NS / FF 162 S / FF 163 S / FF 16 FS(2)
2
5
1
3
4
B
10
28
13
20
24
22
A
25
26
B
27
27
8
A
21
6
18
19
18
16
19
14
7
64
11
12
17
15
61
63
29
33
23
36
40
49
55
51
31
47
46
50
48
47
46
45
39
42
56
44
58
59
60
43
44
54
52
38
53
32
41
57
34
40
37
35
30
9

- 12 -
NOTE( 注記 ) #01....FOR FF16NS FF 16 NS 用
#02....FOR FF161S,FF16NS FF 161 S,FF 16 NS 用
#03....FOR FF162S,FF163S,FF16FS FF 162 S,FF 163 S,FF 16 FS 用
REF.NO NOTE PART NO D E S C R I P T I O N
品 名
Qty
1 E4303-706-0A0 SHAKE ARM 16 ASM.
揺動ア−ム 16(組)
1
2 E2300-706-000 RETURN SP
リタ−ン SP
1
3 E1301-706-000 REEL SP
巻取り SP
1
4
#01
E5301-706-000 REEL SP 24
巻取り SP 24
1
5 E4304-706-0A0-A HOUSING 16 ASM.
ハウジング16組
1
6 E4310-706-0A0-A TAPE HOLDER 16 ASM.
テープホルダー16組
1
7 E6404-705-000 REEL SHAFT B
巻取りシャフト B
1
8 WT-0320002-KZ WASHER
歯付き座金 M 3
1
9 400-73926 SCREW M3X5 MEC
メックねじ M 3 X 5
1
10 RE-0300000-K0 E-RING 3
E 形止め輪 3
1
11 E3335-706-000 TAPE GUIDE ROLLER
テープガイドローラー
1
12 E3336-706-000 TAPE GUIDE ROLLER SH
テープガイドローラー SH
1
13 E3400-706-000 GUIDE COVER
ガイドカバ−
1
14 SM-1030601-SN SCREW M3X0.5 L=6
皿小ねじ M3X0.5 L=6
6
15 E4006-706-000 X-AXIS GUIDE COLLAR 16
X 軸ガイドカラー 16
1
16 E6344-705-000 TAPE GUIDE
テープガイド
1
17 SM-1031001-SN SCREW M3X0.5 L=10
皿小ねじ M3X0.5 L=10
1
18 E6344-705-000 TAPE GUIDE
テープガイド
2
19 SM-1030601-SN SCREW M3X0.5 L=6
皿小ねじ M3X0.5 L=6
2
20 E3500-706-000 LOCK HOLDER BLOCK
ロックホルダ−ブロック
1
21 SL-6042092-TN SCREW M4 L=20
座金付き六角穴ボルト
2
22 E3501-706-0A0-A LOCK HOLDER 12
ロックホルダー 12
1
23 SM-1040801-SN SCREW
皿ねじ
4
24 RE-0400000-K0 E-RING 4
E 形止め輪 4
1
25 E6420-705-000 LOCK LEVER PIN B
ロックレバーピン B
1
26 SM-8040402-TP SCREW M4X0.7 L=4
止めねじ M4X0.7 L=4
1
27 RE-0400000-K0 E-RING 4
E 形止め輪 4
2
28 E3506-706-000 LOCK SP 12
ロック SP 12
1
29 E4600-706-0B0-C REEL SUPPORT 16 COMPL.
リ−ルサポ−ト16総組
1
30 E3600-706-0A0-B SUPPORT 12 ASM.
リールサポート12(組)
(1)
31 E3600-706-000-A REEL SUPPORT ARM
リールサポートアーム
(1)
32 E3601-706-0A0-A REEL SUPPORT BASE ASM.
リ−ルサポ−トベース(組)
(1)
33 E3601-706-000 REEL SUPPORT BASE
リ−ルサポ−トベース
(1)
34 E3604-706-000 REEL_SUPPORT_FITTING_PLATE
リ−ルサポ−ト合わせ板
(1)
35 400-52049 SCREW M4X6 MEC
メックねじ M 4 X 6
(2)
36 E3605-706-000 REEL SUPPORT SH
リ−ルサポ−ト SH
(1)
37 E3607-706-000 SUPPORT MAGNET
サポートマグネット
(1)
38 E3608-706-000 REEL SUPPORT BRACKET
リ−ルサポ−トブラケット
(1)
39 400-52049 SCREW M4X6 MEC
メックねじ M 4 X 6
(2)
40 E3855-760-000 THRUST WASHER A
スラストワッシャ− A
(2)
41 E3614-706-AA0 REEL_SUPPORT_SH_COLLER
リールサポート SH カラー
(1)
42 SM-6031602-TN SCREW M3 L=16
六角穴ボルト
(1)
43 SM-6031002-TN BOLT M3 L=10
六角穴ボルト M 3 L =10
(1)
44 NM-6030001-SN NUT
六角ナット
(2)
45 E3602-706-000 GUIDE ROLLER
ガイドロ−ラ
(1)
46 E3603-706-000 GUIDE ROLLER SH
ガイドロ−ラ SH
(2)
47 400-52050 SCREW M3X6 MEC
メックねじ M 3 X 6
(2)
48 E6344-705-000 TAPE GUIDE
テープガイド
(1)
49 400-52050 SCREW M3X6 MEC
メックねじ M 3 X 6
(1)
50 E4611-706-0A0-B REEL HOOK 16 ASM
リールフック16組
(1)
51 SM-1040801-SN SCREW
皿小ねじ
(1)
52 E6949-705-000 REELPRESSURE 12
リール押え12
(1)
53 E6355-705-000 F COVER 8
F カバー SP 8
(1)
54 E3045-706-A00 REEL_HOLD_SHAFT
リール押えシャフト12
(1)
55 SM-1030601-SN SCREW M3X0.5 L=6
皿小ねじ M3X0.5 L=6
(1)
56 E3609-706-0A0-A REEL_SUPPORT_HOOK_ASM.
リールサポートフック組
(1)
57 E3610-706-000-A REEL_SUPPORT_HOOK_SH
リールサポートフック調整 SH
(1)
58 WP-0320501-SC WASHER M3
平座金 3.2 X 7 X 0.5
(1)
59 SM-6031002-TN BOLT M3 L=10
六角穴ボルト M 3 L =10
(1)
60 A1607-008-000 REEL SUPPORT HOOK SP
リ−ルサポ−トフック SP
(1)
61
#01
E4705-706-000 NAME_PLATE
機種名ラベル(FF 16 NS)
1
62
#02
E4701-706-000 NAME PLATE
機種名ラベル(FF 161 S)
1
63
#03
E4702-706-000 NAME_PLATE
機種名ラベル(FF 162 S)
1
64 E5704-760-000 LOT NAME PLATE
ロット銘板
1

- 13 -
7. FF242S/FF24NS/FF243S/FF244S/FF245S/FF246S/FF24FS(1)
FF 242 S / FF 24 NS / FF 243 S / FF 244 S / FF 245 S / FF 246 S / FF 24 FS(1 )
3
1
10
16
18
19
15
17
28
2
40
43
44
57
55
29
31
33
32
56
27
25
26
36
39
30
9
14
20
21
7
8
12
13
11
22
23
50
35
34
4
5
5
53
6
6
6
48
50
49
46
47
46
45
47
45
52
52
51
24
58
54