FTF-Rev05.pdf - 第19页
- 16 - NOTE( 注記 ) #01....FOR FF24NS FF 24 NS 用 #02....FOR FF242S FF 242 S 用 #03....FOR FF243S FF 243 S 用 #04....FOR FF244S FF 244 S 用 #05....FOR FF245S FF 245 S 用 #06....FOR FF246S FF 246 S 用 #07....FOR FF24FS FF 24 FS 用…

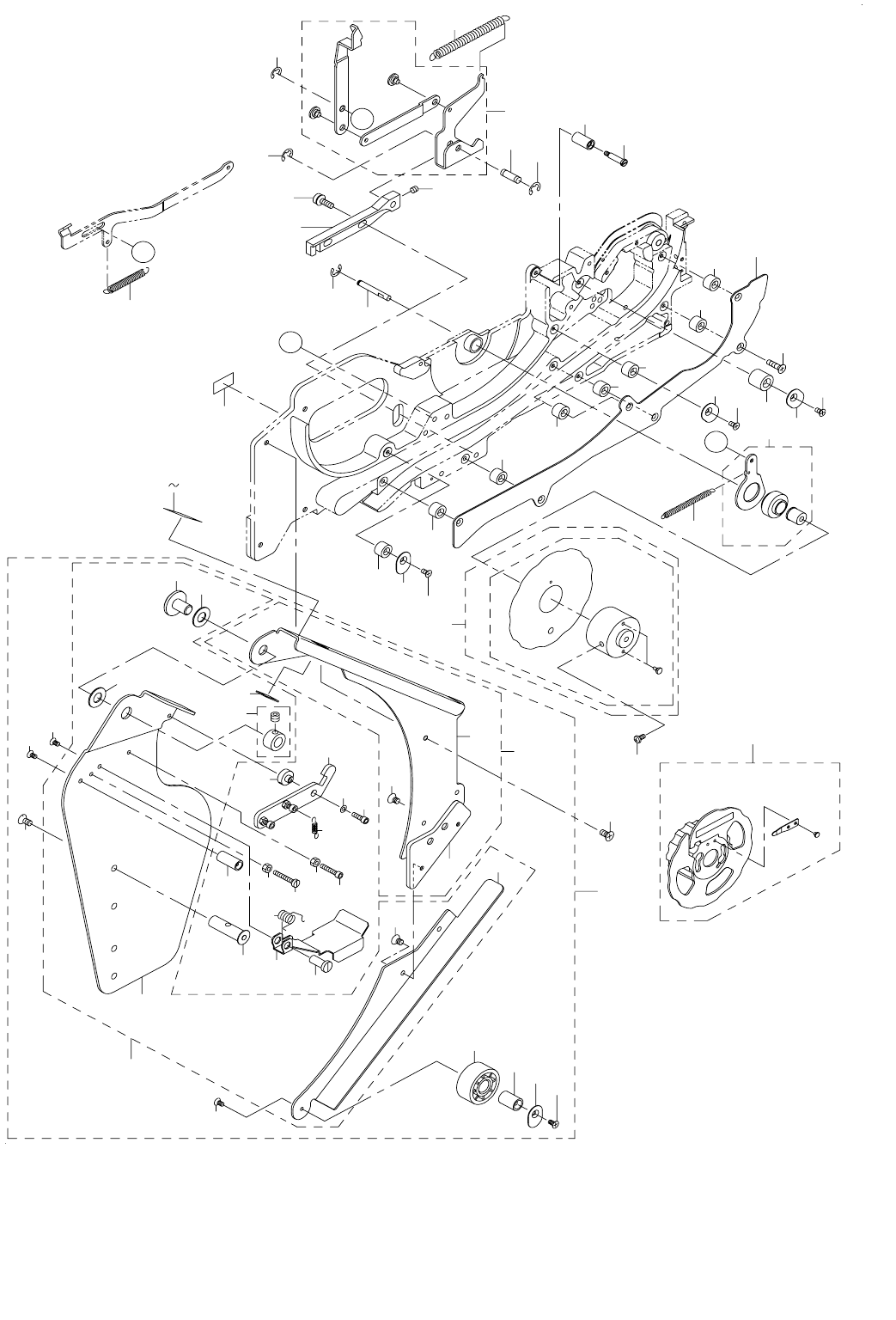
- 15 -
8. FF242S/FF24NS/FF243S/FF244S/FF245S/FF246S/FF24FS(2)
FF 242 S / FF 24 NS / FF 243 S / FF 244 S / FF 245 S / FF 246 S / FF 24 FS(2 )
2
1
3
B
8
6
11
A
B
5
67
17
18
17
15
18
16
14
13
9
10
4
7
26
27
19
23
21
24
25
26
A
20
12
12
12
12
12
12
12
12
60
66
28
32
22
35
39
48
54
50
30
46
45
49
47
46
45
44
38
41
55
43
57
58
59
42
43
53
51
37
52
31
40
56
33
39
36
34
29

- 16 -
NOTE( 注記 ) #01....FOR FF24NS FF 24 NS 用
#02....FOR FF242S FF 242 S 用
#03....FOR FF243S FF 243 S 用
#04....FOR FF244S FF 244 S 用
#05....FOR FF245S FF 245 S 用
#06....FOR FF246S FF 246 S 用
#07....FOR FF24FS FF 24 FS 用
REF.NO NOTE PART NO D E S C R I P T I O N
品 名
Qty
1 E4303-706-0A0 SHAKE ARM 16 ASM.
揺動ア−ム 16(組)
1
2 E2300-706-000 RETURN SP
リタ−ン SP
1
3 E5301-706-000 REEL SP 24
巻取り SP 24
1
4 E5304-706-0A0-A HOUSING 24 ASM.
ハウジング24組
1
5 E5310-706-0A0-A TAPE HOLDER 24 ASM.
テープホルダ24組
1
6 E4009-760-000 REEL SHAFT
巻取りシャフト
1
7 SM-8030502-TP SCREW M3 L=5
止めねじ M3X0.5 L=5
1
8 RE-0300000-K0 E-RING 3
E 形止め輪 3
1
9 E5335-706-000 TAPE GUIDE ROLLER 24
テープガイドローラー 24
1
10 E5336-706-000 TAPE GUIDE ROLLER SH 24
テープガイドローラー SH 24
1
11 E3400-706-000 GUIDE COVER
ガイドカバ−
1
12 E5401-706-000 GUIDE COVER COLLAR
ガイドカバ−カラー
8
13 SM-1031401-SC SCREW M3X0.5 L=14
皿小ねじ M3X0.5 L=14
6
14 E5006-706-000 X-AXIS GUIDE COLLAR
X 軸ガイドカラー
1
15 E6344-705-000 TAPE GUIDE
テープガイド
1
16 SM-1032001-SC SCREW M3X0.5 L=20
皿小ねじ M3X0.5 L=20
1
17 E6344-705-000 TAPE GUIDE
テープガイド
2
18 SM-1031401-SC SCREW M3X0.5 L=14
皿小ねじ M3X0.5 L=14
2
19 E3500-706-000 LOCK HOLDER BLOCK
ロックホルダ−ブロック
1
20 SL-6042092-TN SCREW M4 L=20
座金付き六角穴ボルト
2
21 E3501-706-0A0-A LOCK HOLDER 12
ロックホルダー12
1
22 SM-1040801-SN-M SCREW
皿ねじ
4
23 RE-0400000-K0 E-RING 4
E 形止め輪 4
1
24 E6420-705-000 LOCK LEVER PIN B
ロックレバーピン B
1
25 SM-8040402-TP SCREW M4X0.7 L=4
止めねじ M4X0.7 L=4
1
26 RE-0400000-K0 E-RING 4
E 形止め輪 4
2
27 E3506-706-000 LOCK SP 12
ロック SP 12
1
28 E5600-706-0B0-C REEL SUPPORT 24 COMPL.
リールサポート24総組
1
29 E3600-706-0A0-B SUPPORT 12 ASM.
リールサポート12(組)
(1)
30 E3600-706-000-A REEL SUPPORT ARM
リールサポートアーム
(1)
31 E3601-706-0A0-A REEL SUPPORT BASE ASM.
リ−ルサポ−トベース(組)
(1)
32 E3601-706-000 REEL SUPPORT BASE
リ−ルサポ−トベース
(1)
33 E3604-706-000 REEL_SUPPORT_FITTING_PLATE
リ−ルサポ−ト合わせ板
(1)
34 400-52049 SCREW M4X6 MEC
メックねじ M 4 X 6
(2)
35 E3605-706-000 REEL SUPPORT SH
リ−ルサポ−ト SH
(1)
36 E3607-706-000 SUPPORT MAGNET
サポートマグネット
(1)
37 E3608-706-000 REEL SUPPORT BRACKET
リ−ルサポ−トブラケット
(1)
38 400-52049 SCREW M4X6 MEC
メックねじ M 4 X 6
(2)
39 E3855-760-000 THRUST WASHER A
スラストワッシャ− A
(2)
40 E3614-706-AA0 REEL_SUPPORT_SH_COLLER
リールサポート SH カラー
(1)
41 SM-6031602-TN SCREW M3 L=16
六角穴ボルト
(1)
42 SM-6031002-TN BOLT M3 L=10
六角穴ボルト M 3 L =10
(1)
43 NM-6030001-SN NUT
六角ナット
(2)
44 E3602-706-000 GUIDE ROLLER
ガイドロ−ラ
(1)
45 E3603-706-000 GUIDE ROLLER SH
ガイドロ−ラ SH
(2)
46 400-52050 SCREW M3X6 MEC
メックねじ M 3 X 6
(2)
47 E6344-705-000 TAPE GUIDE
テープガイド
(1)
48 400-52050 SCREW M3X6 MEC
メックねじ M 3 X 6
(1)
49 E5611-706-0A0-B REEL HOOK 24 ASM
リールフック24組
(1)
50 SM-1040801-SN SCREW
皿小ねじ
(1)
51 E6982-705-000 REELPRESSURE 24
リール押え24
(1)
52 E6355-705-000 F COVER 8
F カバー SP 8
(1)
53 E3045-706-A00 REEL_HOLD_SHAFT
リール押えシャフト12
(1)
54 SM-1030601-SN SCREW M3X0.5 L=6
皿小ねじ M3X0.5 L=6
(1)
55 E3609-706-0A0-A REEL_SUPPORT_HOOK_ASM.
リールサポートフック組
(1)
56 E3610-706-000-A REEL_SUPPORT_HOOK_SH
リールサポートフック調整 SH
(1)
57 WP-0320501-SC WASHER M3
平座金 3.2 X 7 X 0.5
(1)
58 SM-6031002-TN BOLT M3 L=10
六角穴ボルト M 3 L =10
(1)
59 A1607-008-000 REEL SUPPORT HOOK SP
リ−ルサポ−トフック SP
(1)
60
#01
E5707-706-000 NAME_PLATE
機種名ラベル(FF 24 NS)
1
61
#02
E5701-706-000 NAME_PLATE
機種名ラベル(FF 242 S)
1
62
#03
E5702-706-000 NAME PLATE
機種名ラベル(FF 243 S)
1
63
#04
E5703-706-000 NAME PLATE
機種名ラベル(FF 244 S)
1
64
#05
E5704-706-000 NAME PLATE
機種名ラベル(FF 245 S)
1
65
#06
E5705-706-000 NAME PLATE
機種名ラベル(FF 246 S)
1
66
#07
E5706-706-000 VNAME PLATE
機種名ラベル(FF 24 FS)
1
67 E5704-760-000 LOT NAME PLATE
ロット銘板
1

- 17 -
9. FF323S/FF324S/FF32FS(1)
FF 323 S / FF 324 S / FF 32 FS(1)
2
3
6
5
44
1
30
31
32
51
43
41
43
45
40
38
36
37
39
50
46
53
53
29
33
4
42
B
A
A
34
19
25
20
22
27
49
52
23
48
26
21
14
12
13
52
18
24
B
7
11
10
11
28
8
55
57
58
59
9
64
67
61
63
60
16
17
15
D
D
65
56
66
62
54
26
35
C
C
47