JM-20-Rev08PDFA - 第107页
- 102 - NOTE( 注記 ) #01....MTS IS INST ALLED MTS 装着時 REF.NO NOTE PART NO D E S C R I P T I O N 品 名 Qty 1 PF-0154010-A0 AIR FILTER エアフィルター 1 2 PF-9010070-00 FILTER ELEMENT フィルタエレメント (1) 3 BT-1200801-EF TUBE チュ−ブ 2 4 #01 SL…

- 101 -
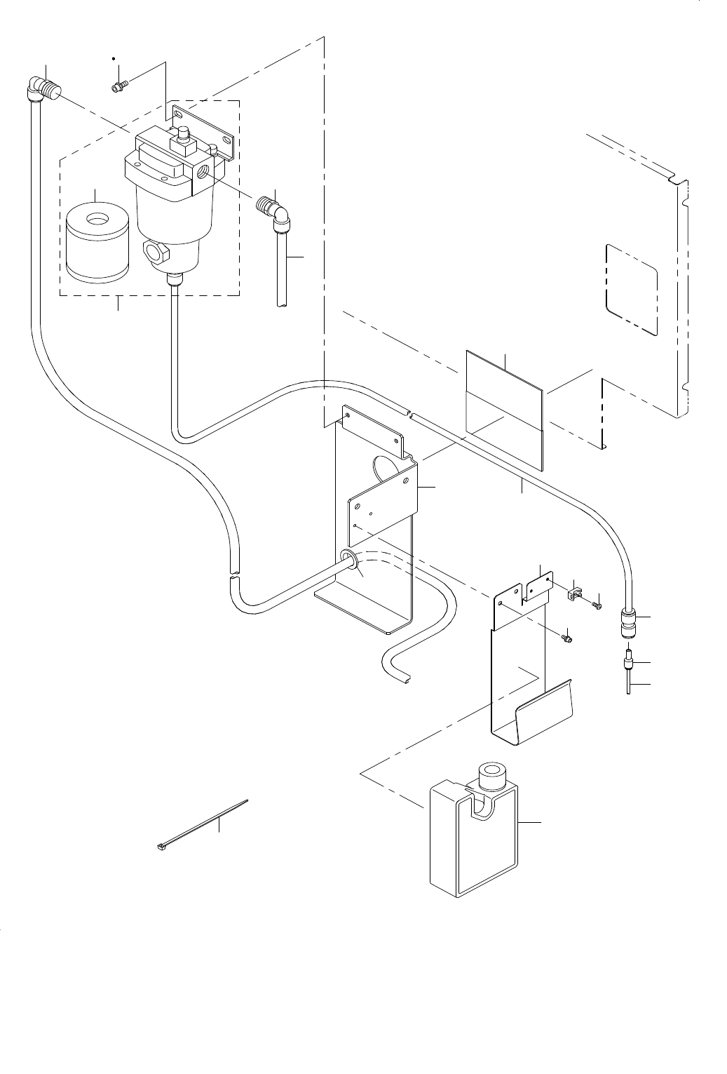
51.MAIN LINE FILTER COMPONENTS
メインラインフィルタ関係
15
14
16
17
7
8
13
11
9
6
18
5
12
19
3
2
1
4
10
19

- 102 -
NOTE( 注記 ) #01....MTS IS INSTALLED MTS 装着時
REF.NO NOTE PART NO D E S C R I P T I O N
品 名
Qty
1 PF-0154010-A0 AIR FILTER
エアフィルター
1
2 PF-9010070-00 FILTER ELEMENT
フィルタエレメント
(1)
3 BT-1200801-EF TUBE
チュ−ブ
2
4
#01
SL-6061692-TN SCREW M6 L=16
座金付き六角穴ボルト M6 L=16
2
5 400-16815 DRAIN TANK
ドレインタンク
1
6 BT-1000651-EB URETHANE TUBE BLACK 10X6.5
ポリウレタン チューブ 黒 10X6.5
0.8
7 PJ-3031000-02 STRAIGHT
ストレート
1
8 PJ-3090400-03 REDUCER 4-10
レジューサ 4ー10
1
9 BT-0400251-EA URETHANE TUBE BLUE 4X2.5
ポリウレタン チューブ 青 4X2.5
0.16
10 SL-6082092-TN SCREW M8 L=20
座金付き六角穴ボルト M8 L=20
2
11 400-55291 FILTER BRACKET
フィルタブラケット
1
12
#01
HX-0005500-0J RUBBER BUSHING
ゴムブッシュ
1
13 E1387-700-000 HOD MAGNET
HOD マグネット
2
14 400-55290 DRAIN TANK STAY
ドレインタンクステイ
1
15
#01
SL-6040892-TN SCREW M4 L=8
座金付き六角穴ボルト M4 L=8
2
16 HX-0029400-00 FIXED BASE
固定ベース
1
17 SM-4040601-SC SCREW M4X0.7 L=6
なべ小ねじ M4X0.7 L=6
1
18 EA-9500B01-00 CABLE BAND
束線バンド
1
19 PJ-3041254-01 ELBOW UNION D=12
エルボユニオンφ12
2

- 103 -
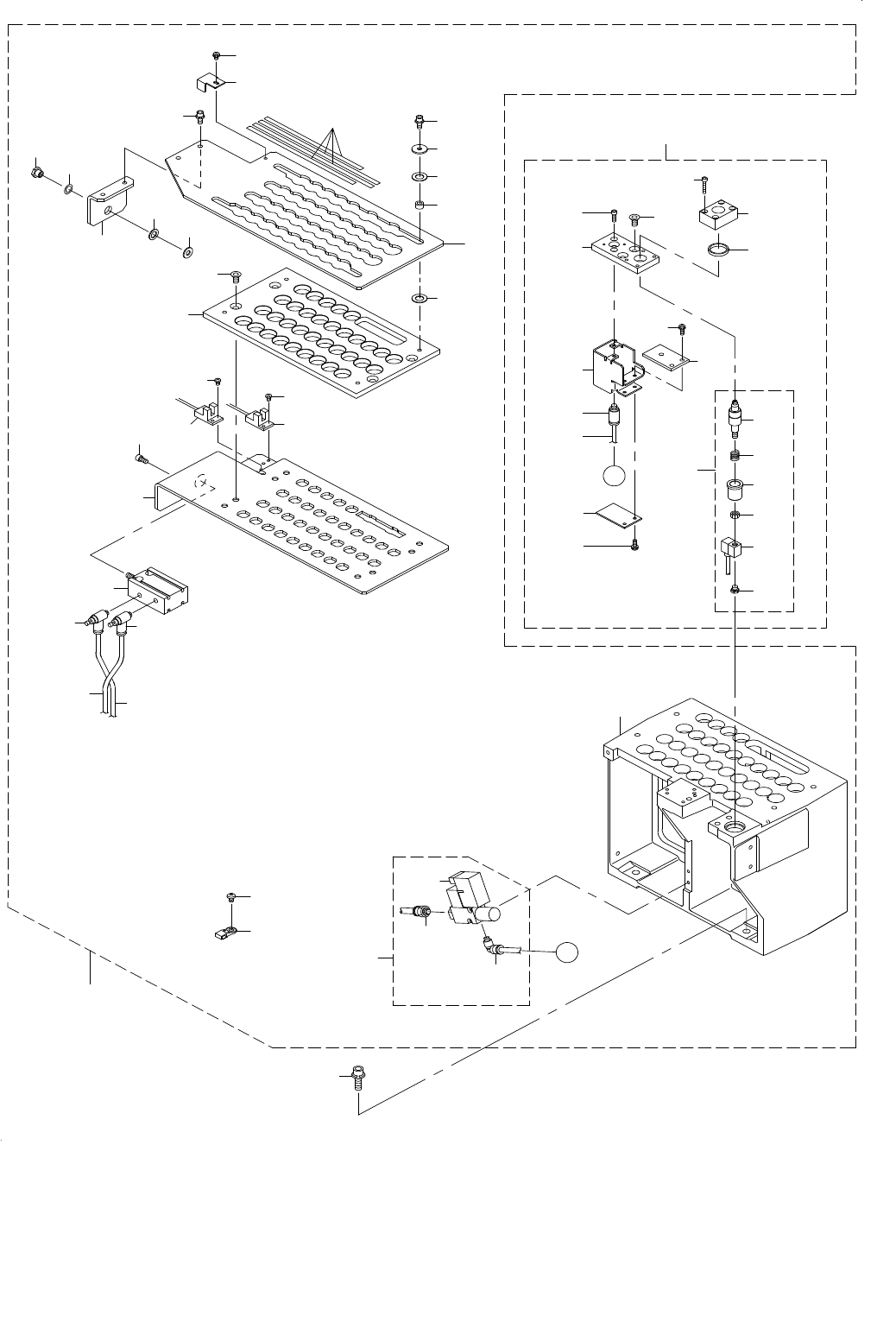
52.ATC UNIT COMPONENTS
ATC ユニット関係
45
33
44
43
42
35
53
A
40
38
47
48
49
46
39
37
36
34
41
52
10
1
21
22
A
16
16
18
9
8
7
54
15
14
13
10
12
12
6
11
31
32
29
28
23
22
20
17
19
5
4
3
2
30
24
25
26
27
50
51