JM-20-Rev08PDFA - 第139页
- 134 - NOTE( 注記 ) #01....FOR ST ST 用 #02....FOR EN EN 用 REF.NO NOTE PART NO D E S C R I P T I O N 品 名 Qty 1 401-36345 IO-20 PCB AS M IO−20基板組 1 2 401-36535 IO PCB RELAY CAB LE ASM IO PCB中継ケーブル組 1 3 401-36536 CARRY MOTOR…

- 133 -
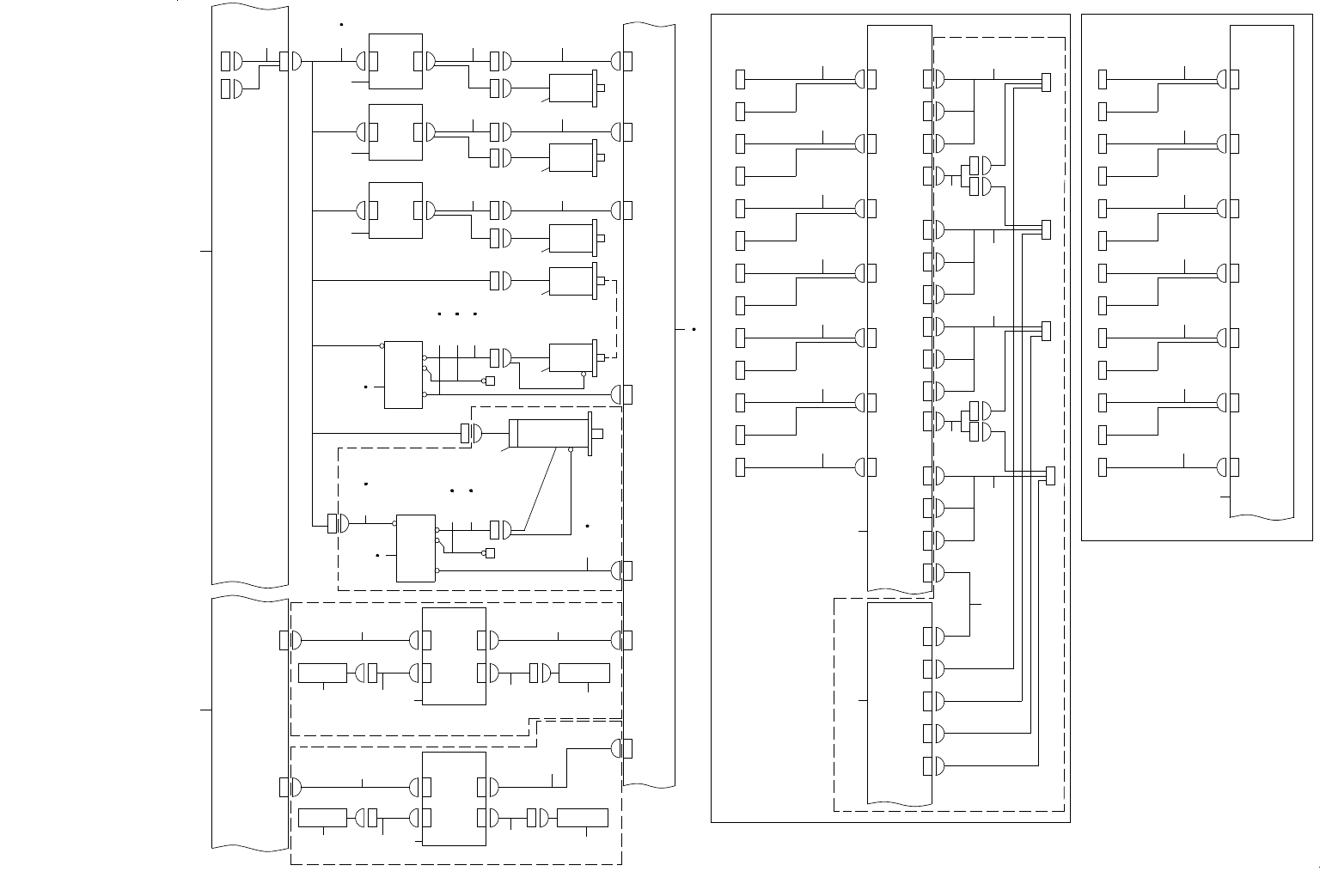
67.SYSTEM DIAGRAM(4)
SYSTEM DIAGRAM(4)
7-5B
CN4
CN029
CN029
CN028
CN028
BANKR04
BANKF04CN4
5-1B
AWC OPTION
CN658BUE
BU UP
ENCODER
CN7-2 CN7-2
CN7-1 CN7-1
CN7
RIGHT MOTOR DRV
CN656
RM-P
RMT
RM-2RM-1 CN2CN1
RIGHT
MOTOR
LEFT MOTOR DRV
CENTOR MOTOR DRV
CN656
CN656
LM-P
LMT
LM-2LM-1 CN2CN1
CM-PCM-2CM-1 CN 2CN1
LEFT
MOTOR
CENTOR
MOTOR
CMT
IO-CN7
CN657
CN659
AWCM
AWCE
BUM
BU UP
MOTOR
CN705
CN704
CN703
CN702
BK-FL
BK-FL
BK-RR
BK-FR
FRONT CONNECTOR BRACKET(1/2)
55-60
49-54
43-48
37-42
67-72
61-66
73-79
CN618 CN18
CN620 CN20
CN621 CN21
CN622 CN22
31-36
25-30
19-24
13-18
7-12
1-6
CN623 CN23
CN624 CN24
CN625 CN25
7-4C
(REAR)
FEEDER I/F
PCB(1/2)
5-1C
1-4C
55-60
49-54
43-48
37-42
67-72
61-66
73-79
CN618 CN18
CN620 CN20
CN621 CN21
CN622
CN22
31-36
25-30
19-24
13-18
7-12
1-6
CN623
CN23
CN624
CN24
CN625
CN25
CN5
CN4
BW RR
CN13 CN613
CN9 CN609
CN5 CN605
BW RL
CN12 CN612
CN29 CN629
CN4 CN604
CN3
CN6 CN706
CN32 CN632
DRV
PCB(1/2)
40130365
BW LR
CN11 CN611
CN7 CN607
CN3 CN603
7-4A
BW LL
CN10 CN610
CN2
CN28 CN628
CN2 CN602
(FRONT)
FEEDER I/F
PCB(1/2)
FEEDER
(REAR_RIGHT)
BANKR03
FEEDER
(REAR_RIGHT)
FEEDER
(REAR_LEFT)
BANKR02
FEEDER
(REAR_LEFT)
CN3
CN2
CN1
FEEDER
(FRONT_RIGHT)
BANKF03CN3
FEEDER
(FRONT_RIGHT)
FEEDER
(FRONT_LEFT)
BANKF02 CN2
FEEDER
(FRONT_LEFT)
DRIVE CYLINDER(R) OPTION
DRIVE CYLINDER(F) OPTION
BANKR01
CN1BANKF01
CN204
CN4
5-4A
BANK PCB (R)
BANK PCB (F)
MI FEEEDER
PCB(2/5)
CN202CN2
CN455
R14E
R13E
1
2
3 4
55 5
6
7
8
9
11
54
10 10 10 12 17
CN033
CN034
CN035
PWR35
PWR34
PWR33
PWR012
CN012
CN011
PWR011
15 16
18 19
20
21
13 14
5PHASE
DRIVER
IO-20
PCB(5/6)
3-3C
POWER UNIT(4/9)
3-3C
22
AUTO WIDTH
ADJUSTMENT MOTOR
29 30
CN660
13 14
23 24
25 26
27 28
5PHASE
DRIVER
31
32
33
55
56
35
59
37
33
57
58
34
34
36
36
38 39
42 43 44 45 46 47 48
40 41
53
52
61
5150
60
49
CONNECTOR BR UNIT BF OPTION
42 43 44 45 46 47
48
REAR CONNECTOR BRACKET(1/2)
40

- 134 -
NOTE( 注記 ) #01....FOR ST ST 用
#02....FOR EN EN 用
REF.NO NOTE PART NO D E S C R I P T I O N
品 名
Qty
1 401-36345 IO-20 PCB ASM
IO−20基板組
1
2 401-36535 IO PCB RELAY CABLE ASM
IO PCB中継ケーブル組
1
3 401-36536 CARRY MOTOR CABLE ASM
キャリーモータケーブル組
1
4
#02
401-36561 CARRY MOTOR CABLE ASM(EN)
キャリーモータケーブル組(EN)
1
5 HM-0013200-00 MOTOR DRIVER
モータドライバ
1
6 401-36538 CENTOR MOTOR CABLE ASM
センターモータケーブル組
1
7 401-36537 CENTOR MOTOR PWR CABLE ASM
センターモータ電源ケーブル組
1
8 401-36540 LEFT-MOTOR CABLE ASM
LEFT−MOTORケーブル組
1
9 401-36539 LEFT MOTOR PWR CABLE ASM
レフトモータ電源ケーブル組
1
10 400-48075 JOINT MOTOR ASM
ジョイントモータ組
1
11 401-36542 RIGHT-MOTOR CABLE ASM
RIGHT−MOTORケーブル組
1
12 E9433-729-0A0 BU ENC ASM.
BU ENC組
1
13 HX-0042000-00 5 PHASE STEP DRIVER
5相ステッピングモータドライバ
1
14
#02
HX-0068900-00 5 PHASE STEP DRIVER
5相ステッピングモータドライバ
1
15 401-36631 BU MOTOR CABLE ASM
BUモータケーブル組
1
16
#02
401-36632 BU MOTOR CABLE ASM(EN)
BUモータケーブル組(EN)
1
17 400-48076 BACK UP MOTOR ASM
バックアップモータ組
1
18 401-36633 BU DRV FG CABLE ASM
BU DRV FGケーブル組
1
19
#02
401-36634 BU DRV FG CABLE ASM(EN)
BU DRV FGケーブル組(EN)
1
20 401-36627 BU DRV PWR CABLE ASM
BU DRV電源ケーブル組
1
21
#02
401-36628 BU DRV PWR CABLE ASM(EN)
BU DRV電源ケーブル組(EN)
1
22 400-48077 AWC MOTOR ASM
幅調モータ組
1
23 401-36639 AWC DRV RELAY CABLE ASM
AWC DRV中継ケーブル組
1
24
#02
401-36640 AWC DRV RELAY CABLE ASM(EN)
AWC DRV中継ケーブル組(EN)
1
25 401-36635 AWC MOTOR CABLE ASM
AWCモータケーブル組
1
26
#02
401-36636 AWC MOTOR CABLE ASM(EN)
AWCモータケーブル組(EN)
1
27 401-36637 AWC DRV FG CABLE ASM
AWC DRV FGケーブル組
1
28
#02
401-36638 AWC DRV FG CABLE ASM(EN)
AWC DRV FGケーブル組(EN)
1
29 401-36629 AWC DRV PWR CABLE ASM
AWC DRV電源ケーブル組
1
30
#02
401-36630 AWC DRV PWR CABLE ASM(EN)
AWC DRV電源ケーブル組(EN)
1
31 401-30370 MI FEEDER PCB ASM
MIフィーダ基板組
1
32 401-36530 BK FPI(F) RLY CABLE ASM
BK FPI(F)中継ケーブル組
1
33 400-00575 DRIVE CYLINDER L
ドライブシリンダL
1
34 401-30379 BANK PCB ASM
バンク基板組
1
35 401-36532 BANK PWR(F) CABLE ASM
バンク電源(F)ケーブル組
1
36 400-00576 DRIVE CYLINDER R
ドライブシリンダR
1
37 401-36531 BK FPI(R) RLY CABLE ASM
BK FPI(R)中継ケーブル組
1
38
#01
401-37036 POWER_UNIT(ST)
電源ユニット(ST)
1
39
#02
401-37045 POWER_UNIT(EN)
電源ユニット(EN)
1
40 401-30360 FEEDER I/F PCB ASM
フィーダI/F基板組
1
41 401-30365 DRV PCB ASM
DRV基板組
1
42 401-36620 RADIAL CB CABLE 1 ASM
RADIAL CBケーブル1組
1
43 401-36621 RADIAL CB CABLE 2 ASM
RADIAL CBケーブル2組
1
44 401-36622 RADIAL CB CABLE 3 ASM
RADIAL CBケーブル3組
1
45 401-36623 RADIAL CB CABLE 4 ASM
RADIAL CBケーブル4組
1
46 401-36624 RADIAL CB CABLE 5 ASM
RADIAL CBケーブル5組
1
47 401-36625 RADIAL CB CABLE 6 ASM
RADIAL CBケーブル6組
1
48 401-36626 RADIAL CB CABLE 7 ASM
RADIAL CBケーブル7組
1
49 401-44972 LL BW-L CABLE ASM
LL BW−Lケーブル組
1
50 401-44973 LR BW-L CABLE ASM
LR BW−Lケーブル組
1
51 401-44974 RL BW-L CABLE ASM
RL BW−Lケーブル組
1
52 401-44975 RR BW-L CABLE ASM
RR BW−Lケーブル組
1
53 401-36601 FEEDER I/F CABLE ASM
フィーダI/Fケーブル組
1
54 401-36541 RIGHT MOTOR PWR CABLE ASM
ライトモータ電源ケーブル組
1
55 401-36520 BANK FL CABLE ASM
バンクFLケーブル組
1
56 401-36522 BANK FR CABLE ASM
バンクFRケーブル組
1
57 401-36521 BANK RL CABLE ASM
バンクRLケーブル組
1
58 401-36523 BANK RR CABLE ASM
バンクRRケーブル組
1
59 401-36533 BANK PWR(R) CABLE ASM
バンク電源(R)ケーブル組
1
60 401-44970 BW-L CABLE RELAY L ASM
BW−Lケーブル中継 L組
1
61 401-44971 BW-L CABLE RELAY R ASM
BW−Lケーブル中継 R組
1

- 135 -
68.SYSTEM DIAGRAM(5)
SYSTEM DIAGRAM(5)
6-1A
CPU BOARD(4/7)
3-2D
6-3B
POWER UNIT
(6/9)
5-1C
CN305CN5
LOAD CELL ASM
CN26 CN526
COVER OPEN SW(R)
COVER OPEN SW(F)
MBF SET SW(FR)
CN546 CN46
MBF SET SW(FL)
CN548 CN48
EMG SW(R)
EMG SW(F)
LOAD CELL OPTION
CN507
LOAD CELL
LOAD CELL AMP
CN538CN38
CN539CN39
CN516
CN16
COUT
STOP
WAIT
S8
S7
S6
S5
S4
S3
S2
S1
SB1
T.PIN OPTION
AWC OPTION
AWC OPTION
AWC OPTION
RIGHT
SENSOR
S8
S7
S6
S5
S4
S3
S2
S1
RIGHT
EN ONLY
AWC ORG
T.PIN
BU RCV
BU LOCK
BU ORG
BU EMIS
LEFT
SB2
AWC ORG
SENSOR
T.PIN
SENSOR
BU PIN SENSOR
(RECEIVING)
BU LOCK
SENSOR
BU ORG
SENSOR
COUT
SENSOR
STOP
SENSOR
WAIT
SENSOR
LEFT
SENSOR
CN307CN7
CN303CN3
CN304CN4
VCS S.V.CABLE ASM
VCS OP SENS ASM
VCS ST SENS ASM
CN476
CN474
CN475
COVER BR
CN032
7-2A
BASE
PCB(3/5)
POWER UNIT(5/9)
CN7
CN030
4-3D
2-2D
4-1D
MI FEEDER
PCB(3/5)
CN66 CN566
(to
RFID)
5-5A
(to
RFID)
5-5A
MTS2
MTS1
CN1 CN201
IS L
I/F R
MTC I/F
7-2A
LAN4
LAN4
Depth from focus processing[(DFFP)
CN5
CN305
DFFP VCS
VCS DFFP
CN481
CN481R
MBF SW(FR)
OPEN ROP
OPEN FOP
MBF SW(FL)
CN484
CN483
CN480
CN484R
CN483R
CN480R
CN484
CN483
CN482
CN481
CN480
CN547
CN47
CN549
CN49
STOP SW(R)
START SW(R)
CN484F
HOD
CN561
CN61
HOD BOX
CN801
CN537 CN37
SIGNAL
TOWER
REAR MONITOR OPTION
CONSOLE SW(F)
REAR MONITOR OPTION
CONSOLE SW(R)
MAINTENANCE
KEY SW
CN483F
START SW(F)
CN482F
CN481F
CN480F
CN543
CN43
CN542
CN42
VCS OPTION
(1-4C)
5-1D
CN473
CN473
CN10CN310
CN036
CN036
4-1C
CN9CN9 CN9
IO-20
PCB(6/6)
CN313
CN13
IO-CN9
CN2 CN302
COAXIAL
LIGHT PCB
CN1
VCS-CN1
VCS-CN2
CN2
BOTTOM
LIGHT PCB
CN3
VCS-CN3
SIDE LIGHT
UNIT
LIGHT
CTRL PCB
BU PIN SENSOR
(EMISSION)
VCS PWR
VCS TRG
1 3 7 11 13
5
12
63
2 4 6 10
8 9
14
15
16
17 18 19
20 8 9
21
22
23
24
2625 27
28
STOP SW(F)
29
30 31
32
33
28
29
31
32
34
33
35 36
37
38 38
39 39
40 41
42
43
44
45
47
48
49
50
51
52
54
53
55
56
57
58
59
60
61
62
64 65
66
67
68
69
70 71
72
73
46