YS24(SL)_KKE_e - 第17页
Confidential & P roprietary P A G E 200V 208 V 220V 240V 380V 400V 416V N N 200V 208 V 220V 240V 380V 400V 416V N N V10 U10 V10 U10 V10 U10 V10 U10 V10 U10 V10 U10 V10 U10 N N N R2 R2 R2 R2 R2 R2 R2 S2 S2 S2 S2 S2 S2…

Confidential & Proprietary
PAGE
CN34
I/O CONVEYOR BOARD ASSY
CN3
CN1
CN2
CN1 R
CN3
CN1
CN2
CN1 F
ION F
REAR SAFETY COVER
FRONT SAFETY COVER
IONIZER A21
IONIZER A22
ION I/F BOARD ASSY P026
ION I/F BOARD ASSY P027
ION CN3R
ION CN3F
I/O CONVEYOR BOARD ASSY J0701
CN8
See Page 3
See Page 5
J0708
J0707
J0703
J0702
J0705
J0704
ION R
CC.V2
14
IONIZER ASSY(OPTION)
YS24(SL)

Confidential & Proprietary
PAGE
200V 208V 220V 240V 380V 400V 416V
N N
200V 208V 220V 240V 380V 400V 416V
N N
V10
U10
V10
U10
V10
U10
V10
U10
V10
U10
V10
U10
V10
U10
N N N R2
R2
R2
R2
R2
R2
R2
S2
S2
S2
S2
S2
S2
S2
T2
T2
T2
T2
T2
T2
T2
100V
100V
0V
0V
100V
100V
0V
0V
100V
100V
0V
0V
100V
100V
0V
0V
100V
100V
0V
0V
100V
100V
0V
0V
100V
100V
0V
0V
240V
0V
190V
200V
208V
220V
240V
0V
190V
200V
208V
220V
0V
100V
240V
0V
190V
200V
208V
220V
240V
0V
190V
200V
208V
220V
0V
100V
240V
0V
190V
200V
208V
220V
240V
0V
190V
200V
208V
220V
0V
100V
240V
0V
190V
200V
208V
220V
240V
0V
190V
200V
208V
220V
0V
100V
240V
0V
190V
200V
208V
220V
240V
0V
190V
200V
208V
220V
0V
100V
240V
0V
190V
200V
208V
220V
240V
0V
190V
200V
208V
220V
0V
100V
240V
0V
190V
200V
208V
220V
240V
0V
190V
200V
208V
220V
0V
100V
240V
220V
208V
200V
190V
0V
240V
220V
208V
200V
190V
0V
240V
220V
208V
200V
190V
0V
240V
220V
208V
200V
190V
0V
240V
220V
208V
200V
190V
0V
240V
220V
208V
200V
190V
0V
230V
230V
230V
W
V
U
220V
220V
240V
220V
208V
200V
190V
0V
240V
220V
208V
200V
190V
0V
240V
220V
208V
200V
190V
0V
240V
220V
208V
200V
190V
0V
240V
220V
208V
200V
190V
0V
240V
220V
208V
200V
190V
0V
230VW
V
U
240V
220V
208V
200V
190V
0V
240V
220V
208V
200V
190V
0V
240V
220V
208V
200V
190V
0V
240V
220V
208V
200V
190V
0V
240V
220V
208V
200V
190V
0V
240V
220V
208V
200V
190V
0V
230VW
V
U
240V
220V
208V
200V
190V
0V
240V
220V
208V
200V
190V
0V
240V
220V
208V
200V
190V
0V
240V
220V
208V
200V
190V
0V
240V
220V
208V
200V
190V
0V
240V
220V
208V
200V
190V
0V
230VW
V
U
240V
220V
208V
200V
190V
0V
240V
220V
208V
200V
190V
0V
240V
220V
208V
200V
190V
0V
240V
220V
208V
200V
190V
0V
240V
220V
208V
200V
190V
0V
240V
220V
208V
200V
190V
0V
230VW
V
U
240V
220V
208V
200V
190V
0V
240V
220V
208V
200V
190V
0V
240V
220V
208V
200V
190V
0V
240V
220V
208V
200V
190V
0V
240V
220V
208V
200V
190V
0V
240V
220V
208V
200V
190V
0V
230VW
V
U
230V
230V
230V
230V
230V
230V
230V
230V
230V
230V
240V
220V
208V
200V
190V
0V
240V
220V
208V
200V
190V
0V
240V
220V
208V
200V
190V
0V
240V
220V
208V
200V
190V
0V
240V
220V
208V
200V
190V
0V
240V
220V
208V
200V
190V
0V
230VW
V
U
230V
230V
S3
S3
S3
S3
S3
S3
S3
R3 R3 R3 R3 R3 R3 R3
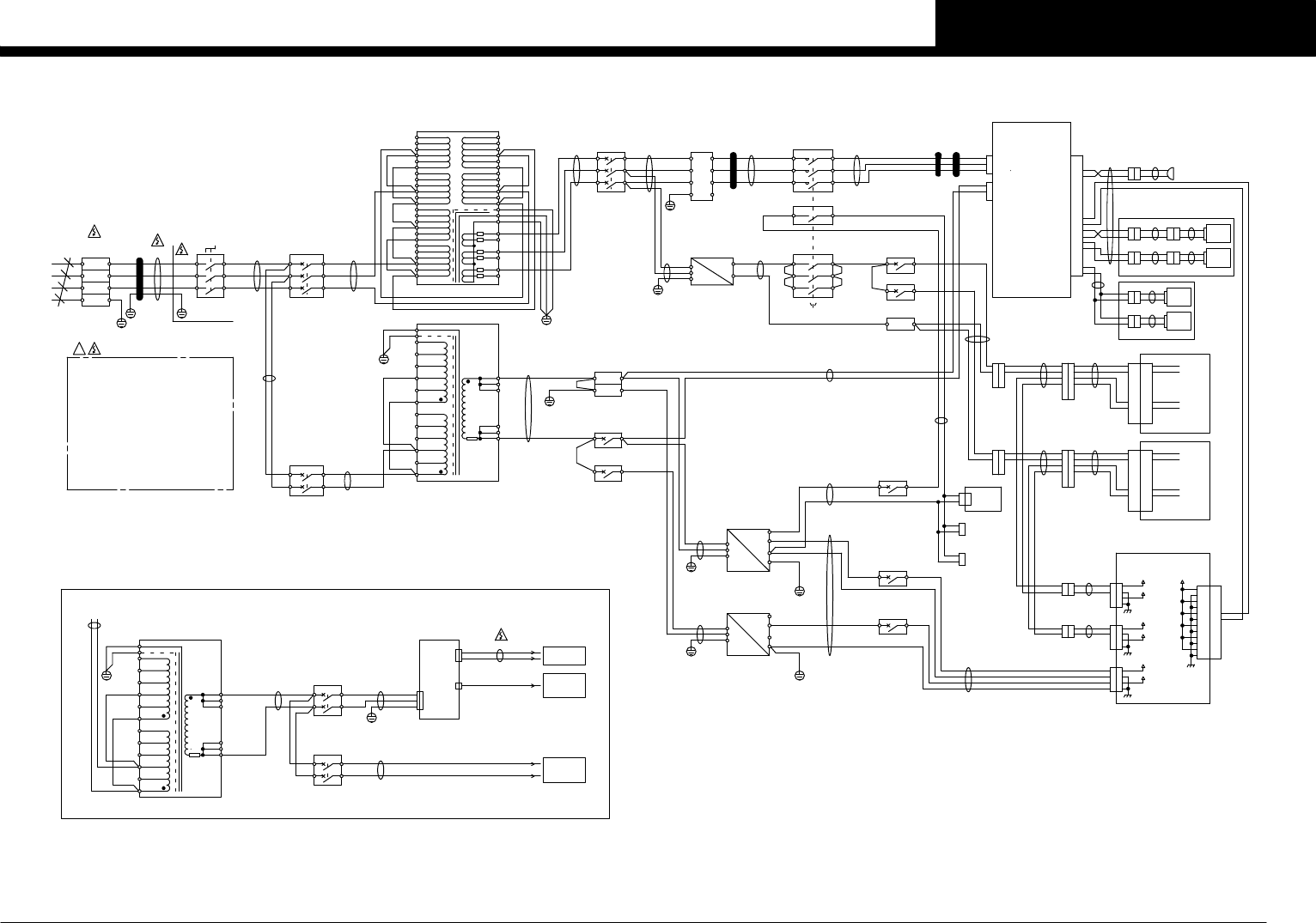
TC11:The selection of POWER SOURCE 1.75KVA
TM11:The selection of POWER SOURCE 5.18KVA
W50
V50
U50
W50
V50
U50
W50
V50
U50
200V
200V
200V
200V
200V
200V
200V
200V
200V
200V
200V
200V
200V
200V
200V
200V
200V
200V200V
W50
V50
U50
W50
V50
U50
W50 W50
V50
U50
V50
U50
CC.V2
15
POWER TRANSFORMER
YS24(SL)

Confidential & Proprietary
PAGE
≧AWG10
(5.3sq)
PE
PE
L1
L1
L2
L3
L2
L3
MAX750V/44A
XB11
J0071
BRACKET MAIN SWITCH
J0001
L1
L2
L3
J0001
MAX690V/40A
QS11
S2
T2
R2
J0002
J0013
R2
J0014
J0012
S2
J0016
J0015
J0072
J0073
J0074
T2
J0017
J0009
J0010
J0011
W50
V50
U50
TM11
5.18KVA
R1
S1
T1
R1
S1
R1
S1
R3
S3
R3
S3
J0007
J0008
J0076
J0077
J0028
QF11
MAX690V/20A
NOTE:Icu≧7.5kV(AC440V)
MAX690V/15A
NOTE:Icu≧6kV(AC440V)
QF12
1.75KVA
J0046
1
2
1
2
LCD1J0263 J0265
1
2
1
2
J0266J0264 LCD2
1
2
1
2
1
2
1
2
BUZZER
LCD+12V
1
2
1
2
LCD+12V
1
2
3
ACINAC230V
1
2
3
AC100V
AC100V:CONTROL
See Page2
B10
A10
B9
A9
B8
A8
B7
A7
B6
A6
B5
A5
B4
A4
B3
A3
B2
A2
B1
A1
EXT.PWR
J0041
LCD1
FRONT
LCD2
REAR
EXT.PWR
CONTROL BOX
A1
V10
U10
J0029
1
2
1
2
1
2
J0037
CONV+24VQF43 +24A
FDR+24V+24B
+24VQF41 +24A
J0036
XT21
J0031
J0033
V10
V10
V10
V10
V10
U11C
U11A
U11A
L
N
FG
-
-
GS21
+
+
600W 27A
L
N
FG
-
-
+
+
1000W 21A
Peak 63A 10sec
J0080
+24B
0V24B
0V24A
J0036
See Page3-6
A1
B1
A2
B2
A3
B3
A4
B4
A5
B5
A6
B6
A1
B1
A2
B2
A3
B3
A4
B4
A5
B5
A6
B6
CN27
CN27
1
2
3
4
1
2
3
4
1
2
3
4
1
2
3
4
1
2
3
4
1
2
3
4
CN45
CN43
CN45
CN43
1
2
1
2
1
2
1
2
J0022HA+24V
HB+24V J0023
I/O CONVEYOR BOARD ASSY
P025
See Page7
A1
B1
A2
B2
A3
B3
A1
B1
A2
B2
A3
B3
A4 A4
B4B4
A5 A5
B5B5
GND+24V
GND+48V
I/O CN1
+24V
+48V
CN1J0026
A1
B1
A2
B2
A3
B3
A1
B1
A2
B2
A3
B3
A4 A4
B4B4
A5 A5
B5B5
GND+24V
GND+48V
See Page8
I/O CN1
+48V
+24V
CN1
1
2
3
4
5
6
1
2
3
4
5
6
POW/EMG
1
2
3
4
5
6
1
2
3
4
5
6
POW/EMG
J0024
J0025 J0027
I/O HEAD BOARD ASSY B
I/O HEAD BOARD ASSY A
P042
P041
DCN1
DCN1
DCN1
1
2
3
4
1
2
3
4
HA+48V
1
2
3
4
1
2
3
4
HB+48V
J0021
J0030
1
2
1
2
1
2
1
2
+5V
+5V
FRONT
A43
REAR
A44
J0852
J0853
BARCODE READER(OPTION)
TC11
J0003
*
・Between INCOMING SUPPLY TERMINAL BLOCKS XB11
・Secondary side of UPS.
and MAIN SW QS11.
・Chemical capacity for motor power in
CONTROL BOX A1.
Residual risk
when MAIN SW QS11 is OFF.
*The charge mark is put on the place
that might be gotten an electric shock.
・Lower of INCOMING SUPPLY TERMINAL BLOCKS XB11.
・Around J0001 harness.
・Near the MAIN SW QS11.
・On the lower former cover at CONTROL BOX A1.
・On the cover under the front right side.
・On the cover under the rear right side.
・On the cover under the rear center.
・On the cover under the rear left side.
・On the rear side of the right side panel.
・On the rear side of the left side panel.
+48V
0V48
0V48
MAX600V/15A
J0075
L
N
FG
+
-
Peak 41.5A 5sec
U51
V51
0V48
J0019
V52
U52
W52
600W 12.5A
GS31
J0004
W51
V51
U51
V51
U51
W50
V50
!
High Voltage
R3
S3
J0007
J0008
J0076
J0077
1.75KVA
TC11
J0028
V10B
U10B
V10B
V10
U10B
U10
V10
U10
J0033
J0031
U11C
J0721
J0038
V10A
U10A
GS22 N
GS22 L
U11C
UPS
EXT.PWR
CONTROL BOX
See Page 2
UPS IN
UPS OUT J0722
J0723
XT21
QF21
V10
U10
At the UPS specification
GS22
J0035
J0038
V10
U11A
U11C
U50
W51
V51
U51
J0119
BUZZER
HA01
CN1CN1
XT31
AC230V:DRIVE
POWER
MOTOR
+48A
0V480V48
E04E03E02
EMERGENCY CIRCUIT
+48V
See Page 18
CONV+24V
W54
V54
U54
J0006
MAX690V/6A
KM12
KM11A
KM11
CONV+24E
+48A J0018
J0005
0V24
T1
T2
T3
V10
U10
J0029
V10C V10C
V10
+48VA
+48VB
J0851
W52
V52
U52
J0079
+24A
+24A
J0037
See Page 15
See Page 15
MAX600V/30A
J0078
MONITOR POWER
E01
L1
L2
L3 T3
T2
T1
W
V
U
230V
200V
230V
200V
230V
200V
0V
190V
200V
208V
220V
240V
0V
190V
200V
208V
220V
240V240V
220V
208V
200V
190V
0V
240V
220V
208V
200V
190V
0V
240V
220V
208V
200V
190V
0V
240V
220V
208V
200V
190V
0V
L1
L2
L3
T2
T3
T1
L1
L2 T2
T1
1
2
CONVEYOR
DRIVER
P011
QF41 15A
QF21 10A
QF22 5A
+24VF5+24VF3
+24VC1
+24VF4
+24VB6
+24V
+24V2
QF51 5A
E E
6 3
25
4 1
NF11QF31 10A
240V
220V
208V
200V
190V
0V
240V
220V
208V
200V
190V
0V
0V
0V
0V
QF61 15A
UPS
QF52 5A
QF42 20A
73 74
5/L3
3/L2
1/L1 2/T1
4/T2
6/T3
3/L2
1/L1
5/L3 6/T3
4/T2
2/T1
MAX660V/13A
240V
220V
208V
200V
190V
0V
240V
220V
208V
200V
190V
0V
0V
0V
0V
See Page 15
QF43 3A
MAX500V/20A
QF62 5A
GB1
N
100V
100V
100V
UPS IN
UPS OUT
SIGNAL
100V
100V
100V
CC.V2
16
POWER CIRCUIT
YS24(SL)