SM471_PLUS_TRM(Ver2.5_CS20.12) - 第123页
Page +$1:+$ 11 9 SM471 PLUS SM471 PLUS Harness Wiring Diagram (4/6) CAN CN2 R-FEEDER I/F BOARD CN5 CN6 SM471_CA105_L T REAR FEEDER BASE RIGHT B/D AP5 AXIS IO BOARD #3 [AXIO#3] CN2 PWR CN3 CAN [RFD] CN1 CN11 Z12 AMP SW Pa…

Page
+$1:+$
118
SM471
PLUS
SM471 PLUS Harness Wiring Diagram (3/6)
CN5
(750W)
RX
CN11
CN1
BOARD
SM411P AXIS SENSOR
F FEEDER UNLOCK SENSOR
CN8
CN12
C}TjuX[
CN1
CN5
CN4
CN2
CN3
W1-2
CN4
W2-2
CN5
MS2H
CN6
CN7
WW2H
CN8
F-BUT
CN9
reserved IN 2
CN10
F STOPPER UP
CN11
F STOPPER DN
CN12
R STOPPER UP
CN13
R STOPPER DN
CN14
CN1
SENSOR
F CONVEYOR
F ANC SOL
F SHUTTLE STOPPER SOL
CON1
SENSOR,SOL DATA
SHUTTLE 1-1
CN2
BOARD OUT
CN3
SHUTTLE 1-2
W1-1
CN4
W2-1
CN5
MS1H
CN6
WS1H
CN7
WW1H
CN8
R-BUT
CN9
reserved IN 1
CN10
CN11
CN12
CN13
CN14
F WORK STOPPER SOL
F BUT SOL
F EDGE PUSHER SOL
IF BOARD
SM411_CS135
CN15
(750W)
FX
AP5 AXIS IO BOARD #1
CN11
(1KW)
FY2
(1KW)
FY1
CN13
(1KW)
RY2
(1KW)
RY1
PW471_PW108
PW471_PW109
CN21
CN17
(3A)
(2A)
(2A)
MS1 WS1
WW1
SM511_PW029_01
CN24
CN19
(3A)
(2A)
MS2 WS2
BS2-1BS2-2 BW2-1BW2-2
[AXIO#1]
SM471C_VM003
CN12
CN14
CN16
SM511C_VM013
CN22
CN25
CN18 CN20
BS12
BW12
BS34
BW34
CN6CN2
PWR
SACO-CN27
CN14
CN15
CN16
CN17
CN18
CN19
CN20
SENSOR
R CONVEYOR
CON1
IF BOARD
CN15
CN16
CN17
CN18
CN19
CN20
SM471_SC007-1
CN7
[AX]
CN7
CN9CN10
CN9
CN13
SM471_CS041
SM471_CS142_LT
CN1
CN6
SM471_CS134-1
R FEEDER UNLOCK SENSOR
J90831286C
FL-1.2
FX-PWR FX-EN
SM471C_MD002
RX-PWR RX-EN
FL-1.2
#2 DC
POWER B/D
[DP2]
PWR
SACO-CN23
AM03-018939B
CN3
CN2
SM48_CS229_LT
CN3
CN2
CN3
CN2
CN3
CN2
SM411_CS027
J90831213B
SM411_CS025
SM471_CS024_LT
AM03-001349A
SM511_MD050
SM33_CS017
CN1
SM471_PW121-2
PCIE X1
CN4
SM411P_VI006
FLAT HD1-SOL2
(HD1-CN6-EXT)
FLAT HD2-SOL2
(HD2-CN6-EXT)
STP-UP/DN/BUT UP
SM411_CS136
PCIE ADAPTER #1
Panasonic AC servo
SET
MODE
Panasonic AC servo
SET
MODE
Panasonic AC servo
SET
MODE
Panasonic AC servo
SET
MODE
Panasonic AC servo
SET
MODE
Panasonic AC servo
SET
MODE
CN1
CN1
CN1
CN1
CN1
CN2
CN3
CN4
CN5
CN6
CN7
CN1
TB1-11D
TB1-12D
X-PWR X-EN
X-PWR X-EN
#2F-FL1
CV-CN19
CRASH SENSOR
SM411_CV030
#2R-FL1
SM471_AX002
SM471_VI104
AM03-001011B
SM33_CS032-2
SM411_CS251-1
SM471_CS021
SM471_CS054-01
SM33_CS031-1
AM03-001007B
SM511_CS054-01
J3R-3
J3R-4
J8L-3
J8L-4
SM471_CS035_LT-01
SM471C_CS151
J5R-1 J10L-1
AM03-010088D
R SHUTTLE STOPPER SOL
R WORK STOPPER SOL
R BUT SOL
R EDGE PUSHER SOL
SM471C_MD008_90
SM471C_MD012_90
SM471_MD005_90
SM471C_MD010_90
SM471_MD003
SM471_MD011_90
SM471C_MD006_90
SM471_MD009_90
SM471_MD007_90
SM471_VI104-1
#1F-FL-11
AXIO#2-CN5
SM471_VI006
#2F-FL-11
HD-CN5
HD-CN4
AXIO#3-CN5
SM471_VI006
HD-CN5
HD-CN4
HD-SOL-EXT
F-HD-SOL
F-HD-SOL
H7H10-VAC
R-HD-SOL
H7H10-VAC
H1H6-VAC
H1H6-VAC
#1R-FL-11
#2R-FL-11
SM471C_VM004
SM471C_VM005
SM511C_VM014-01
SM471_VM017
SM471_VM018
SM471_PW120-2
MC1-14
TB1-12B
CN1
SM33_CS034-1
J90831285A
SM33_CS034-2
AM03-005703B
AM03-005703B
F X HOME SNS
F X (-) LIMIT SNS
AM03-007246B
SM471_AX002
R X HOME SNS
R X (-) LIMIT SNS
AM03-007246B
AM03-021795B
SM471_CS024_LT
AM03-021795B
J90831212B
SM411_CS026
J90831214B
SHUTTLE 1-1
SHUTTLE 1-2
BOARD OUT
WS1H
SM33_CS029-2
AM03-001006B
ENC
PWR
SM33_CS030-2
AM03-001008B
AM03-001010B
SM33_CS031-1
SHUTTLE 2-1
SHUTTLE 2-2
WS2H
SHUTTLE 2-1
SHUTTLE 2-2
BOARD OUT
WS2H
SM33_CS031-2
AM03-001001B
BOARD OUT
SM33_CS032-1
AM03-001012B
SM33_CS032-3
AM03-001013B
SM411_CS007
AM03-010086A
SM411_CS007
AM03-010086A
SM471_CS040
AM03-007538C
SM33-CS009-1
AM03-022723A
MS1H
SM33-CS009-1
AM03-022723A
MS2H
SM33-CS009-1
AM03-022723A
SM33-CS009-1
AM03-022723A
R ANC SOL
SM411_CS011
AM03-010088D
SM411_CS011
SM411_CS024
J90831211C
SM33_CS006
J90831195C
F STOPPER UP
F STOPPER DN
R STOPPER UP
R STOPPER DN
SM411_CS128-5
AM03-004413A
CHECK SENSOR
SM33_CS001
AM03-020159A
SM33_CS001
AM03-020159A
SM33_CS001
AM03-020159A
SM33_CS001
AM03-020159A
WW1H
WW2H
SM511_CS009-02
AM03-019930A
SM511_CS009-02
AM03-019930A
AM03-020736B
SM511_CS009-01
AM03-019927A
SM511_CS009-01
AM03-019927A
AM03-004348C
AM03-004349A
SM411_CS251
AM03-004542A
AM03-005539C
F-X-SEN
AM03-005691A
CN3
CN2
RY1 HOME
SM471_AX103
SM411_AX104
RY1 PL
RY1 ML
FY1 HOME
FY1 PL
FY1 ML
DUMP BOX
AM03-004337C
FSEN-T1/R2
RSEN-R1/T2
AM03-020643B
AM03-015497B
SM471_CA102-4_LT
AM03-020633B
SM471_CA102-4_LT
AM03-020633B
R-HD-SOL
BS1-1BS1-2 BW1-1BW1-2
SM411_CS022
SM33_CS029-1
SM33_CS021
J90831208B
J90831209B
AM03-001005B
SM33_CS030-3
AM03-001009B
SM411_CS128-4
AM03-004410A
SM33_CS023
J90831210C
SM33_CS020
J90831207B
AM03-020624A
AM03-005414C
AM03-015498B
AM03-018943A
AM03-005538C
AM03-015490C
AM03-015486C
AM03-015488C
AM03-014695B
AM03-018938B
CN23 CN26
SM511C_VM015-01
AM03-018942C
(2A)
WW2
SM511_MD051
AM03-020738B
AM03-005576B
AM03-005577B
CN4
CN4
CN4
CN4
SM33_MD027
J90831183A
SM33_MD028
J90831184A
SM33_MD029
J90831185A
SM33_MD031
J90831187A
SM33_MD032
J90831188A
SM33_MD030
J90831186A
BS2/BW2-PWR
AM03-004543A
AM03-020620B
X6
AM03-020616B
AM03-020617B
X6
AM03-015476B
X6
SM471_MD001
AM03-008741C
AM03-008742B
SM471C_MD004
AM03-015477C
AM03-020618B
AM03-020621A
X6
AM03-020613B
AM03-020619B
AM03-020614B
X6
AM03-005496A
AM03-022722A
ENC
PWR
AM03-008897C
SM471_CS023
AM03-008900C
SM471_CS020
AM03-008898C
SM471_CS053
AM03-008904B
ENC
PWR
SM471_CS024
AM03-008901B
SM471_CS026
AM03-008903C
SM471_CS052-01
AM03-022724A
AM03-022725B
AM03-005499B
CN3
CN2
AM03-018944B
SM511_CS052-01
AM03-014723B
SM511_PW016
AM03-014724B
SM511_PW017
AM03-005493B
AM03-005494B
SM471_AX001
AM03-008734C
AM03-010085A
SM471_CA104_LT
AM03-020645B
SM33_CS013
AM03-001000A
C
NO
NC

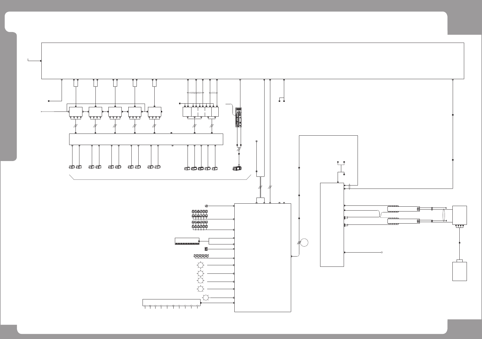
Page
+$1:+$
119
SM471
PLUS
SM471 PLUS Harness Wiring Diagram (4/6)
CAN
CN2
R-FEEDER I/F
BOARD
CN5
CN6
SM471_CA105_LT
REAR FEEDER BASE RIGHT B/D
AP5 AXIS IO BOARD #3
[AXIO#3]
CN2
PWR
CN3
CAN
[RFD]
CN1
CN11
Z12 AMP
SW
Panasonic AC servo
SET
MODE
CN12
CN5
CN6
CN3 CN1
CN10
CN4 CN2
CN13
CN14
CN5
CN6
CN3 CN1 CN4 CN2
CN15
CN16
CN5
CN6
CN3 CN1 CN4 CN2
CN17
CN18
CN5
CN6
CN3 CN1 CN4 CN2
CN19
CN20
CN5
CN6
CN3 CN1 CN4 CN2
CN26
CN10 CN10 CN10 CN10
SM411P REAR MOTOR IF B/D
[RMOT]
Z34 AMP Z56 AMP Z78 AMP Z910 AMP
#2R-FL7.8
#1R-FL8.9 #1R-FL10.11 #1R-FL12.13 #1R-FL9.10
[HD2]
CAN
CN3
JK1 JK2 JK3 JK4 JK5 JK6
CN7
JK7 JK8 JK9 JK10JK11JK12
CN8
CN11
CN4
AM03-005432A
SACO-CN22
JJ1 JJ2 JJ3 JJ4 JJ5 JJ6
JJ7 JJ8 JJ9 JJ10 JJ11JJ12
CAN
PWR
CAN
PWR
REAR FEEDER BASE LEFT B/D
PCIE X1
SM411P HEAD IF B/D
SENSORSENSORSENSORSENSOR
VAC.
VAC.VAC.
VAC.
H1 H2
H3 H4
SM411P VACUUM SENSOR B'D(H1~H10)
H5
VAC. VAC.
SENSOR
CN1
[VAC]
SENSORSENSOR
VAC.
H6 H7
H9H8
VAC. VAC.
SENSOR SENSOR
H10
VAC.
SENSOR
CN16
H1~10 VAC SOL
CN15
H1~10 BLOW SOL
CN14
CN12
Z1~10 HOME
CN11
CN9
SW HOME
CN13
OVER BLOW
CN10
R1~5 HOME
CN8
조명
FIDUCIAL조명 #1
CN17
FIDUCIAL조명 #2
OUTER/INNER
조명
OUTER/INNER
CN7 CN9
CN19CN18
Z1~Z8 HOME
CN1
PWR
SACO-CN26
PCIE ADAPTER #3
CAN
PWR
CAN
PWR
CN11 CN12 CN13 CN14 CN15 CN23 CN21 CN22
CN19 CN20CN18CN17CN16
CN1 CN6 CN2 CN7 CN3 CN8 CN4 CN9 CN5 CN10 CN24
HD-PW
#2R-FL9
#2R-FL10
CAN
R-HD-CAN
Z9~Z10, R1~R5, SW HOME
Z1~Z8 HOME
Z9~Z10, R1~R5, SW HOME
CN6
CN7
CN20
SIDE
조명
OUT
조명
COAX
조명
SM471_CA102-4_LT
J8L-2
J3R-2
J4R-2
SM471_CA102-4_LT
J9L-2
SM471_HD004
AM03-005585D
AM03-005586B
AM03-015112A
AM03-015566A
AM03-005588B
AM03-005589A
AM03-005590C
AM03-005593D
AM03-005598B
PC RACK
PS2
+24V 24G
CH1
CH2
CH3
CH4
(50W)
SW-ENSW-PW
SM471C_MD016
Z1 Z2 Z3 Z4 Z5 Z6 Z7 Z8 Z9 Z10
R1 R2 R3 R4
R5
REAR
SM471C_MD115_LIQI
PWR
SM471C_PW124
PS#6
SACO-CN29
CN5
CN5CN4
SM471C_VM007_LIQI
SM471_VM009-1
CV-CN4
SC-J2R-2
SC-J2R-1
IT MASTER
CN12
CN13
AM03-015567A
AM03-005587C
SM471C_HD008
SM471_HD009
SM471_HD005
SM471_HD006
SM471C_HD007
SM47C_HD003
CN1
SM471_HD010-11
SM471_HD010-3
SM471_HD010-6
SM471_HD010-2
SM471_HD010-1
AM03-005584A
SM471 HOME SENSOR BOARD
AM03-010892A
AM03-010893A
AM03-010894A
AM03-010895A
AM03-010896A
AM03-010897A
AM03-010898A
AM03-010899A
AM03-010900A
AM03-010901A
AM03-005618A
AM03-005619A
AM03-005620A
AM03-005621A
AM03-005622B
AM03-005611D
SM471_MD025
SM471_MD019
SM471_MD020
SM471_MD021
SM471_MD022
SM471_MD023
SM471_MD024
SM471_MD024-1
SM471_MD038
SM471_MD039
SM471_MD040
SM471_MD040-1
SM471_MD040-2
SM471_PW031
AM03-005505A
SM471_PW031
AM03-005505A
SM471_PW031
AM03-005505A
AM03-005564B
SM471_VM009-2
SM471_VM009-3
SM471_VM009-4
SM471_VM009-5
AM03-005565B
AM03-005566B
AM03-005567B
AM03-005568B
#1R-FL12
#2R-FL12
AM03-021134C
AM03-005600G
AM03-005703B
SM471_VI-006
H1H6-VAC
H7H10-VAC
REFER TO PAGE #3
CN21
Rear R DRIVER
R1
CN22 CN23
SM471_VM011
[RR]
CN24
R2 R3 R4
AM03-005570B
AM03-005569B
SM471_VM011-1
CN2
CN2
CN2
CN2
CN25
R4
CN2
SM471_SC111-2
AM03-005723C
REFER TO
SACO BD
SM471_CV101
CN2
CAN
AM03-020642C
AM03-020633B
AM03-020633B
SM48C_FD303
PS4 REMOTE CONNECTOR
AM03-022139B
AM03-017093C
AM03-015485C
AM03-017095D
AM03-014485C
SM48C_FD006
AM03-014489C
SM48C_FD007
PS4
PS4
AM03-015470B
SM_FD004
SM_FD003
SM_FD007
SM_FD006
J90800842C
J90800839D
J90800838D
J90800841C
AM03-014724B
SM511_PW017
SM471_SC121_LT
AM03-020638B
SM471_SC121_LT
AM03-020638B
AM03-020680C
SM471_CA201_LT
AM03-020680C
SM471_CA201_LT
SM48C_IT004
AM03-014388B
AM03-014385A
SM48C_IT005-1
AM03-014629A
SM48C_IT005
SM_FD023
AM03-000764A
SM_FD022
AM03-000765A

Page
+$1:+$
120
SM471
PLUS
SM471 PLUS Harness Wiring Diagram (5/6)
CONVEYOR I/F
BOARD
[CV]
CN23
AM03-006703A
CAN
CN3
J4R-1 J9L-1
AM03-020680C
FDOCK1
FDOCK2
FRONT DOCKING CART SENSOR1(전면에서 왼쪽)
OMRON
EE-1001
+
L
OUT
-
FRONT DOCKINF CART SENSOR2(전면에서 오른쪽)
OMRON
EE-1001
+
L
OUT
-
CN24
RDOCK1
RDOCK2
REAR DOCKING CART SENSOR1(전면에서 왼쪽)
OMRON
EE-1001
+
L
OUT
-
REAR DOCKINF CART SENSOR2(전면에서 오른쪽)
OMRON
EE-1001
+
L
OUT
-
CN10
J90831149B
F/D_CART SOL1
F/D_CART SOL2
전면D_CART SOL1
전면D_CART SOL2
CN111
J90831150B
R/D_SOL1
R/D_SOL2
후면D_CART SOL1
후면D_CART SOL2
FFD-EN3
FFD-EN2
FFD-CN3
FFD-CN2
SM48C_IT004
CAN
CAN
PC RACK
IT MASTER
CAN_CH1_L
CAN_CH3_L
F-24V-EX
AM03-001729A
J3R-2
AM03-020633B
AM03-020642C
AM03-020680C
R-HD-CAN
J9L-2
J9L
J4R-2
J4R
J3R
AM03-001730A
RFD-EN3
RFD-EN2
RFD-CN3
RFD-CN2
[HD2]
CN2
CN21
[AXIO#3]
CN3
[SC]
[SC]
CN22
CAN_CH2_R
CAN_CH4_R
R-24V-EX
Front DOCKING CART EXT.
Rear DOCKING CART EXT.
F-DCART
R-DCART
J8L-1
J8L
J3R-1
J3R
CN3
[AXIO#2]
Front DOCK ING CART
Rear DOCK ING CART
5557-24R
5557-24R
DOCK ING CART (OPTION)
CAN
CAN
CAN
SM471_CA201_LT
AM03-014338B
SM471_CV019
SM33_CV028
SM411N_FD010_DC
SM471_CA102-4_LT
SM511_CA105_LT
SM471_CA201_LT
SM33_CV029
SM411N_FD011_DC
AM03-006704A
SM471_CV020
5559-24P
AM03-001731C
SM411N_FD012_DC
5559-24P
AM03-001731C
SM411N_FD012_DC
SM48C_IT005
AM03-014865A
SM471_CA101-1
AM03-005392D
SM471P_CS111
AM03-021884B
AM03-020646C
SM471_FD-101_LT
J9L
J4R
#2F-FL10
AM03-005600G