SM471_PLUS_TRM(Ver2.5_CS20.12) - 第125页
Page +$1:+$ 121 SM471 PLUS SM471 PLUS Harness Wiring Diagram (6/6) DOCKING CART SM421N FBLD SM421N FBRD FEEDER IO BOARD FEEDER INPUT EXT BOARD AM03-001738E J91741071A CN1 CN11 SM_FD01 J9080857B AM03-006346A AM03-006345A …

Page
+$1:+$
120
SM471
PLUS
SM471 PLUS Harness Wiring Diagram (5/6)
CONVEYOR I/F
BOARD
[CV]
CN23
AM03-006703A
CAN
CN3
J4R-1 J9L-1
AM03-020680C
FDOCK1
FDOCK2
FRONT DOCKING CART SENSOR1(전면에서 왼쪽)
OMRON
EE-1001
+
L
OUT
-
FRONT DOCKINF CART SENSOR2(전면에서 오른쪽)
OMRON
EE-1001
+
L
OUT
-
CN24
RDOCK1
RDOCK2
REAR DOCKING CART SENSOR1(전면에서 왼쪽)
OMRON
EE-1001
+
L
OUT
-
REAR DOCKINF CART SENSOR2(전면에서 오른쪽)
OMRON
EE-1001
+
L
OUT
-
CN10
J90831149B
F/D_CART SOL1
F/D_CART SOL2
전면D_CART SOL1
전면D_CART SOL2
CN111
J90831150B
R/D_SOL1
R/D_SOL2
후면D_CART SOL1
후면D_CART SOL2
FFD-EN3
FFD-EN2
FFD-CN3
FFD-CN2
SM48C_IT004
CAN
CAN
PC RACK
IT MASTER
CAN_CH1_L
CAN_CH3_L
F-24V-EX
AM03-001729A
J3R-2
AM03-020633B
AM03-020642C
AM03-020680C
R-HD-CAN
J9L-2
J9L
J4R-2
J4R
J3R
AM03-001730A
RFD-EN3
RFD-EN2
RFD-CN3
RFD-CN2
[HD2]
CN2
CN21
[AXIO#3]
CN3
[SC]
[SC]
CN22
CAN_CH2_R
CAN_CH4_R
R-24V-EX
Front DOCKING CART EXT.
Rear DOCKING CART EXT.
F-DCART
R-DCART
J8L-1
J8L
J3R-1
J3R
CN3
[AXIO#2]
Front DOCK ING CART
Rear DOCK ING CART
5557-24R
5557-24R
DOCK ING CART (OPTION)
CAN
CAN
CAN
SM471_CA201_LT
AM03-014338B
SM471_CV019
SM33_CV028
SM411N_FD010_DC
SM471_CA102-4_LT
SM511_CA105_LT
SM471_CA201_LT
SM33_CV029
SM411N_FD011_DC
AM03-006704A
SM471_CV020
5559-24P
AM03-001731C
SM411N_FD012_DC
5559-24P
AM03-001731C
SM411N_FD012_DC
SM48C_IT005
AM03-014865A
SM471_CA101-1
AM03-005392D
SM471P_CS111
AM03-021884B
AM03-020646C
SM471_FD-101_LT
J9L
J4R
#2F-FL10
AM03-005600G

Page
+$1:+$
121
SM471
PLUS
SM471 PLUS Harness Wiring Diagram (6/6)
DOCKING CART
SM421N FBLD
SM421N FBRD
FEEDER IO BOARD
FEEDER INPUT EXT BOARD
AM03-001738E
J91741071A
CN1
CN11
SM_FD01
J9080857B
AM03-006346A
AM03-006345A
DEVICENET
PW
DEVICENET
SM421N_FD024_DC
AM03-001746A
SM421N_FD025_DC
AM03-001747A
SM421N_DC003
AM03-001738E
JK1
JK2
JK3
JK4
JK5
JK6
JJ1
JJ2 JJ3
JJ4
JJ5
JJ6
JK1
JK2 JK3
JK4
JK5
JK6
JJ1
JJ2
JJ3
JJ4
JJ5
JJ6
CN5 CN7
SM_FD012
J9080852D
CN6 CN8
SM_FD014
J9080854C
CN5
SM_FD013
J9080853B
SM_FD015
J9080855B
CN3
DEVICENET RIGHT
DEVICENET LEFT
CN3
CAN
CN4
FEEDER IO BD 24V
CN10
F/R DOCK SIG
DCART-PW
DEVICE-EX(D-SUB 15PIN)
{vGIT WORKSTATION
CONNECTOR
1
5
9
14(+)
13(-)
2
6
10
3
7
11
4
8
12
D-NET-CAN
SM411N_DC004
AM03-001748D
1
4
(5~8)
RELAY #1
1
3
5
8(+)
7(-)
2
4
6
1
3
5
8(+)
7(-)
2
4
6
RELAY #2
RELAY #3
FD-CN13
CN7
FD-CN13-EX
FD-CN7-EX
SM411N_FD001_DC
AM03-001739A
FD-CN13-EX
SM411N_FD002_DC
AM03-001540B
PW
SM411N_DC005
AM03-003463B
SM411N_DC005
AM03-003463B
(9~12)
D24V/F24V
D24V
F24V
F24V
D24V
D24V
D24V
F24V
F24V
D24V/F24V
D24V/F24V
SM411N_DC007
AM03-006455B
SM411N_DC008
AM03-023728A
RY#1 1-2,3-4 SHORT
FD_CN4
SM411N_DC006
AM03-006535B
RELAY #1 -1
RELAY #1 -4
SM41N_FD016_DC
AM03-001745C

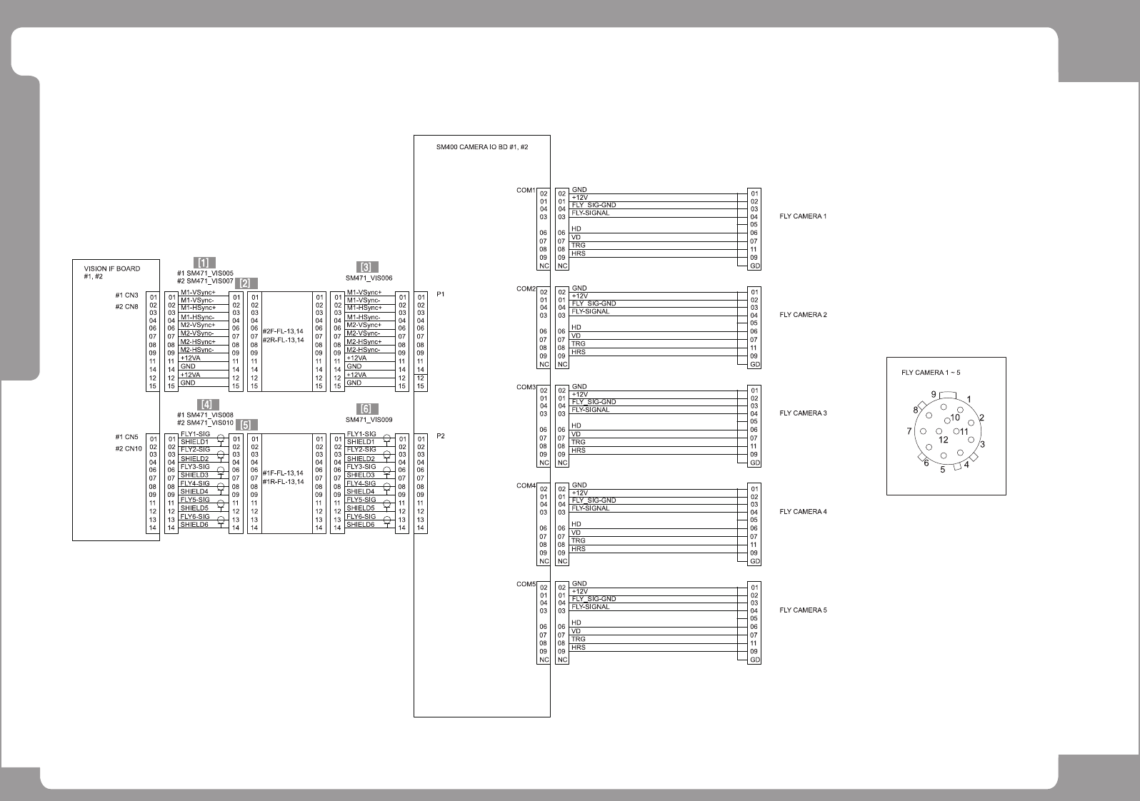
Page
+$1:+$
122
SM471
PLUS
Camera IO Board