SM471_PLUS_TRM(Ver2.5_CS20.12) - 第129页
Page +$1:+$ 125 SM471 PLUS Front Feeder Board Interface (1/2) NO. P ART NO . P ART NAME Q'TY Old No. Reference 1 J9080 0840B FDR INPUT EXT CABLE ASSY SM_FD005 1 SM_FD005 2 AM03-020646A CABLE ASSY -FRONT FDR CTRL PWR…

Page
+$1:+$
124
SM471
PLUS
Front Feeder Board Interface (1/2)
SM471_FD_101_LT
5
8
6

Page
+$1:+$
125
SM471
PLUS
Front Feeder Board Interface (1/2)
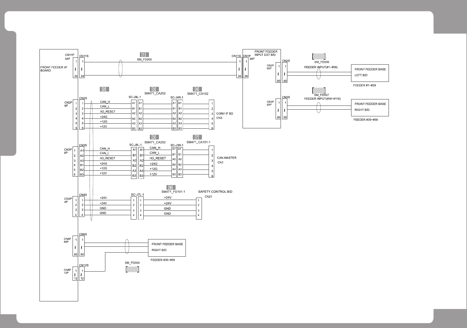
NO. PART NO. PART NAME Q'TY Old No. Reference
1 J90800840B FDR INPUT EXT CABLE ASSY SM_FD005 1 SM_FD005
2 AM03-020646A CABLE ASSY-FRONT FDR CTRL PWR_J1L_CAN_J8L_J9L 1 AM03-005398A SM471_CA102-1
3 AM03-020680A CABLE ASSY-AXIO_CAN_FDR_UL_J3R_J8L 1 AM03-005400A SM471_CA202
4 AM03-020637A CABLE ASSY-FFDR-CVIF_CAN_J3R 1 AM03-005397A SM471_CA102
5 AM03-020646A CABLE ASSY-FRONT FDR CTRL PWR_J1L_CAN_J8L_J9L 1 AM03-005393A SM471-CA101-2
6 AM03-020680A CABLE ASSY-AXIO_CAN_FDR_UL_J3R_J8L 1 AM03-005396A SM471_CA201
7 AM03-005392B CABLE ASSY-AXIO_BD_2_FFD_CAN_J3R 1 SM471_CA101-1
8 AM03-020646A CABLE ASSY-FRONT FDR CTRL PWR_J1L_CAN_J8L_J9L 1 AM03-005455B SM471_FD101
9 AM03-008733A CABLE ASSY-FRONT FDR CTRL PWR-EXT 1 SM471_FD101-1
10 J90800839D RIGHT FDR SOL OUTPUT CABLE ASSY 1 SM_FD004
11 J90800841C LEFT FDR SENSOR INPUT CABLE ASS 1 SM_FD006
12 J90800842C RIGHT FDR SENSOR INPUT CABLE AS 1 SM_FD007

Page
+$1:+$
126
SM471
PLUS
Front Feeder Board Interface (2/2)
[2]
[3]
[1]
11
60
~
60
CN5S
CN5P
60P
~
CN7P
12P
1
CN7S
FRONT FEEDER BASE
LEFT B/D
FEEDER #1~#29
SM_FD003
FRONT FEEDER I/F
BOARD
2
3
4
5
6
7
8
1
2
3
4
5
6
7
8
9
10
11
12
9
10
11
12
1
2
3
4
5
6
7
8
9
10
11
12
1
2
3
4
5
6
7
8
9
10
11
12
SM471_FD101
1
2
4
5
6
4
5
6
8P
CN13P
3
3
CN13S
1
2
1
2
8
7
8
7
1
2
FD-CN7-EX
FD-CN13-EX
1
1
GND
+24V
SM_FD002
RY 3-8
RY 3-7
1
1
RY 4-8
RY 4-7
1
1