SM471_PLUS_TRM(Ver2.5_CS20.12) - 第131页
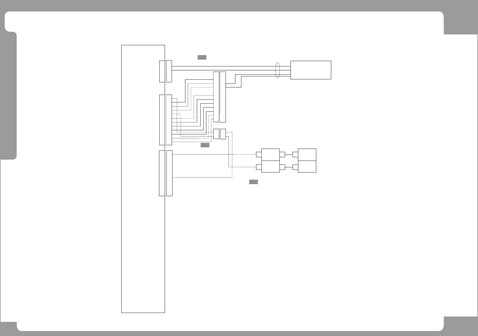
Page +$1:+$ 127 SM471 PLUS Front Feeder Board Interface (2/2) NO. P ART NO. P ART NAME Q'TY Old No. Reference 1 J90 800838D LEFT FDR SOL OUTPUT CABLE ASSY 1 SM_FD003 2 AM03-020646A CABLE ASS Y -FRONT FDR CTRL PWR_J1…

Page
+$1:+$
126
SM471
PLUS
Front Feeder Board Interface (2/2)
[2]
[3]
[1]
11
60
~
60
CN5S
CN5P
60P
~
CN7P
12P
1
CN7S
FRONT FEEDER BASE
LEFT B/D
FEEDER #1~#29
SM_FD003
FRONT FEEDER I/F
BOARD
2
3
4
5
6
7
8
1
2
3
4
5
6
7
8
9
10
11
12
9
10
11
12
1
2
3
4
5
6
7
8
9
10
11
12
1
2
3
4
5
6
7
8
9
10
11
12
SM471_FD101
1
2
4
5
6
4
5
6
8P
CN13P
3
3
CN13S
1
2
1
2
8
7
8
7
1
2
FD-CN7-EX
FD-CN13-EX
1
1
GND
+24V
SM_FD002
RY 3-8
RY 3-7
1
1
RY 4-8
RY 4-7
1
1

Page
+$1:+$
127
SM471
PLUS
Front Feeder Board Interface (2/2)
NO. PART NO. PART NAME Q'TY Old No. Reference
1 J90800838D LEFT FDR SOL OUTPUT CABLE ASSY 1 SM_FD003
2 AM03-020646A CABLE ASSY-FRONT FDR CTRL PWR_J1L_CAN_J8L_J9L 1 AM03-005455B SM471-FD101
3 AM03-005456A CABLE ASSY-F FDR PWR RELAY 1 SM471-FD002

Page
+$1:+$
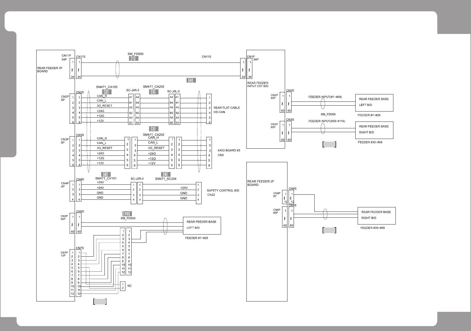
128
SM471
PLUS
Rear Feeder Board Interface
SM471_CA102-4_LT
CA102-4_LT
SM48C_FD004
5
SM48C_FD007
SM411N-FD001_DC
6
7