SM471_PLUS_TRM(Ver2.5_CS20.12) - 第155页
Page +$1:+$ 151 SM471 PLUS Axis Sensor Board Interface (2/3) NO. Lev . P ART NO. P ART NAME Q'TY Old No. Supply Supply L T Reference 1 AM03-02065 5A CABLE A SSY -AXIS_SNS_BD_CN 7-8_CN9-10 1 AM03-00891 8A SM471- CS05…

Page
+$1:+$
150
SM471
PLUS
Axis Sensor Board Interface (2/3)
SM471_FL002
F1
2

Page
+$1:+$
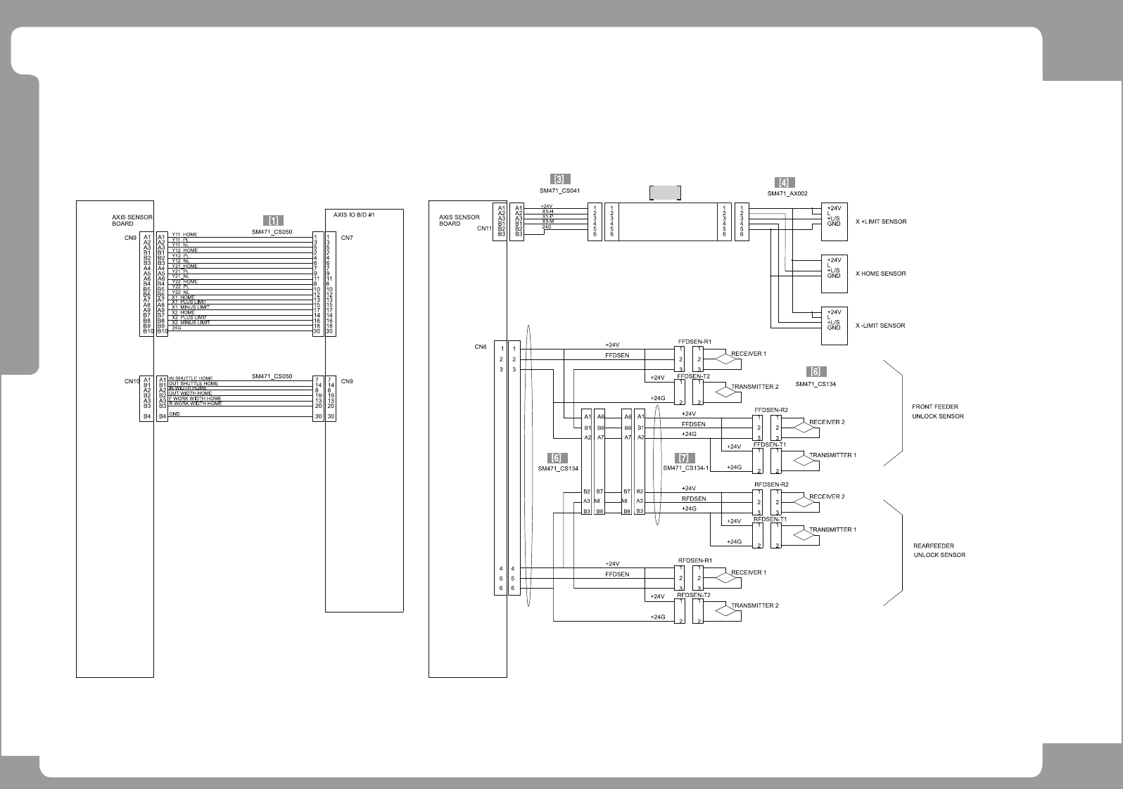
151
SM471
PLUS
Axis Sensor Board Interface (2/3)
NO. Lev. PART NO. PART NAME Q'TY Old No. Supply Supply LT Reference
1 AM03-020655A CABLE ASSY-AXIS_SNS_BD_CN7-8_CN9-10 1 AM03-008918A SM471-CS050
2 AM03-020680A CABLE ASSY-AXIO_CAN_FDR_UL_J3R_J8L 1 AM03-005396A SM471_CA201
3 AM03-005691A CABLE ASSY-AX_BD_X1_MOT_SNS 1 SM471-CS041
4 AM03-007246B CABLE ASSY-X AXIS SENSOR 1 SM33_AX002
5 J90831285A FDR_UNLOCK_LEFT_CABLE_ASSY SM33-CS034-1 1 SM33-CS034-1
6 AM03-020643A CABLE ASSY-AX_BD_X2_MOT_SNS_J5R 1 AM03-005413B/ AM03-005413C SM471_CS134
7 AM03-005414B CABLE ASSY-FDR_UNLOCK_SEN_J8L 1 SM471_CS134-1

Page
+$1:+$
152
SM471
PLUS
Axis Sensor Board Interface (3/3)
SM471_CS142-1
SM471_CA102-4_LT
SM471_FL002 #1
SM471_FL002 #11
SM471_FL002 #11
SM471_FL001 #11
SM471_FL001 #11
6
6
9
10
9
10