SM471_PLUS_TRM(Ver2.5_CS20.12) - 第199页
Page +$1:+$ 195 SM471 PLUS Safety Control Board Interface (2/4) NO. P ART NO. P ART NAME Q'TY Old No. Supply Supply L T Reference 1 AM03-009943A CABLE ASSY -F_OVERRIDE_KEY_EXT 1 SM471_SC00 9 2 AM03 -008734A CABLE AS…

Page
+$1:+$
194
SM471
PLUS
Safety Control Board Interface (2/4)

Page
+$1:+$
195
SM471
PLUS
Safety Control Board Interface (2/4)
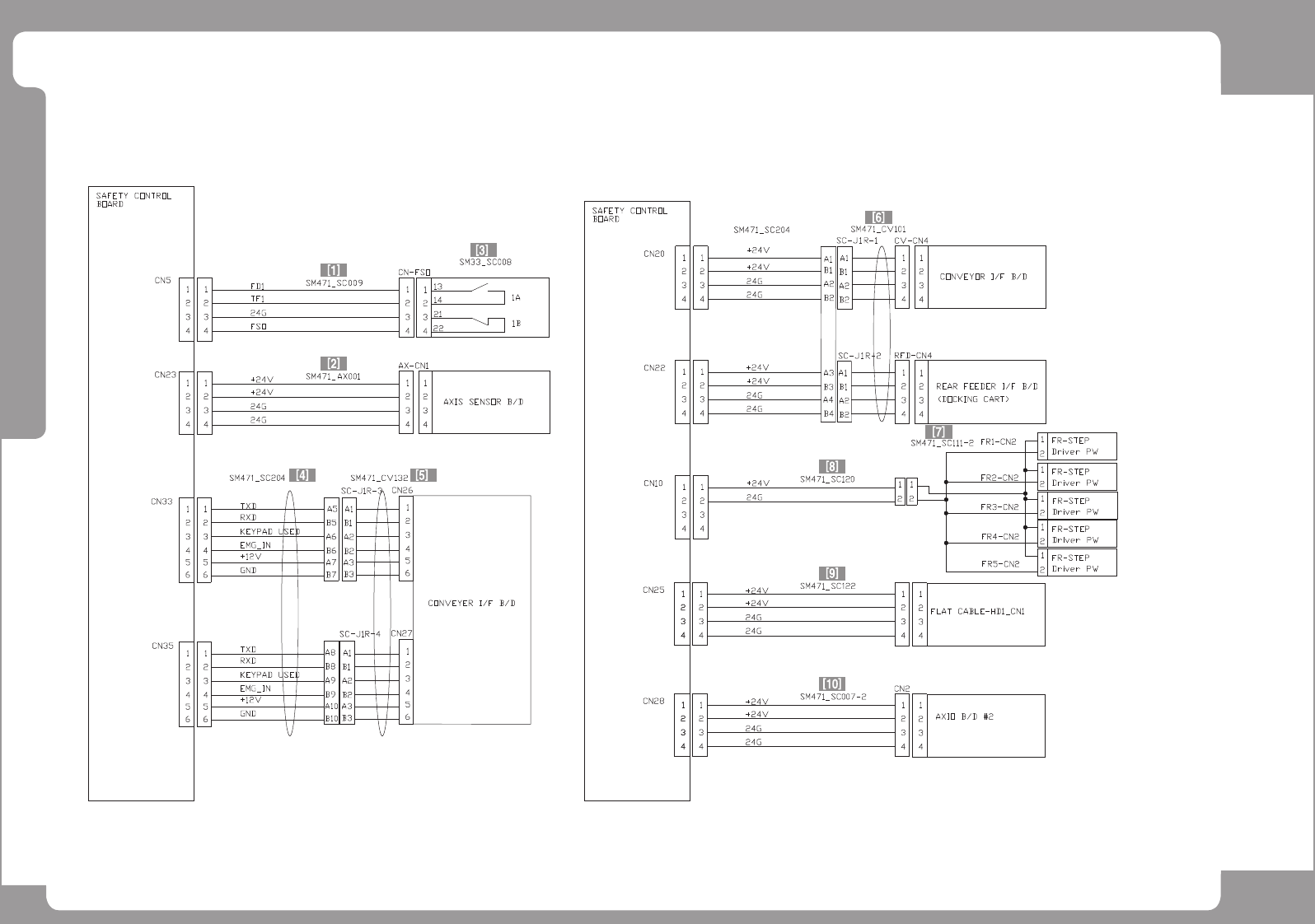
NO. PART NO. PART NAME Q'TY Old No. Supply Supply LT Reference
1 AM03-009943A CABLE ASSY-F_OVERRIDE_KEY_EXT 1 SM471_SC009
2 AM03-008734A CABLE ASSY-AXIS_SENSOR_BD_PW 1 SM471-AX001
3 AM03-010079A SAFEGUARD_OV_SW_KEY_CABLE_ASSY 1 J90831059C SM411-SC008
4 AM03-020657A CABLE ASSY-BD_PW_SC_J1R_CONV_SUB_IF-EXT 2 AM03-008726A SM471_SC204
5 AM03-020637A CABLE ASSY-FFDR-CVIF_CAN_J3R 1 AM03-005450A SM471_CV132
6 AM03-005432A CABLE ASSY-CONV_I-F_R_FDR_PWR_J2R 1 SM471_CV101
7 AM03-005723C CABLE ASSY-FR_STEP_DRV_PWR_J2R_EXT 1 AM03-005723A/ AM03-005723B SM471-SC111-2
8 AM03-020644A CABLE ASSY-FR_STEP_DRV_PWR-EXT1 1 AM03-008727A SM471_SC120
9 AM03-020644A CABLE ASSY-FR_STEP_DRV_PWR-EXT1 1 AM03-008729A SM471_SC122
10 AM03-020644A CABLE ASSY-FR_STEP_DRV_PWR-EXT1 1 AM03-008731A SM471_SC007-2

Page
+$1:+$
196
SM471
PLUS
Safety Control Board Interface (3/4)
[2] [3]
[1]
[6]
[9]
[11]
[4]
[5]
[7]
[8]
[10]
22
44
33
CN21
1 1
FRONT FEEDER I/F B/D
24G
24G
+24V
+24V
BOARD
SAFETY CONTROL
SM471_FD101
(DOCKING CART)
CN24
24G
+24V
+24V
24G
44
2
3
2
3
11
4
CN36
3
2
1
KEYPAD USED
EMG_IN
4
3
RXD
2
1
4
CN29
3
2
1
3
2
4
1
24G
24G
3
4
4
3
+24V
1
2
2
1
4
4
FFD-CN4
2
3
1
2
3
1
B4
A2
B1
B2
A2
B1
A1
B2
A2
B1
A1
SC-J7L-1
A1
RY11-14/13
CN4
CN26
+24V
24G
24G
+24V
44
2
3
2
3
11
4
2
3
1
4
2
3
1
SM471_PW044
SM471_SC203
6
5
4
3
2
1
6
5
6
5
4
3
2
1
B2
A2
B1
A1
B3
A3
6
5
REAR T-BOX
SM48_CV035
SM33_CV023-5
TXD
+12V
GND
SM471_SC007-3
SM471_SC123
+24V
AXIO #3 B/D
CN2
FLAT CABLE-HD2_CN2
CN27
44
2
3
2
3
11
4P
24G
+24V
+24V
24G
SM471_SC007-1
4
2
3
1
4
2
3
1
AXIO B/D #1
CN2
BOARD
SAFETY CONTROL
1
MOLEX 2PIN
22
1
24G
+24VM
CN11
1
2
1
2
1
2
1
2
1
2
1
2
RR1-CN2
RR2-CN2
RR3-CN2
RR4-CN2
RR5-CN2
RR-STEP
Driver PW
RR-STEP
Driver PW
RR-STEP
Driver PW
RR-STEP
Driver PW
RR-STEP
Driver PW
1
2
SM471_SC121
SM471_SC121
-A2
44
CN18
22
33
24G
MCA1
11
MC2
MC1
22
+A1
21
MAGNETIC CONTACTOR #1
CN19
1
2
3
4
MC2
4
3
2
1
MC3
SM41_SC006
CN6
1
2
3
4 4
3
2
1
CN7
1
2
3
4 4
3
2
1
2
1
2
1
2
1
2
1
SM471_PW020
SM471_PW021
SM471_PW022
SM471_PW022
[12]
[13]