SM471_PLUS_TRM(Ver2.5_CS20.12) - 第206页
Page +$1:+$ 202 SM471 PLUS Electric Circuit Diagram (2/7) FROM CP2 AC220V 24G +24V(6) 1 1L2 HEAD RZ1~RZ10 AXIS FROM PS1 CP2-4 CP2-2 0.8 mm (BLK) +24V(5) 24G(5) -PS5 (SHUTTLE/CONVEYOR BEL T 4AXIS) 11 L 1 11 L 2 (SHUTTLE M…

Page
+$1:+$
201
SM471
PLUS
Electric Circuit Diagram (1/7)
NO. PART NO. PART NAME Q'TY Old No. Reference
1 J90831063A MAIN_POWER_CABLE_ASSY SM33-PW001 1 SM33-PW001
2 AM03-020540A CABLE ASSY-SURGE KILLER 1 SM471_PW100-01
3 AM03-018606A CABLE ASSY-MCCB NF_EARTH 1 SM48C_PW003-2
4 AM03-018605A CABLE ASSY-NF_MAIN_SWITCH 1 SM48C_PW004
5 AM03-013512D CABLE ASSY-MAIN SWITCH_TRANS 1 SM33-PW005
6 AM03-001211C CABLE ASSY-TRANS_CP1,2,3 CABLE ASSY 1 SM33_PW006
7 AM03-005482A CABLE ASSY-CP1_TB1_MC1 1 SM471_PW007
8 AM03-005483A CABLE ASSY-CP2_TB1_MC2_CABLE 1 SM471_PW008

Page
+$1:+$
202
SM471
PLUS
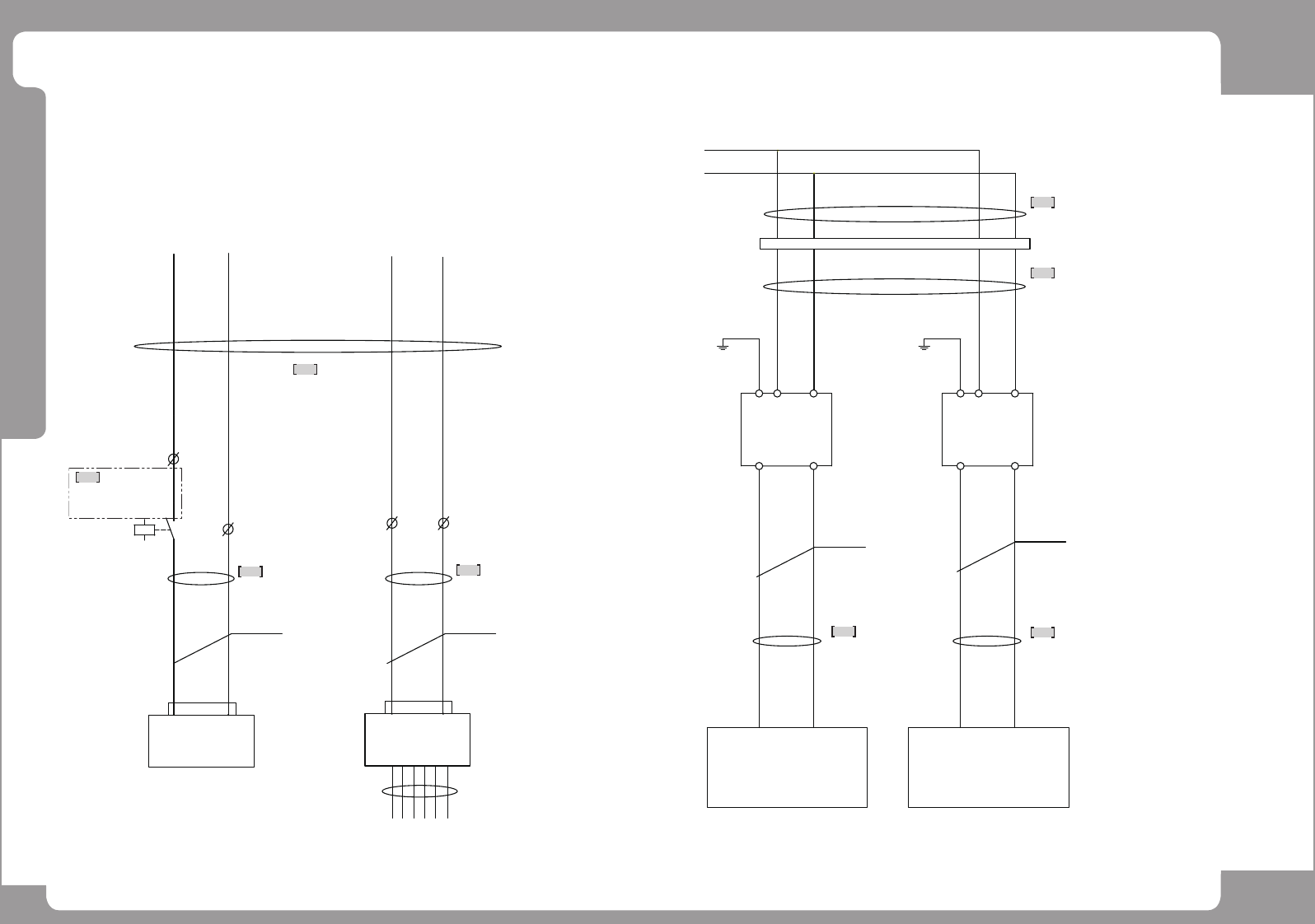
Electric Circuit Diagram (2/7)
FROM CP2
AC220V
24G
+24V(6)
11L2
HEAD RZ1~RZ10 AXIS
FROM PS1
CP2-4
CP2-2
0.8 mm (BLK)
+24V(5) 24G(5)
-PS5
(SHUTTLE/CONVEYOR BELT 4AXIS)
11L1 11L2
(SHUTTLE MOVE/WIDTH 6AXIS)
+24V
-MC1
+24V 24G
HEAD FZ1~FZ10 AXIS
24G(6)
-PS6
11L1
(SM511C_PW101)
0.5 mm (BLK) 0.5 mm (BLK)
0.8 mm (BLK)
(SM471C_PW123)
(SM471_PW124)
-TB1 (11~12 : DC24V)
(SM411_PW029)
CN1 CN1
(SM471_PW120-2)
(SM471_PW121-2)
[MS1,WS1,WW1,MS2,WS2,WW2 DRIVER]
[BS12,BS34,BW12,BW34 DRIVER]
6A(Max 16A)
6A(Max 16A)
(SM511C_PW201)
0.75 mm (BLK)
0.75 mm (BLK)
(SM471_PW120-3)
0.5 mm (BLK)
FROM PS2
1.8A(Max 5A)
2.0A(Max 3A)
0.8A(Max 6A)
0.8A(Max 6A)
+24V 24G
+24V 24G
(SM511C_PW302)
11A
12D
11B
13
14
12A
11D
12C
12B
11C
1,2 3,4 1,2 3,4
DC POWER(400W)
24VDC
IN
DC POWER (400W)
(-)
24VDC
(+)
AC IN
PE09
BELT STEP DRIVER
(-)
(+)
AC
PE10
2 2
2
2
CN1
DC POWER B/D #2
CN1
[DP2]
2
2
2
1
2
3
4
7
8
6
5

Page
+$1:+$
203
SM471
PLUS
Electric Circuit Diagram (2/7)
NO. Lev. PART NO. PART NAME Q'TY Old No. Supply Supply LT Reference
1 AM03-022265A CABLE ASSY-PS1_PS2_DC_PW_T6L-1 1 SM511C_PW312
2 AM03-005497A CABLE ASSY-TB1_MC1 1 SM471_PW120-3
3 AM03-005496A CABLE ASSY-BELT_DRV_PW 1 SM471_PW120-2
4 AM03-005499B CABLE ASSY-PS1_2_DC_POWER_BD 1 SM471-PW121-2
5 AM03-014708B CABLE ASSY-PS1_PS4_AC_PW_T5L 1 SM511C_PW201
6 AM03-014709A CABLE ASSY-PS1_PS4_AC_PW_T5L 1 SM511C_PW101
7 AM03-015469B CABLE ASSY-FZ1-FZ10 DC24V PW 1 SM471C_PW123
8 AM03-015470B CABLE ASSY-RZ1-RZ10 DC24V PW 1 SM471C_PW124