SM471_PLUS_TRM(Ver2.5_CS20.12) - 第211页

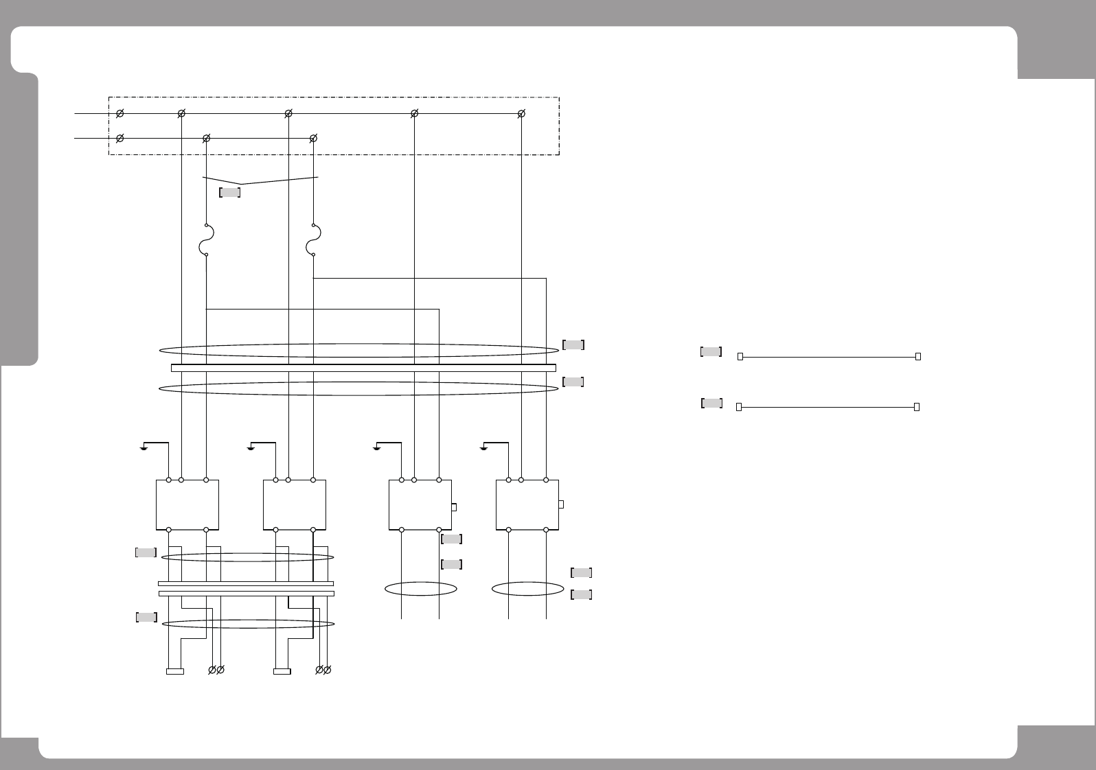
Page +$1:+$ 207 SM471 PLUS Electric Circuit Diagram (4/7) NO. Lev . P ART NO . P ART NAME Q'TY Old No. Supply Supply L T Reference 1 AM03-014636C CABLE ASSY -CONTROL _RACK_PWR 1 SM48C_PW145 2 AM03-017244B CABLE ASSY…

100%1 / 220
Page
+$1:+$
206
SM471
PLUS
Electric Circuit Diagram (4/7)
TO REAR MONITOR TO FRONT MONITOR
FROM CP1
0.75mm (BLK)
1L2
1L1
(RIGHT SIDE)
-FAN1
-FUSE5 (AC250V,5A)
-FAN2
0.75mm (BLK)
1L1 1L2(F3) 1L1
0.75mm (BLK)
1L1 1L2
-FUSE3 (AC250V,5A)
-FAN3
(LEFT SIDE)
-FAN4
1L1
1L1
1L2(F4)
-FUSE4 (AC250V,5A)
1L2
(SERVO DRIVER RACK)
-FAN5
1L2(F5)
1L21L1
AC220V
(SM471_PW112)
(SM471_PW113)
(SM-FAN00)
PC RACK
POWER SUPPLY
(SM48C_PW021)
(SM48C_PW022)
0.5mm (BLK)
0.5mm (BLK)
RACK FAN
(SM33_PW026)
RMS 2.3A(12V) RMS 2.3A(12V)
0.6A(Max 1.2A)
0.1A
0.1A 0.1A 0.1A 0.1A
1L1 1L2
1.5mm (BLK)
(SM48C_PW145)
B
6A
6C
1A 1C
AA
B
6D
1B
A
2B
7D
B
8D
3B
2 2 2
DC POWER(350W)
(12V)
(GND)
AC IN
5/3.3/12/-12/VDC
PE03
2
2
2
1
2
3
4
5
7
6
Page
+$1:+$
207
SM471
PLUS
Electric Circuit Diagram (4/7)
NO. Lev. PART NO. PART NAME Q'TY Old No. Supply Supply LT Reference
1 AM03-014636C CABLE ASSY-CONTROL_RACK_PWR 1 SM48C_PW145
2 AM03-017244B CABLE ASSY-FRONT_MONITOR_PW_12V 1 SM48C_PW021
3 AM03-017245C CABLE ASSY-REAR_MONITOR_PW_12V;C 1 SM48C_PW022
4 AM03-005488C CABLE ASSY-FAN_POWER 1 SM471_PW112
5 J90833316A FAN_CABLE_ASSY SM-FAN00 4 SM-FAN00
6 AM03-005489A CABLE ASSY-SERVO_FAN_POWER 1 SM471_PW113
7 J90831088B SERVO_FAN_FG_CABLE_ASSY 1 SM33-PW026
Page
+$1:+$
208
SM471
PLUS
Electric Circuit Diagram (5/7)
FROM CP1
1L2
1L1
1L1 1L2(F1)
1L21L1
+24V 24G
+24V 24G
1L1 1L2(F2)
1L1 1L2
-PS2
AC220V
(SM511C_PW101)
+24V 24G
-PS3
+24V 24G
-PS4-PS1
0.75mm (BLK)
0.5mm (BLK)
0.5mm (BLK)
1L1 1L2(F1) 1L1 1L2(F2)
(SM511C_PW201)
0.75mm (BLK)
(SM471_PW111-2)
-FUSE1 (AC250V,10A)
-FUSE2 (AC250V,10A)
(SM48C_FD005)
(SM48C_FD004)
FEEDR BASE
TO FRONT
FEEDR BASE
TO REAR
(SM48C_FD007)
(SM48C_FD006)
6A(Max 16A)
6A(Max 16A)
2.0A(Max 5.5A)
2.0A(Max 5.0A)
5.0A(Max 9.0A)
4.5A(Max 6.0A)
(R-STEP)
(SHUTTLE MOVE/WIDTH 6AXIS)
TO SC-CN1
(GENERAL IO)
(SHUTTLE/CONVEYOR BELT 4AXIS)
A1
A5
A2
A6
A3
B1
A4
B2
(SM511C_PW312)
T6L
A1
A5
A2
A6
A3
B1
A4
B2
TO SC-CN2
TB1 11A/12A
TB1 11C/12C
(SM511C_PW302)
(SM48C_FD302)
0.2mm (BLK)
(SM48C_FD303)
0.2mm (BLK)
6A
1A 4A
A
C
9C
C
10C
4B
B
A
B
5B
5A
DC POWER(400W)
(+)
PE06
(-)
AC IN
24VDC
DC POWER(400W)
(-)
24VDC
(+)
AC IN
PE07
DC POWER(400W)
(-)
24VDC
(+)
AC IN
PE06-1
DC POWER(400W)
(-)
24VDC
(+)
AC IN
PE07-1
2
2
2
2
REMOTE
CON PS3
REMOTE
CON PS4
F FEEDER IO CN13
REMOTE
CON PS3
2
R FEEDER IO CN13
REMOTE
CON PS4
2
1
4
5
6
7
9
8
3
2
10
11