SM471_PLUS_TRM(Ver2.5_CS20.12) - 第217页
Page +$1:+$ 213 SM471 PLUS Electric Circuit Diagram (7/7) NO. Lev . PA R T N O . P ART NAME Q'TY Old No. Supply Supply L T Reference 1 AM03-014636 C CABLE ASSY -CONTROL_ RACK_PWR 1 SM48C_PW145 2 AM03-017244B CABLE A…

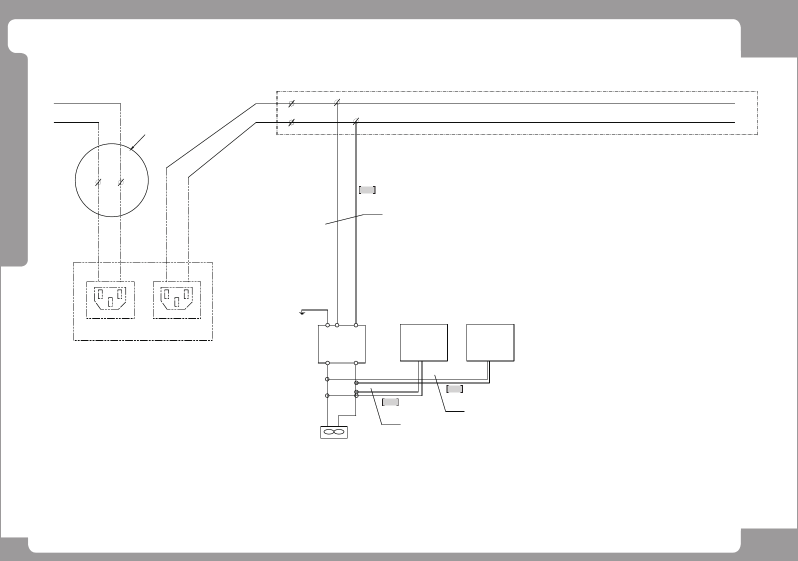
Page
+$1:+$
212
SM471
PLUS
Electric Circuit Diagram (7/7)
OUTLETINLET
UPS OPTION INSTALL
-UPS
(800VA)
FROM CP1
1L2
1L1
AC220V
FROM CP1
1L2
1L1
AC220V
ADDITIONANL
TERMINAL BLOCK
TO REAR MONITOR TO FRONT MONITOR
1L1 1L2
0.75mm (BLK)
PC RACK
POWER SUPPLY
(SM48C_PW021)
(SM48C_PW022)
0.5mm (BLK)
RACK FAN
28W(12V) 28W(12V)
(SM48C_PW145)
U1-A
U1-B
U2-A
U2-B
1A
6A
1A
6C
1C
2
DC POWER(350W)
(12V)
(GND)
AC IN
5/3.3/12/-12/VDC
PE03
2
0.5mm (BLK)
2
1
2
3

Page
+$1:+$
213
SM471
PLUS
Electric Circuit Diagram (7/7)
NO. Lev. PART NO. PART NAME Q'TY Old No. Supply Supply LT Reference
1 AM03-014636C CABLE ASSY-CONTROL_RACK_PWR 1 SM48C_PW145
2 AM03-017244B CABLE ASSY-FRONT_MONITOR_PW_12V 1 SM48C_PW021
3 AM03-017245C CABLE ASSY-REAR_MONITOR_PW_12V;C 1 SM48C_PW022

Page
+$1:+$
214
SM471
PLUS
Articles of Consumption