SM471_PLUS_TRM(Ver2.5_CS20.12) - 第77页
Page +$1:+$ 73 SM471 PLUS

Page
+$1:+$
72
SM471
PLUS
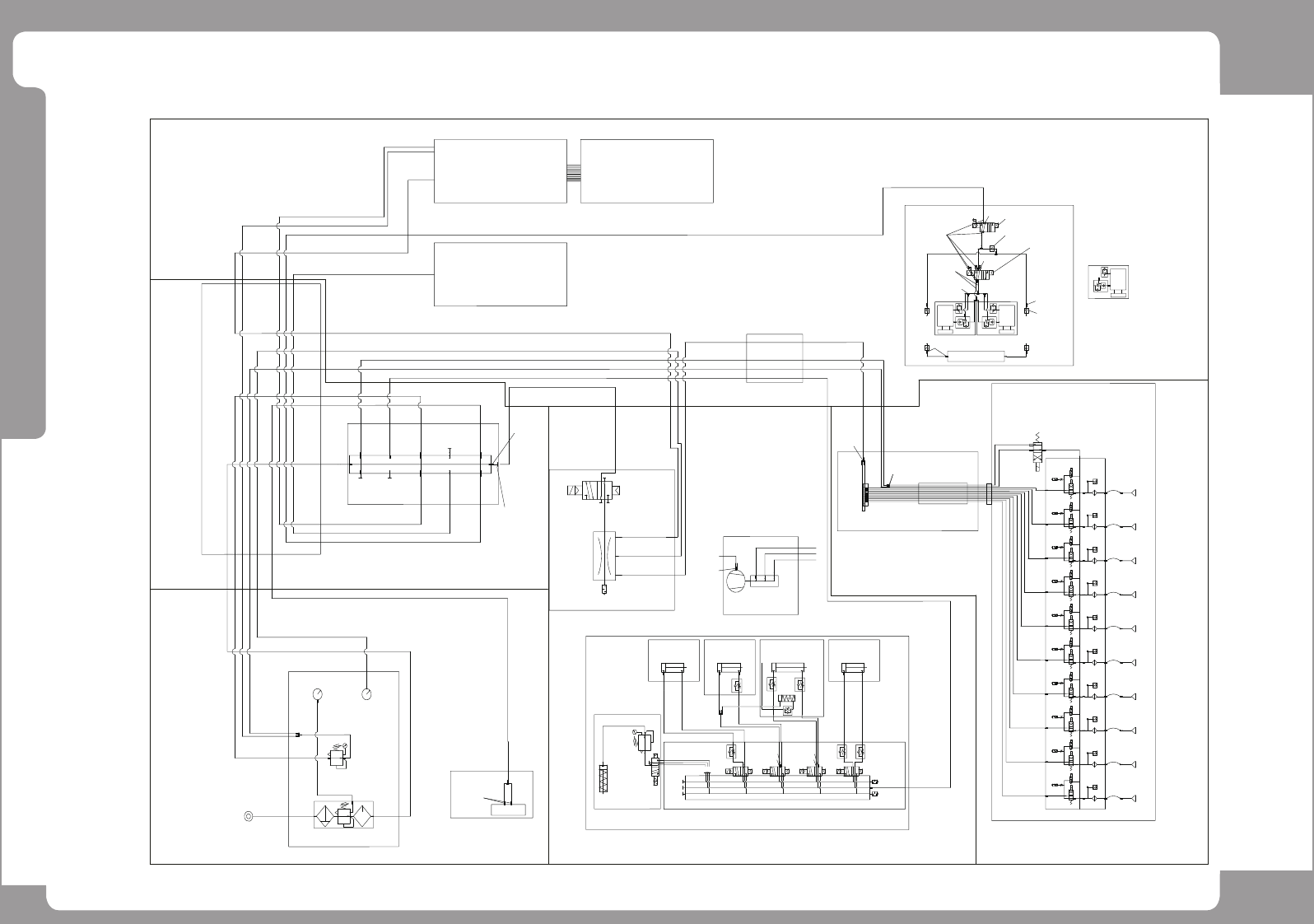
Air Ass’y (1/6)
Front HEAD Air Module
REAR CONVEYOR ASSY
Rear HEAD Air Module
Y CABLE DUCT ASSY
HP09-000007
MAIN MANIFOLD ASS'Y
VACUUM GENERATOR (AIR OPTION)
1
3
2
(A)
4
(B)
2
3
(R)
1
(P)
1
3
2
(A)
4
(B)
2
3
(R)
1
(P)
1
3
2
(A)
4
(B)
2
3
(R)
1
(P)
1
3
2
(A)
4
(B)
2
3
(R)
1
(P)
1
3
2
(A)
4
(B)
2
3
(R)
1
(P)
1
3
2
(A)
4
(B)
2
3
(R)
1
(P)
1
3
2
(A)
4
(B)
2
3
(R)
1
(P)
1
3
2
(A)
4
(B)
2
3
(R)
1
(P)
1
3
2
(A)
4
(B)
2
3
(R)
1
(P)
1
3
2
(A)
4
(B)
2
3
(R)
1
(P)
SUPPLY BLOW
∅4
(A)
4
(B)
2
3
(R)
1
(P)
BLOW
∅4
0.1MPa
OVER BLOW
∅4
0.5MPa
VACUUM GENERATOR (AIR OPTION)
FRONT AIR PANEL ASS'Y
Feeder Base (DC)
4-HP06-900018
HP03-001008
HP03-900015
HP03-900013
HP06-900010
HP06-900047
2-HP06-900056
HP06-900263
FRONT
FEEDER BASE ASS'Y (STANDARD)
REAR
도
STANDARD일 때, 동일
구조
Feeder Base
VACUUM PUMP (AIR OPTION)
HP09-000127
Y CABLE DUCT ASSY
RIGHT CABLE DUCT ASS'Y
LEFT CABLE DUCT ASS'Y
초기
진공도달압
: -93.3 kPa 이하
교체
기준
: -87 k
Pa
VACUUM PUMP (OPTION)
REAR
DOCKING CART ASS'Y (OPTION)
FRONT도 DC OPTION 일 때, 동일 구조
2-HP03-900011
AIR CYLINDER
HP03-900011
AIR CYLINDER
HP06-900054
KQ2U04-00
3-H
P06-900027
FRONT CONVEYOR ASS'Y
HP13-000037A
12
1
HP06-900282
HP06-900282
2-HP06-900089
HP06-900282
FC14-900644
PLUG
HP06-000226
FITTING
HEAD 10 HEAD 1HEAD 2HEAD 3HEAD 4HEAD 5HEAD 6HEAD 7HEAD 8HEAD 9
HP11-000058
HP06-900204
HP06-900043
FITTING
TE07-900096
ANALOG GAUGE (VACUUM)
HP09-001019
REGULATOR
U2-4-12*8
FC14-900644
PLUG
4-HP06-900027
U2-4-4*2.5
2-HP06-900300
U2-4-4*2.5
U2-4-4*2.5
5-HP06-900014
U2-4-4*2.5
2-HP06-900299
2-HP06-900047
HP14-900026
HP14-900026
HP14-900092
2-HP09-900162
HP06-900018
HP06-900050
3-FC14-900724
PT
HP03-900017
HP14-000718
SOLENOID VALVE ASS'Y
U2-4-4*2.5(BLUE)
U2-4-4*2.5(YELLOW)
U2-4-4*2.5(BLACK)
HP03-900054
2-HP14-900085
HP06-900027
HP14-900083
3-KPT18
HP06-900282
U2-
4-6*4
U2-4-8*5
U2-4-8*5
U2-4-6*4
U2-4-4*2.5
HP06-900050
U2-
4-4*2.5
2-HP06-900027
HP06-900282
FC14-900641
PLUG
'a'
'b'
'a'
U2-4-12*8, BLACK
U2-4-6*4, BLACK
U2-4-6*4, YELLOW
U2-4-8*5, BLACK
U2-4-12*10, BLACK
U2-
4-4*2.5, BLACK
U2-4-6*4, BLACK
U2-4-6*4, YELLOW
U2-4-8*5, BLACK
U2-4-10*6.5, BLACK
U2-4-8*5, BLACK
U2-4-6*4, BLACK
U2-4-6*4, BLACK
U2-4-4*2.5, BLACK
U2-4-12*8, BLACK
U2-4-6*4, YELLOW
U2-4-6*4, YELLOW
U2-4-6*4, YELLOW
U2-4-6*4, BLACK
U2-4-12*8, BLACK
U2-4-6*4
U2-
4-12*8
U2-4-4*2.5
U2-4-6*4
U2-4-6*4
U2-4-6*4
U2-4-6*4
U2-4-8*5
U2-
4-6*4
U2-4-6*4
U2-4-6*4
U2-4-12*8
U2-4-8*5
U2-4-6*4
HP06-000457
U2-4-8*5, BLACK
'b'
'c'
'c'
ADAPTER
ELB
OW FITTING
ADA
PTER
ELBOW FITTING
ELBOW FITTING
FC14-900644
PLUG
HP06-900195
FITTING
HP11-000059
VACUUM PUMP
KHA400A-301-G1
HP06-000250
KQ2VT12-03S
HP06-000234 / KQ
2R08-12
HP06-900046 / KQ
2R04-08
FC28-000105
STRAIGHT NIPPLE
M3/8-ID9.5
J67191083A
HOSE BAND 1" W8
HP13-
000042
N2-4-12x9MW, 320mm
HP04-001016
AIR FILTER
U2-4-12*8
U2-4-12*8
HP09-000150
DIGITAL GAUGE
U2-4-4*2.5
HP06-900255
FITTING
EB
P
EA
SY3000-26-9A
A
B
A
B
A
B
A
B
U2-4-4*2.5(BLUE)
HP14-900088
HP06-900255
U2-4-4*2.5(BLUE)
U2-4-4*2.5(BLACK)
U2-4-4*2.5(BLUE)
U2-4-4*2.5(BLACK)
A
B
HP14-000725
SOLENOID VALVE
HP09-900109
REGULATOR
HP03-900044
10-HP04-900036
FILTER
10-HP06-000074
FITTING
10-HP06-900059
FITTING
HP09-000129
AIR MODULE (SOL)
HP14-002040
SOLENOID VALVE
6-J1301070
CONNECT FITTING
HP14-000978
SOLENOID VALVE
U2-4-6*4
STOPPER ASSY(WORK)
STOPPER ASSY(IN or OUT)
ANC ASSY
BUT ASSY
EDGE FIXER OPTION (SPECIAL)
C
D
B
A
E

Page
+$1:+$
73
SM471
PLUS

Page
+$1:+$
74
SM471
PLUS
Air Ass’y (2/6)
]
_
^
REAR CONVEYOR ASSY
Rear HEAD Air Module
Y CABLE DUCT ASSY
Feeder Base (DC)
4-HP06-900018
RIGHT
CABLE DUCT ASS'Y
LEFT CABLE DUCT ASS'Y
REAR
DOCKING CART ASS'Y (OPTION)
FRONT도 DC OPTION 일 때, 동일 구조
2-HP03-900011
AIR CYLINDER
HP03-900011
AIR CYLINDER
4-HP06-900027
U2-4-4*2.5
2-HP06-900300
U2-4-4*2.5
U2-4-4*2.5
5-HP06-900014
U2-4-4*2.5
2-HP06-900299
2-HP06-900047
HP14-900026
HP14-900026
HP14-900092
2-HP09-900162
HP06-900018
HP06-900050
3-FC14-900724
PT
U2-4-6*4
U2-4-8*5
U2-4-12*8, BLACK
U2-4-6
*4, BLACK
U2-4-6*4, YELLOW
U2-4-8
*5, BLACK
U2-4-12*10, BLACK
U2-4-4*2.5, BLACK
U2-4-6*4, BLACK
U2-4-6*4,
YELLOW
U2-4-8*5, BLACK
U2-4-10*6.5, BLACK
U2-4-6*4
U2-4-6*4
U2-4-6*4
U2-4-12*8
U2-4-8*5
U2-4-6*4
U2-4-6*4
A-B
A
A-B
A-B
A-B
A-D A-E
X
Y
Z
[
Z
XW
XZ
\
XY
XX
XW
`