SM471_PLUS_TRM(Ver2.5_CS20.12) - 第82页
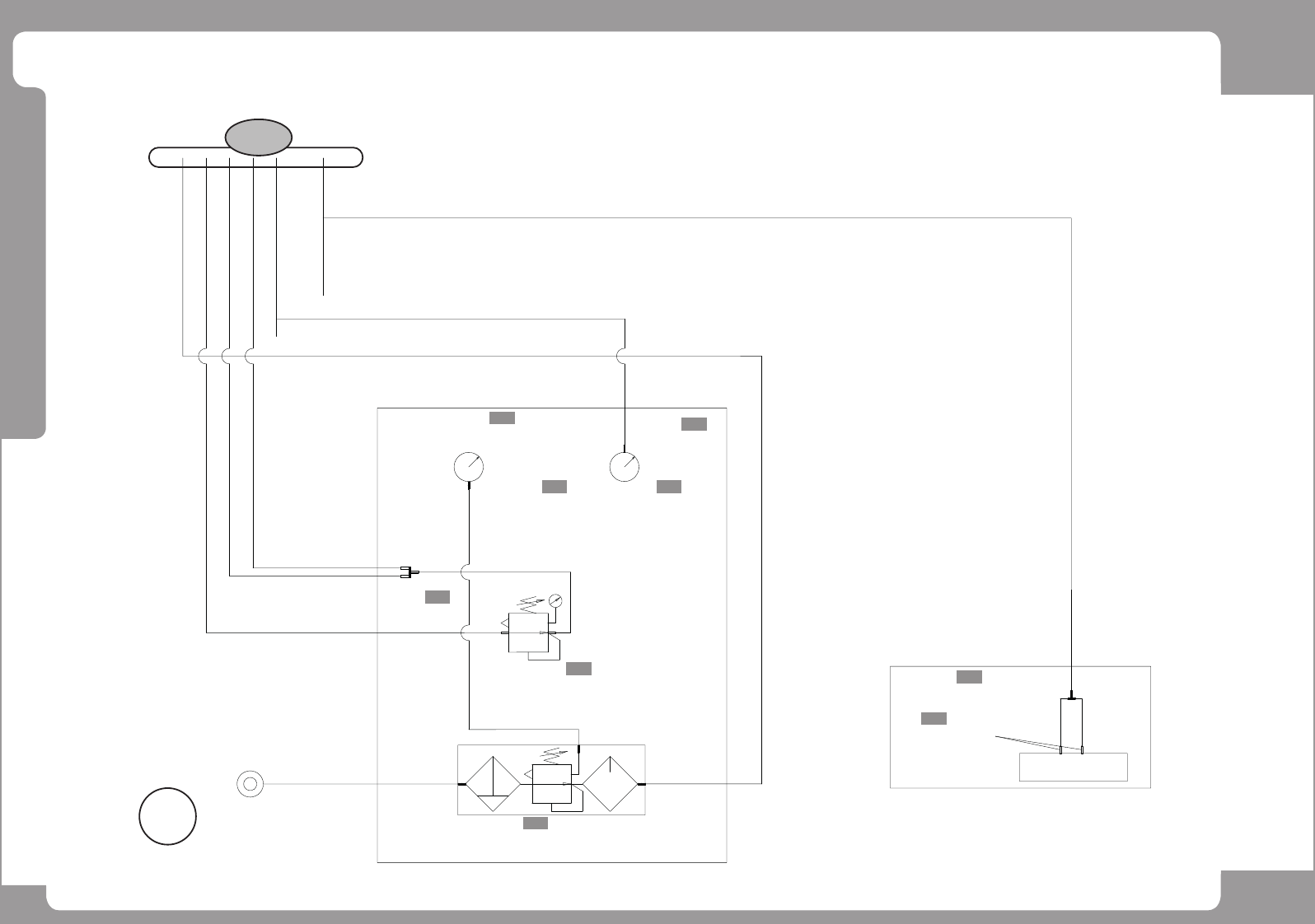
Page +$1:+$ 78 SM471 PLUS Air Ass’y (4/6) C FRONT AIR PANEL ASS'Y FRONT FEEDER BASE ASS'Y (ST ANDARD) REAR 도 ST ANDARD 일 때 , 동일 구조 Feeder Base HP06-900043 FITTING TE07-900096 ANALOG GAUGE (V ACUUM) HP09-001019 …

Page
+$1:+$
77
SM471
PLUS
Air Ass’y (3/6)
NO. Lev. PART NO. PART NAME Q'TY Old No. Supply Supply LT Reference
1 HP06-900282 STRAIGHT FITTING 5
2 HP06-900282 PLUG 3
3 HP06-000234 FITTING-STRAIGHT 1
4 HP06-000226 PLUG 1

Page
+$1:+$
78
SM471
PLUS
Air Ass’y (4/6)
C
FRONT AIR PANEL ASS'Y
FRONT
FEEDER BASE ASS'Y (STANDARD)
REAR
도 STANDARD일 때, 동일 구조
Feeder Base
HP06-900043
FITTING
TE07-900096
ANALOG GAUGE (VACUUM)
HP09-001019
REGULATOR
U2-4-4*2.5
HP06-900050
U2-4-4*2.5
2-HP06-900027
U2-4-6*4
U2-4-12*8
U2-4-4*2.5
U2-4-6*4
HP06-900195
FITTING
HP04-001016
AIR FILTER
U2-4-12*8
U2-4-12*8
HP09-000150
DIGITAL GAUGE
U2-4-4*2.5
HP06-900255
FITTING
B-C
X
Y
[Z
\
]
^
`
_

Page
+$1:+$
79
SM471
PLUS
Air Ass’y (4/6)
NO. Lev. PART NO. PART NAME Q'TY Old No. Supply Supply LT Reference
1 HP09-000150 DIGITAL GAUGE 1
2 HP06-900043 JOINT 1
3 HP06-900255 STRAIGHT FITTING 1
4 TE07-900096 ANALOG GAUGE 1
5 HP06-900195 UNION_Y_FITTING 1
6 HP09-001019 REGULATOR 1
7 HP04-001016 FILTER,AIR 1
8 HP06-900050 UNION Y FITTING 1
9 HP06-900027 FITTING 2