IPC印制电路板设计规范-SMD元器件封装库尺寸要求_Password_Removed-副本 - 第35页
Q/Z X - 2000 31 6.1.12.2 TO 252 的焊盘尺寸 TO 252 的焊盘尺寸应符合图 30 的规定。见图 30: 图 30 TO 252 焊盘尺寸 封装名称 Z(mm) Y1(mm) Y2(mm) X1(mm) X2(mm) C (mm) 区域网格 (网格单元号 码) ref TS-003* 11.20 1.60 6.20 1.00 5.40 7.30 24×16 TS-005** 16.60 3.40 9.60…

Q/ZX - 2000
30
6.1.12 TO 252/TO 268
6.1.12.1 元件尺寸
TO 252 的尺寸应符合图 29 的规定。见图 29:
图 29 TO 252 的元件尺寸
封装名称
L(mm) W1(mm) W2(mm) T1(mm) T2(mm) P1(mm) P2(mm)
H
(mm)
Min Max min Max Min max min max Min max basic basic max
TS-003
a
9.32 10.41 0.64 0.91 4.35 5.35 0.51 0.80 4.00 5.50 2.28 4.57 2.38
TS-005
b
14.60 15.88 0.51 0.91 6.22 6.86 2.29 2.79 8.00 9.00 2.54 5.08 4.83
TO 268 18.70 19.10 1.15 1.45
13.30
13.60 2.40 2.70 12.40 12.70 5.45 10.90 5.10
注
a
: 以前为 TO 252。
注
b
:以前为 TO 263。

Q/ZX - 2000
31
6.1.12.2 TO 252 的焊盘尺寸
TO 252 的焊盘尺寸应符合图 30 的规定。见图 30:
图 30 TO 252 焊盘尺寸
封装名称 Z(mm) Y1(mm) Y2(mm) X1(mm) X2(mm)
C
(mm)
区域网格
(网格单元号码)
ref
TS-003* 11.20 1.60 6.20 1.00 5.40 7.30 24×16
TS-005** 16.60 3.40 9.60 1.00 6.80 10.10 36×24
TO 268 19.80 3.40 13.40 1.40 13.60 11.40 42×34

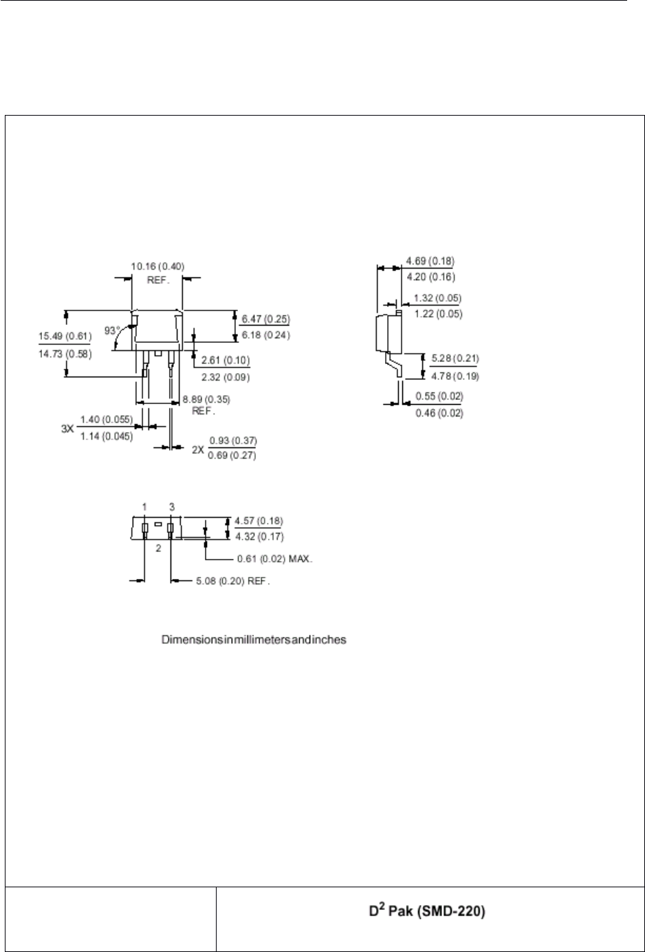
Q/ZX - 2000
32
6.1.13 SMD220 元件(对应物料代码为 15100085 等)
6.1.13.1 SMD220 元件尺寸
元件尺寸应符合图 31 的规定。见图 31:
图 31 SMD-220 元件尺寸
封装名称