PTS-FIFEEDER-20_(1) - 第196页
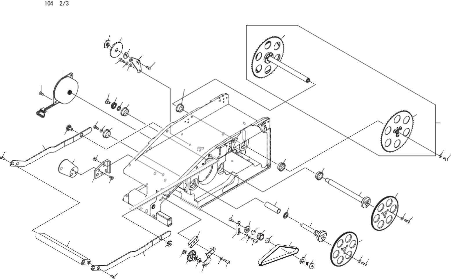
183 PTS-FI FEEDER-20 F EE D E R W 10 4 2 /3 フ ィ ー ダ W 1 04 2/ 3 AA4EN 35 D es cr ipt ion 品名 規格 備考 AA9NK03 AA7GH03 H4 450A AA56 B04 H4 450A K 52 58E W1108D PM 1330 3 K 52 58E W1106C PM012 W2 H4 450A H4 449A PM 1326 3 PM 0…

182 PTS-FIFEEDER-20
FEEDER W104 2/3
⃞ ⃞ :
AA4EN35
49
47
57.1
43
46
40
48
49
45
23
20
28
29
26
41
42
44
69
63
68
64
62
60
60
61
63
65
67
64
36
33
35
52
34
50
38
37
32
31
52
51
53
56
59
58
39
22
24
21
54
70
55
57
15
13
18
16
19
14
17
2
8
7
1

183 PTS-FIFEEDER-20
FEEDER W104 2/3
フィーダ W104 2/3
AA4EN35
Description
品名 規格 備考
AA9NK03
AA7GH03
H4450A
AA56B04
H4450A
K5258E
W1108D
PM13303
K5258E
W1106C
PM012W2
H4450A
H4449A
PM13263
PM04233
2MDLFC007100
AA3NE04
H4449A
PM12402
K5258E
W1108D
PM77073
PM13303
K5258E
W1106C
AA01812
K5357L
2MDLFC002700
H54253
W1106C
W1108B
2MDLFC002800
PM13541
PM13552
K5357L
PM90792
K5357L
PJ00183
H45732
PM60181
H44516
PB07952
H54252
W1106C
W1108D
AA3BT02
2MDLFB029500
H54254
W1106C
H4569A
AA3ER04
シャフト
シャフト
ベアリング ミニチュア DDLF-1480ZZ
シャフト
ベアリング ミニチュア
DDLF-1480ZZ
小ネジ 六角穴ボタン カ シロ
ワッシャ 平 カ シロ
ギヤ
小ネジ 六角穴ボタン カ シロ
ワッシャ スプリング カ シロ
シャフト
ベアリング ミニチュア
DDLF-1480ZZ
ベアリング ミニチュア
LF-1360ZZ
スペーサ
ギヤ
ボルト 六角
シャフト
ベアリング ミニチュア LF-1360ZZ
カラー
小ネジ 六角穴ボタン カ シロ
ワッシャ 平 カ シロ
スペーサ
ギヤ
小ネジ 六角穴ボタン カ シロ
ワッシャ スプリング カ シロ
モータ ステッピング
小ネジ 六角穴皿 カ シロ
プレート
ボルト 六角穴 カ シロ
ワッシャ スプリング カ シロ
ワッシャ 平 カシロ
プレート
ギヤ
ピン
小ネジ 六角穴皿 カ シロ
ピン
小ネジ 六角穴皿 カ シロ
SHAFT
SHAFT
BEARING, MINIATURE
SHAFT
BEARING, MINIATURE
SCREW, HEX SOCKET BUTTON
WASHER, FLAT
GEAR
SCREW, HEX SOCKET BUTTON
WASHER, LOCK
SHAFT
BEARING, MINIATURE
BEARING, MINIATURE
SPACER
GEAR
BOLT, HEX
SHAFT
BEARING, MINIATURE
COLLAR
SCREW, HEX SOCKET BUTTON
WASHER, FLAT
SPACER
GEAR
SCREW, HEX SOCKET BUTTON
WASHER, LOCK
MOTOR, STEPPING
SCREW, HEX SOCKET COUNTERSUNK
PLATE
BOLT, HEX SOCKET
WASHER, LOCK
WASHER, FLAT
PLATE
GEAR
PIN
SCREW, HEX SOCKET COUNTERSUNK
PIN
SCREW, HEX SOCKET COUNTERSUNK
SPACER
BELT, TIMING
PULLEY, TIMING
BEARING, MINIATURE
PLATE
BOLT, HEX SOCKET
WASHER, LOCK
WASHER, FLAT
BKT
SPACER
BOLT, HEX SOCKET
WASHER, LOCK
BEARING, MINIATURE
GEAR
QTY
個数
1
1
1
1
1
1
1
1
3
3
1
1
1
1
1
1
1
1
1
1
1
1
1
3
3
1
2
1
2
2
2
1
1
1
1
1
1
2
1
1
2
1
1
1
1
1
1
1
1
2
1
M03X006(3 )
4W-3(3 )
M03X006(3 )
3M/M(3 )
M03X006(3 )
M03X010(3 )
3M/M(3 )
3M/MX0.5X7(3 )
1
2
7
8
13
1 4
1 5
1 6
1 7
1 8
1 9
2 0
2 1
2 2
2 3
2 4
2 6
2 8
2 9
3 1
3 2
3 3
3 4
3 5
3 6
3 7
3 8
3 9
4 0
4 1
4 2
4 3
4 4
4 5
4 6
4 7
4 8
4 9
5 0
5 1
5 2
5 3
5 4
5 5
5 6
5 7
57.1
5 8
5 9
6 0
61
M03X008(3 )
3M/M(3 )
4W-3(3 )
M03X012(3 )
3M/M(3 )
M03X006(3 )
4W-3(3 )
M03X006(3 )
3M/M(3 )
M03X006(3 )
M03X006(3 )
Rating Remarks
Drg.No. & Code No.
図番 & コード番号
No.
番号

184 PTS-FIFEEDER-20
FEEDER W104 2/3
フィーダ W104 2/3
AA4EN35
No.
番号
Drg.No. & Code No.
図番 & コード番号
QTY
個数
Description
品名
Rating
規格
Remarks
備考
62
PB72144
1
ARM
アーム
63
PM013M2
2
PIN, PIVOT
ピン 支点
64
K63523
4
SCREW, HEX SOCKET COUNTERSUNK
小ネジ 六角穴皿
M04X010(3カシロ)
65
PB72133
1
ARM
アーム
66
PM023A2
1
BLOCK
ブロック
67
PM05XH1
1
BKT
BKT
68
K63523
2
SCREW, HEX SOCKET COUNTERSUNK
小ネジ 六角穴皿
M04X010(3カシロ)
69
PM05XK2
1
BLOCK
ブロック
70
K5357X
2
SCREW, HEX SOCKET COUNTERSUNK
小ネジ 六角穴皿
M03X008(3
カシロ
)