PTS-NXT-02.1JE.pdf - 第138页
109

BA-BASE-2M BOX_CONTROL 1/2
BA-ベース-2M BOX_コントロール 1/2 QK14202
番号 図番 & コード番号 個数 品名 規格 材質 備考
No. Drg.No. & Code No. QTY Description Rating Materials Remarks
73 W1022A 4 WASHER, LOCK ワッシャ スプリング 4M/M 1ハコ15000ケイリ ハコガイ FE
74 PB21101 1 COVER, FRONT カバー フロント FE
75 K5207A 6 SCREW, C/R TRUSS 小ネジ 十穴トラス M04X005 ユニクロメッキ FE
76 PZ08221 1 SEAL シール PL
77 K10403 1 COUNTER カウンタ H7ET-NV-300 OT
78 PB20962 1 BKT BKT FE
79 H5298A 2 BOLT, HEX SOCKET ボルト 六角穴 M05X010 1ハコ400ケ FE
80 W1023A 2 WASHER, LOCK ワッシャ スプリング 5M/M 1ハコ8000ケイリ ハコガイ FE
81 S31575 1 SW, PRESSURE SW プレッシャ ISE30-01-65ML OT
82 S3158R 1 SW, PRESSURE SW プレッシャ ZSE30-01-65-ML OT
83 K5255T 4 SCREW, HEX SOCKET BUTTON 小ネジ 六角穴ボタン M03X006 1ハコ1000ケイリ ハコガイ FE
84 W1021A 4 WASHER, LOCK ワッシャ スプリング 3M/M 1ハコ30000ケイリ ハコガイ FE
85 PB21061 1 COVER, REAR カバー リヤー FE
86 K5207A 6 SCREW, C/R TRUSS 小ネジ 十穴トラス M04X005 ユニクロメッキ FE
87 PB21071 1 COVER, REAR カバー リヤー FE
88 K5207A 4 SCREW, C/R TRUSS 小ネジ 十穴トラス M04X005 ユニクロメッキ FE
89 H30129 2 FAN ファン 9G1224G4D01 FE
90 K1141G 4 GUARD, FIN ガード フィン 109-1000G FE
91 H5295A 8 BOLT, HEX SOCKET ボルト 六角穴 M04X035 1ハコ200ケ FE
92 W1041A 8 WASHER, FLAT ワッシャ 平 4M/MX0.8X9(1W-4) FE
93 N1081T 8 NUT, HEX ナット 六角 M 4 3シュ FE
94 W1022A 8 WASHER, LOCK ワッシャ スプリング 4M/M 1ハコ15000ケイリ ハコガイ FE
95 PB21201 1 COVER カバー FE
96 K5207A 4 SCREW, C/R TRUSS 小ネジ 十穴トラス M04X005 ユニクロメッキ FE
注1:中国簡体字/中国繁体字
Note.1:Simplified Chinese/Traditional Chinese
108

109

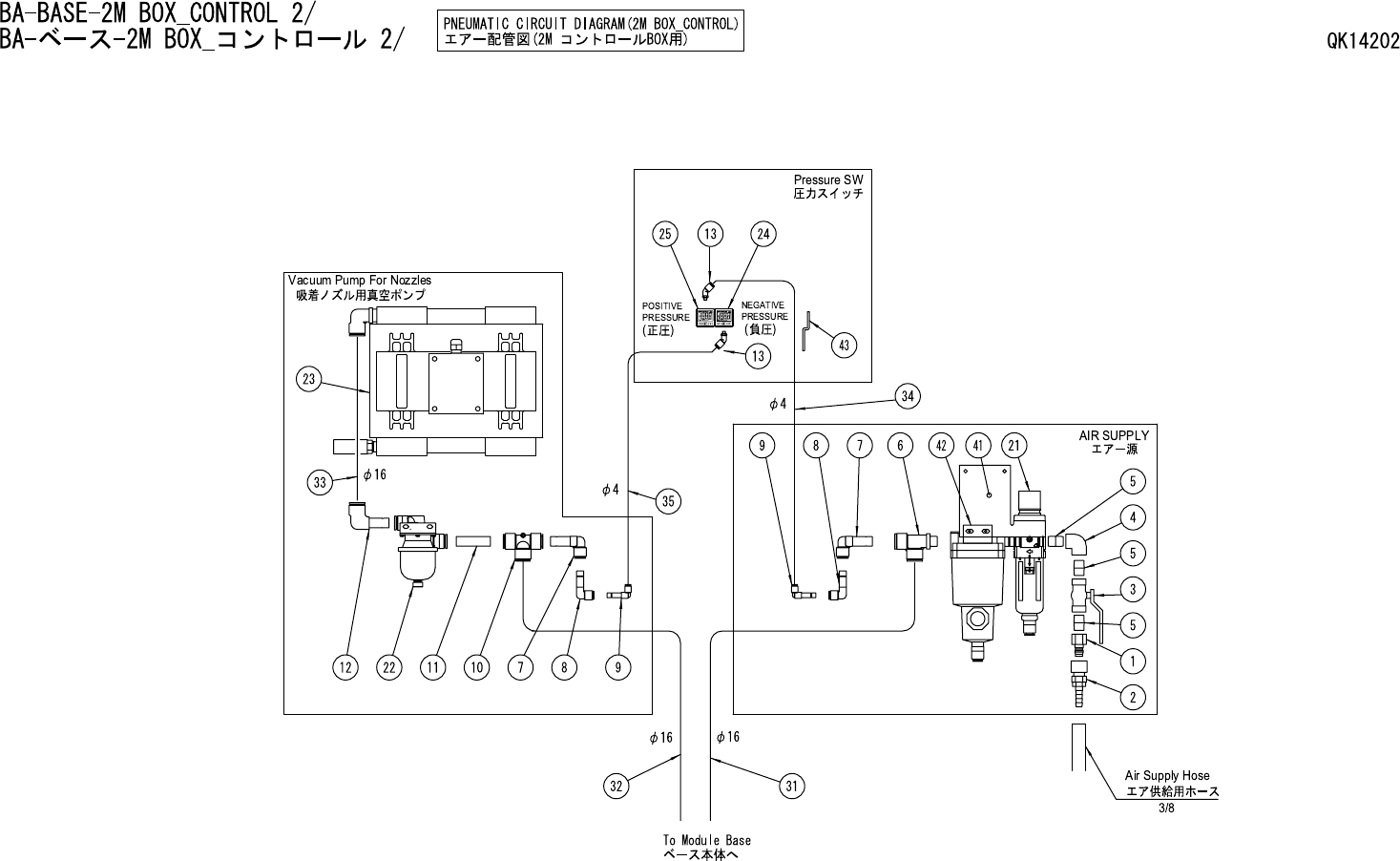
BA-BASE-2M BOX_CONTROL 2/
BA-ベース-2M BOX_コントロール 2/ QK14202
番号 図番 & コード番号 個数 品名 規格 材質 備考
No. Drg.No. & Code No. QTY Description Rating Materials Remarks
1 H3149K 1 PLUG, COUPLER プラグ カプラ CAL23PF OT
2 S5220A 1 SOCKET, COUPLER ソケット カプラ CAL23SH OT
3 H1059T 1 VALVE, BALL バルブ ボール RP-LL 3/8 OT
4 A4061A 1 ELBOW エルボ 3/8 OT
5 H1282A 3 PIPE, DOUBLE ENDED パイプ 両口 3/8x25 OT
6 Y3043S 1 UNION ユニオン KQ2Y16-03S OT
7 DLBA 2 UNION, ELBOW ユニオン エルボ KQ2L12-16 OT
8 DLBA 2 UNION, ELBOW ユニオン エルボ KQ2L08-12 OT
9 A4066S 2 ELBOW エルボ KQ2L04-08 OT
10 Y3074Z 1 UNION ユニオン KQ2T16-00 OT
11 N2033Y 1 NIPPLE ニップル KQ2N16-99 OT
12 A40687 1 UNION, ELBOW ユニオン エルボ KQL16-99 OT
13 DLBA 2 UNION, ELBOW ユニオン エルボ KQ2K04-M5 OT
21 XH00120 1 FILTER REGULATOR フィルタ レギュレータ OT
22 H3022Z 1 FILTER フィルタ VFR20-16-16 OT
23 XP00530 1 PUMP, VACUUM ポンプ バキューム DOP-300SA OT
24 S31575 1 SW, PRESSURE SW プレッシャ ISE30-01-65-ML OT
25 S3158R 1 SW, PRESSURE SW プレッシャ ZSE30-01-65-ML OT
31 PZ13550 1 TUBE チューブ OT TU1611 L=1700
32 PZ13560 1 TUBE チューブ OT TU1611 L=1850
33 PZ13570 1 TUBE チューブ OT TU1611 L=650
34 PZ13580 1 TUBE チューブ OT TU0425 L=500
35 PZ13590 1 TUBE チューブ OT TU0425 L=400
41 PB20931 1 BKT BKT FE
42 PB23100 1 BKT BKT FE
43 PB20962 1 BKT BKT FE
110