PTS-NXT-02.1JE.pdf - 第57页
AB-M3-BED 6/ AB-M3-ベッド 6/ QK02101 番号 図番 & コード番号 個数 品名 規格 材質 備考 No. Drg.No. & Code No. QTY Description Rating Materials Remarks 1 AJ36901 1 CONTROLLER コントローラ OT 2 AJ04302 1 BOX, ELECTRIC BOX 電気 OT 3 XB01050 1 BOX…

27

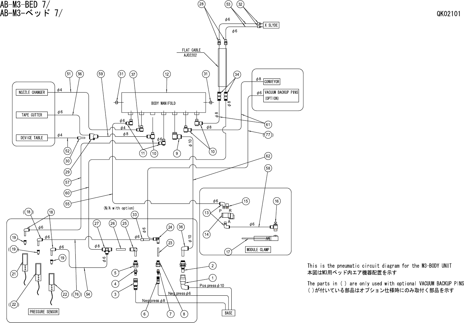
AB-M3-BED 6/
AB-M3-ベッド 6/ QK02101
番号 図番 & コード番号 個数 品名 規格 材質 備考
No. Drg.No. & Code No. QTY Description Rating Materials Remarks
1 AJ36901 1 CONTROLLER コントローラ OT
2 AJ04302 1 BOX, ELECTRIC BOX 電気 OT
3 XB01050 1 BOX, SERVO BOX サーボ OT
28

29